GM Service Manual Online
For 1990-2009 cars only
Makes
🢒
Cadillac
🢒
2000
🢒
Seville
🢒 Automatic Level Control (Without F45)
Automatic Level Control (Without F45)
Automatic Level Control (Without F45)
Automatic Level Control Suspension Components
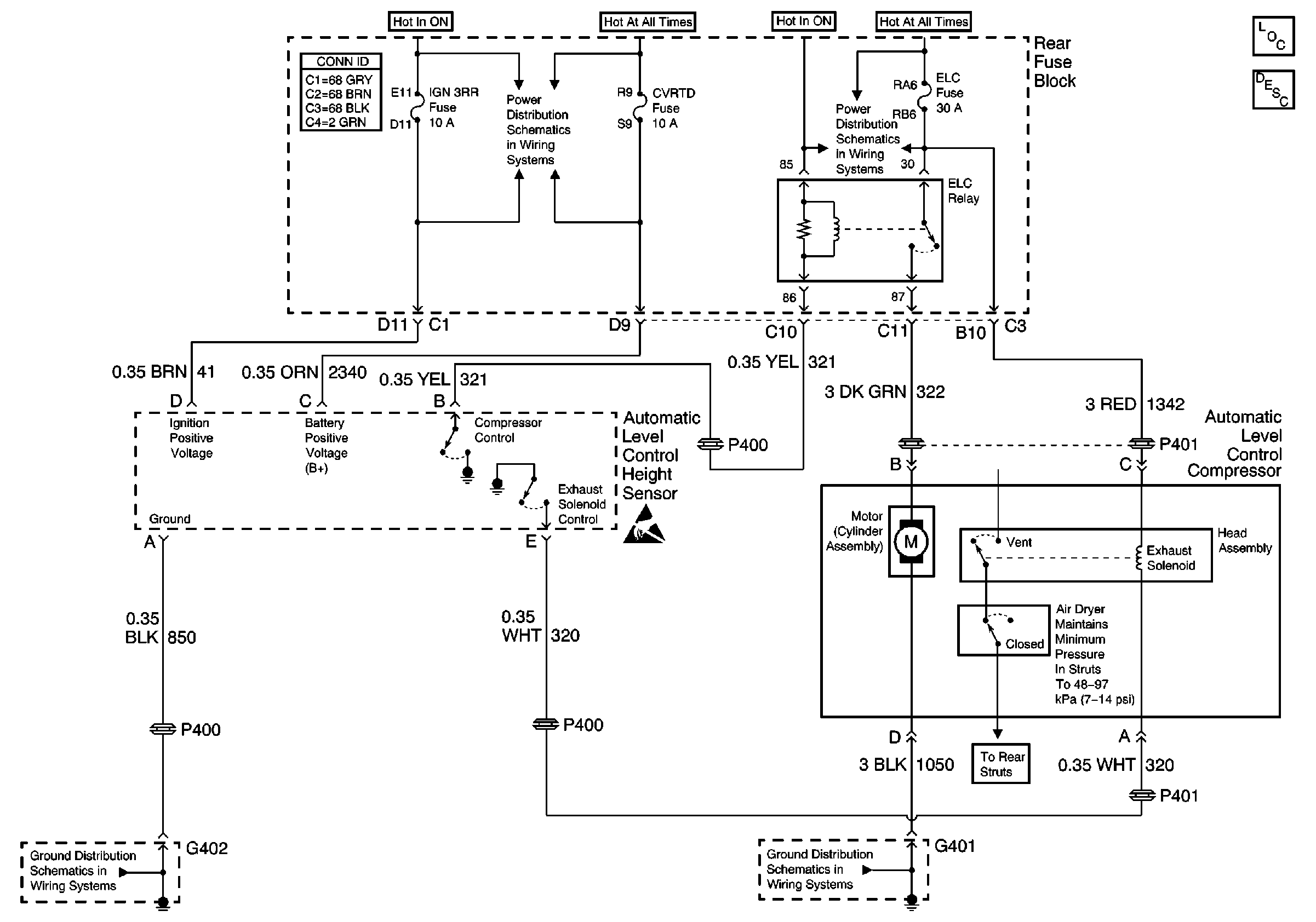
Automatic Level Control System Operation w/oF45
Handling ESD Sensitive Parts Notice
NSBU, F/PMP, CVRTD and BODY Fuses
RR Blo, RR Defog, PRK BRK, ELC Fuses
Automatic Level Control (with F45)
G402 1 of 2
G401 1 of 3