GM Service Manual Online
For 1990-2009 cars only
Makes
🢒
Cadillac
🢒
2000
🢒
Seville
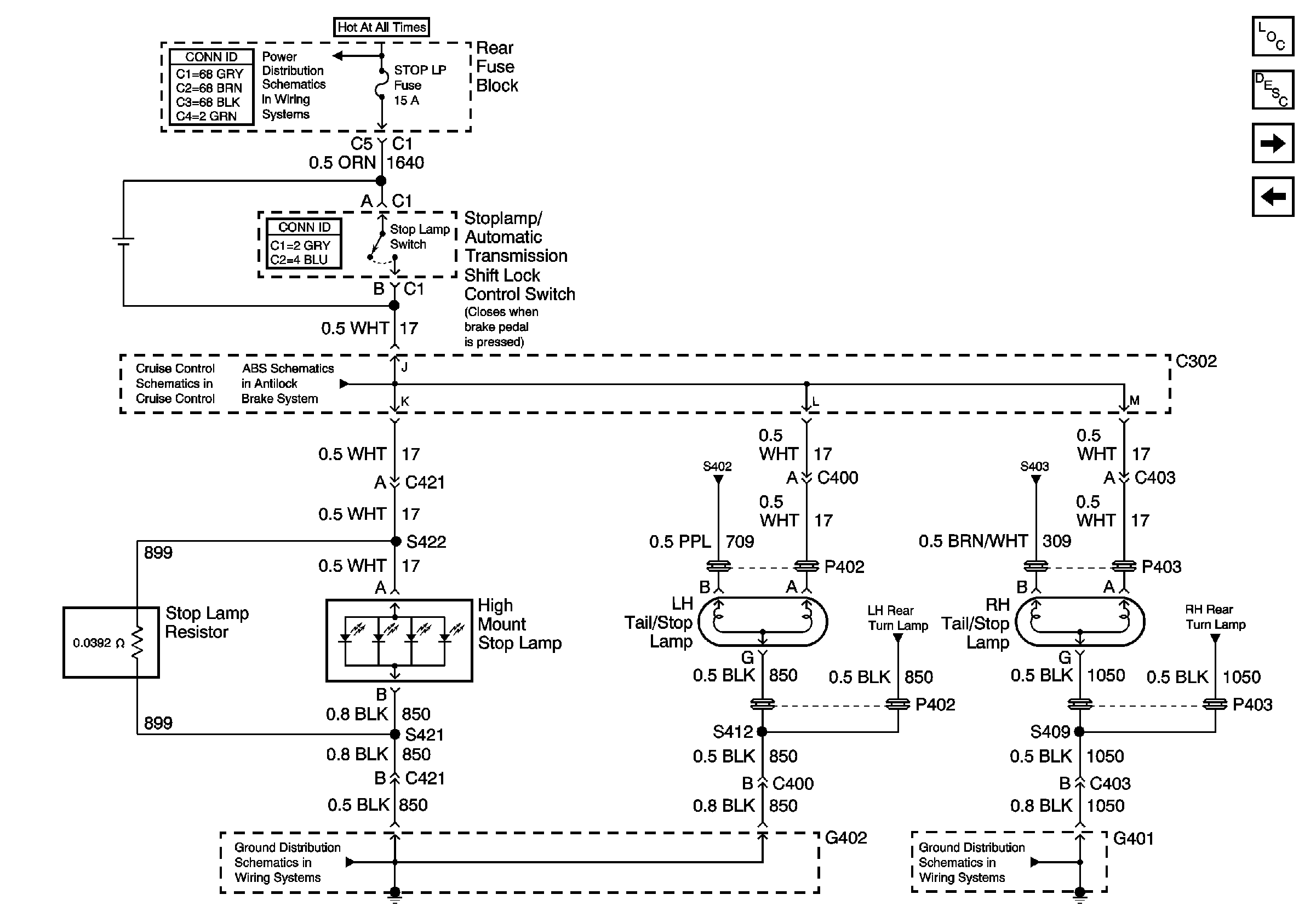
🢒 Stop Lamps
Stop Lamps
Stop Lamps
Lighting Systems Components
Exterior Lights Circuit Description
RH Exterior Lamps
Hazard Switch Assembly
Aux Pwr, C/LTR, Stop LP, Cigar and BLO Fuses
G402 1 of 2
G401 1 of 3