GM Service Manual Online
For 1990-2009 cars only
Makes
🢒
Cadillac
🢒
2000
🢒
Seville
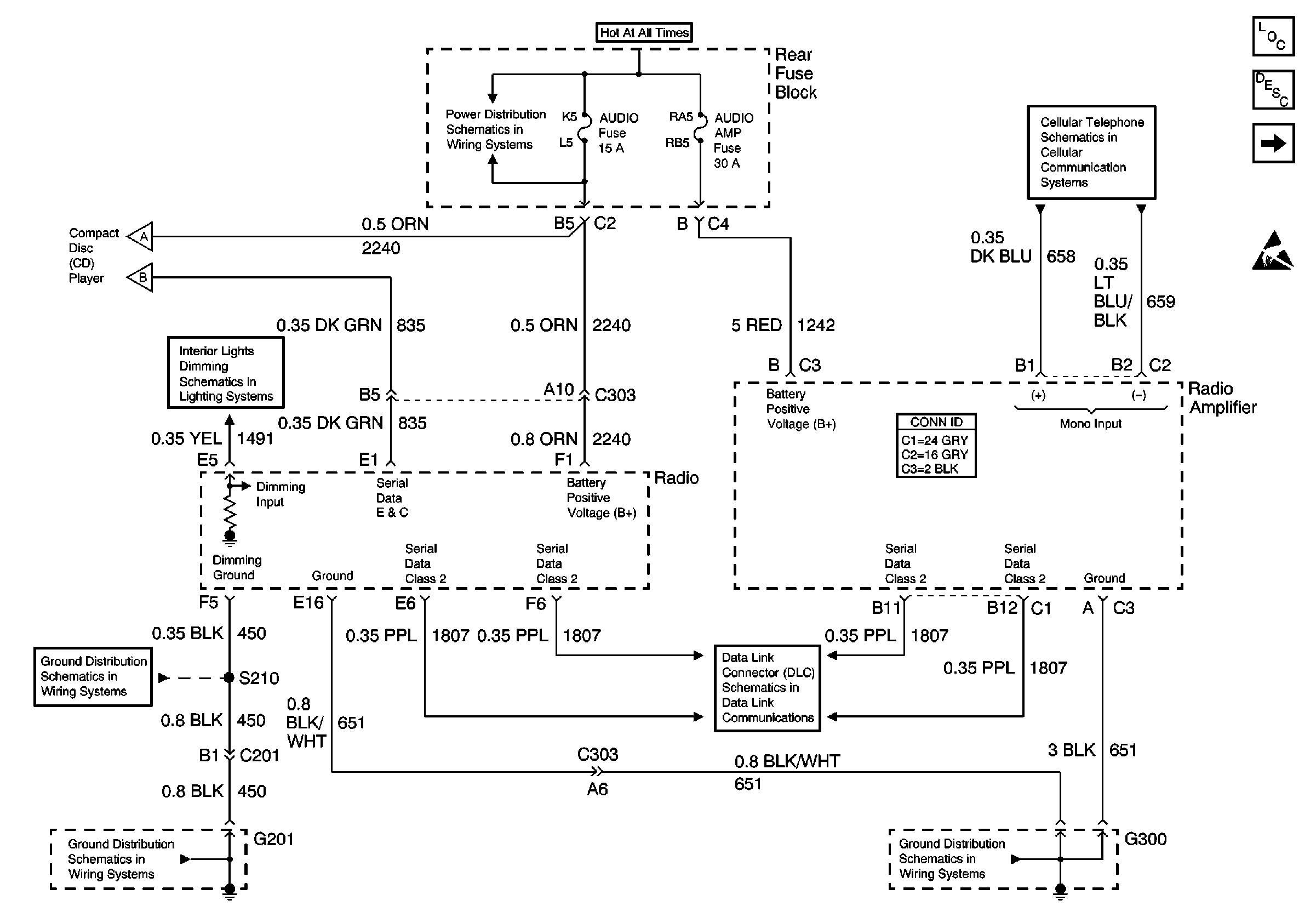
🢒 Power and Ground (w/UX8)
Power and Ground (w/UX8)
Power and Ground (w/UX8)
Entertainment Components
Radio/Audio System Circuit Description
Compact Disc (CD) Player (w/UX8)
Audio, Audio Amp and DIM Fuses
Handling ESD Sensitive Parts Notice
Handset and Radio Amplifier (w/o UE1)
Instrument Panel Dimming
Class 2 Serial Data Line (RH Drive)
Compact Disc (CD) Player (w/UX8)
G201
G201
G300