GM Service Manual Online
For 1990-2009 cars only
Makes
🢒
Cadillac
🢒
2001
🢒
Seville
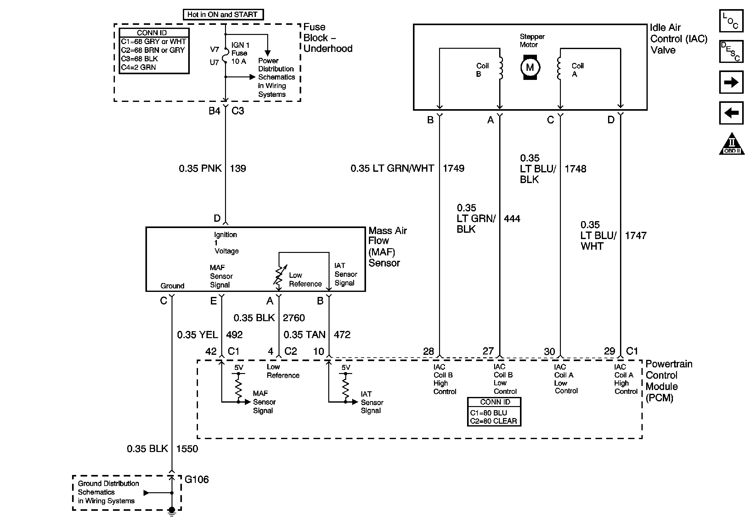
🢒 MAF and IAC Signals
MAF and IAC Signals
MAF and IAC Signals
EVAP and EGR Signals
PCM Inputs/Outputs (1 of 2)
Engine Controls Component Views
OBD II Symbol Description Notice
Powertrain Control Module Description
Power to Underhood Fuse Block
G106 and G108