GM Service Manual Online
For 1990-2009 cars only
Makes
🢒
Cadillac
🢒
2001
🢒
Seville
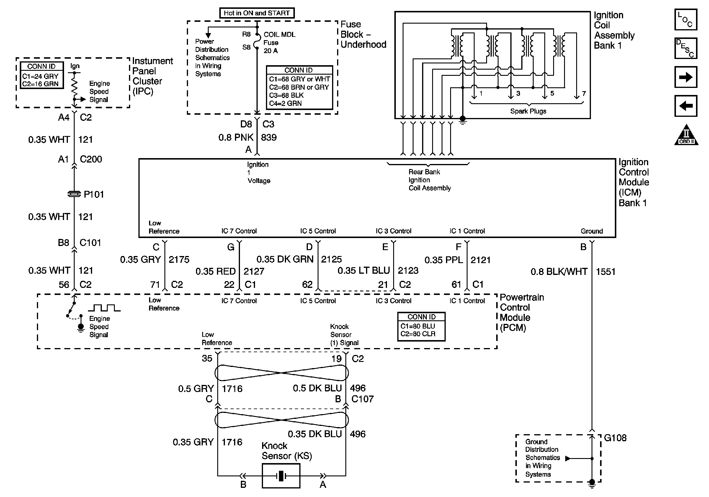
🢒 Ignition Control Module (ICM) Bank 1
Ignition Control Module (ICM) Bank 1
Ignition Control Module (ICM) Bank 1
PCM Inputs/Outputs (2 of 2)
Ignition Control Module (ICM) Bank 2
Engine Controls Component Views
OBD II Symbol Description Notice
Knock Sensor (KS) System Description
Power to Underhood Fuse Block
G106 and G108