GM Service Manual Online
For 1990-2009 cars only

Circuit Description

This diagnostic test functions on the assumption that a sudden decrease in the non-drive (rear) wheel speed must be caused by a brake application. The non-drive wheel speed and the stop lamp switch status are supplied to the powertrain control module (PCM) through the serial data from the electronic brake and traction control module (EBCM). If there is a 9.6 km/h (6 mph) or more decrease of non-drive wheel speed in 0.4 second, and a transition of the torque converter clutch (TCC) contacts at the TCC brake switch or stop lamp switch without a transition of the extended travel contacts of the TCC brake, diagnostic trouble code (DTC) P1575 is set.

Conditions for Running the DTC

    • DTC P1574 is not set.
    • The traction control (TC) and antilock brake systems (ABS) have not failed.
    • The traction control and antilock brake systems are not active.
    • The non-drive wheel speed goes above 33.8 km/h (20 mph) and then does not go below 6.76 km/h (4 mph).

Conditions for Setting the DTC

A 9.6 km/h (6 mph) or more decrease in non-drive wheel speed in 0.4 second and TCC brake switch or Stop/BTSI/Cruise brake switch indicating brakes applied and no transition is noticed in the extended travel contacts of the TCC brake switch indicating brakes applied.

Action Taken When the DTC Sets

    • The control module stores the DTC information into memory when the diagnostic runs and fails.
    • The malfunction indicator lamp (MIL) will not illuminate.
    • The control module records the operating conditions at the time the diagnostic fails. The control module stores this information in the Failure Records.
    • The driver information center, if equipped, may display a message.

Conditions for Clearing the DTC

    • A current DTC Last Test Failed clears when the diagnostic runs and passes.
    • A history DTC clears after 40 consecutive warm-up cycles, if no failures are reported by this or any other non-emission related diagnostic.
    • Clear the DTC with a scan tool.

Diagnostic Aids

If the condition is intermittent, refer to Intermittent Conditions in Symptoms.

Step

Action

Yes

No

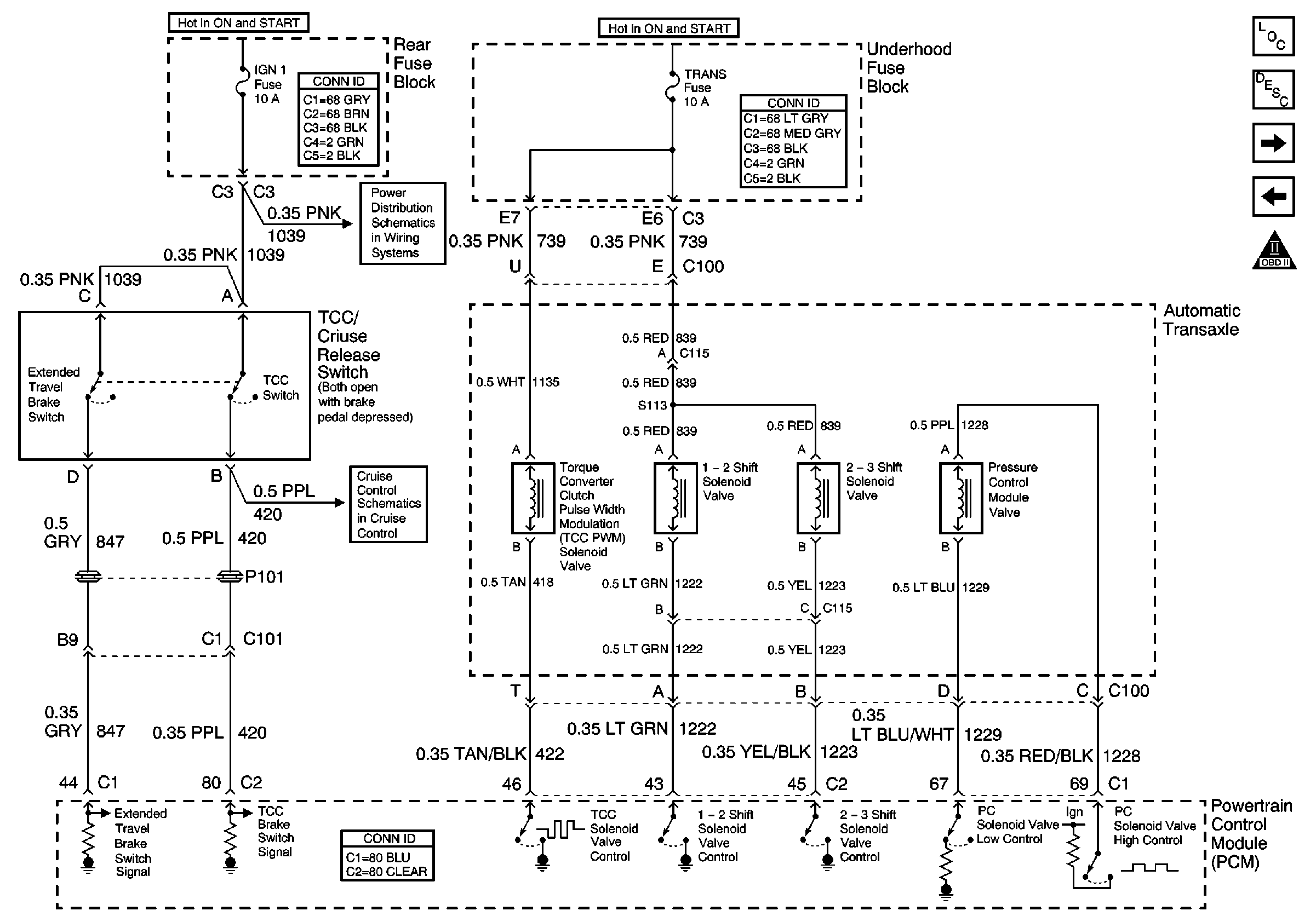
Schematic Reference:

ABS/TCC Switch and Transaxle Solenoids


Object Number: 641943  Size: FS
Generator
Transaxle Sensors and TR Switch
Engine Controls Component Views
OBD II Symbol Description Notice
Cruise Control Module and Steering Wheel Controls; Power and Ground
SIR, VENT SOL, IGN 1 Fuses and IGN 1 Relay

1

Did you perform the Diagnostic System Check-Engine Controls?

Go to Step 2

Go to Diagnostic System Check - Engine Controls

2

  1. Turn ON the ignition, with the engine OFF.
  2. With the scan tool, observe the Extended Travel Brake display.

Does the scan tool display indicate Released?

Go to Step 3

Go to Step 6

3

Depress the brake pedal approximately half-way.

Does the scan tool display indicate Applied?

Go to Intermittent Conditions

Go to Step 4

4

Disconnect the extended travel brake switch connector.

Does the scan tool display indicate Applied?

Go to Step 14

Go to Step 5

5

Test for a short to voltage on the extended travel brake switch signal circuit. Refer to Testing for a Short to Voltage in Wiring Systems.

Did you find and correct the condition?

Go to Step 17

Go to Step 16

6

With a scan tool, observe the TCC brake switch display.

Does the scan tool display indicate Released?

Go to Step 7

Go to Step 11

7

  1. Disconnect the extended travel brake switch connector.
  2. Test for an open ignition 1 voltage circuit to the extended travel brake switch. Refer to Testing for Continuity in Wiring Systems.

Did you find and correct the condition?

Go to Step 17

Go to Step 8

8

  1. Jumper the ignition 1 voltage circuit to the extended travel brake switch signal circuit at the extended travel brake switch harness connector.
  2. With a scan tool, observe the extended travel brake switch display.

Does the scan tool indicate Released?

Go to Step 9

Go to Step 10

9

Inspect for poor connections at the TCC/extended travel brake switch. Refer to Testing for Intermittent Conditions and Poor Connections in Wiring Systems.

Did you find and correct the condition?

Go to Step 17

Go to Step 14

10

Test for the following conditions:

    • An open extended travel brake switch signal circuit
    • Poor connections at the PCM

Did you find and correct the condition?

Go to Step 17

Go to Step 16

11

Inspect the IGN 1 fuse for an open circuit.

Is the fuse open?

Go to Step 12

Go to Step 13

12

  1. Test for a short to ground in the following circuits:
  2. • Ignition 1 voltage circuit to the TCC/extended travel brake switch
    • Extended travel brake switch signal circuit
    • TCC brake switch signal circuit
  3. If a condition is found, replace the fuse.

Did you find and correct the condition?

Go to Step 17

Go to Intermittent Conditions

13

Test for an open in the ignition 1 voltage circuit to the TCC/extended travel brake switch assembly.

Did you find and correct the condition?

Go to Step 17

Go to Step 14

14

Test for proper TCC/extended travel brake switch adjustment.

Did the switch require adjustment?

Go to Step 17

Go to Step 15

15

Replace the TCC/extended travel brake switch.

Is the action complete?

Go to Step 17

--

16

Replace the PCM. Refer to Powertrain Control Module Replacement .

Is the action complete?

Go to Step 17

--

17

  1. Select the Diagnostic Trouble Code (DTC) option and the Clear DTC option with the scan tool.
  2. Operate vehicle within the Conditions for Running this DTC as specified in the supporting text, if applicable.

Does the scan tool indicate that this test passed?

Go to Step 18

Go to Step 2

18

With a scan tool, observe the stored information, Capture Info.

Does the scan tool display any DTCs that you have not diagnosed?

Go to Diagnostic Trouble Code (DTC) List

System OK