GM Service Manual Online
For 1990-2009 cars only
Makes
🢒
Cadillac
🢒
2004
🢒
Seville
🢒 Engine Controls Schematics-Engine Data Sensors, Pressure and Temperature
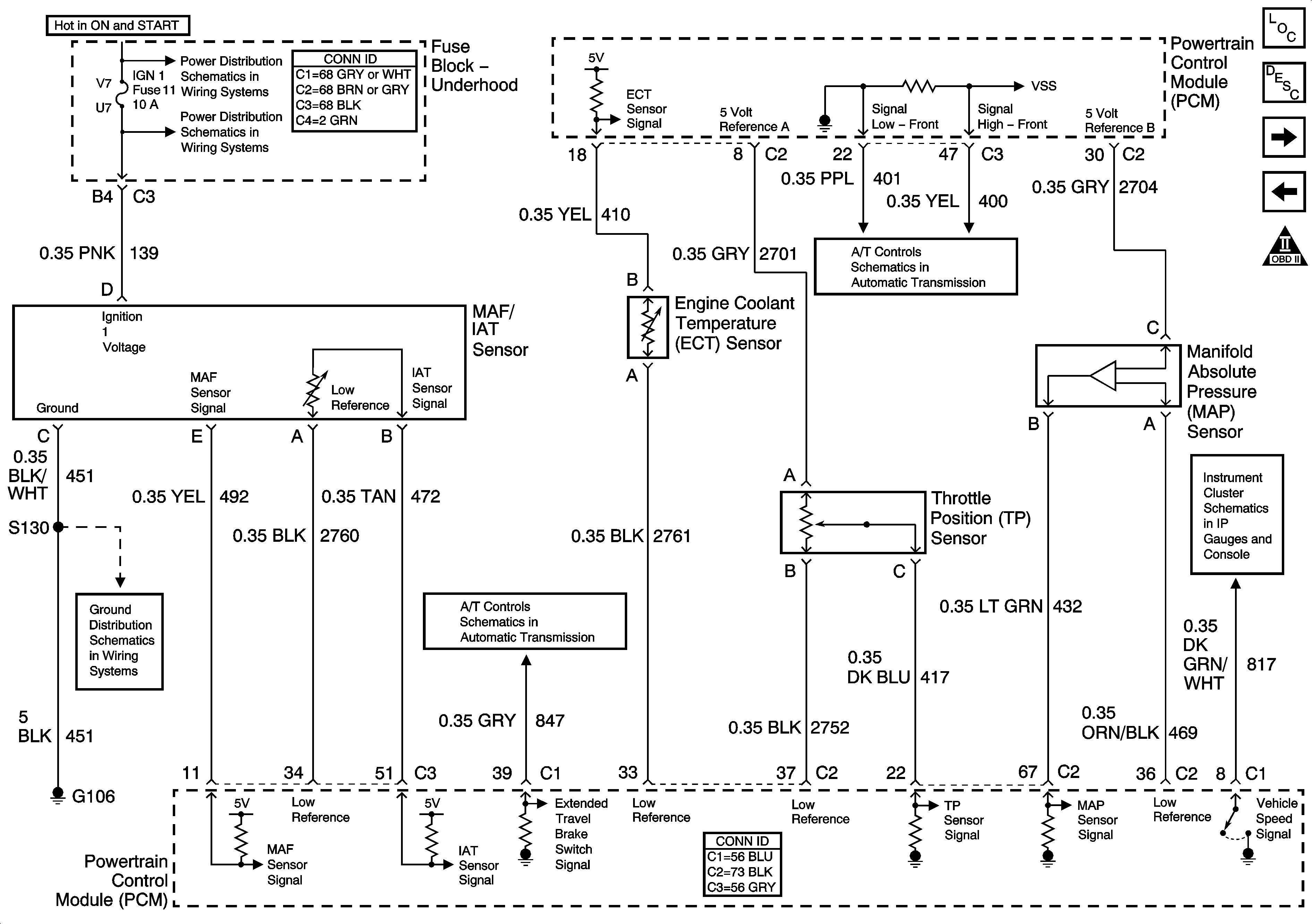
Engine Controls Schematics-Engine Data Sensors, Pressure and Temperature
Engine Data Sensors -- Pressure and Temperature
Master Electrical Component List
Powertrain Control Module Description
Power Distribution Schematics-Battery Feed to Fuseblock Underhood
Engine Controls Schematics-Engine Data Sensors (HO2S)
Engine Data Sensors, 5 Volt and Low Reference
OBD II Symbol Description Notice
Automatic Transmission Controls-Trans Internal Mode Switch (IMS) and (VSS)
Automatic Transmission Controls Schematics-TCC/Cruise Rel. Switch,Solenoids
Ground Distribution Schematics-G106
Instrument Cluster Schematics-PCM Signals