GM Service Manual Online
For 1990-2009 cars only
Figure 1:

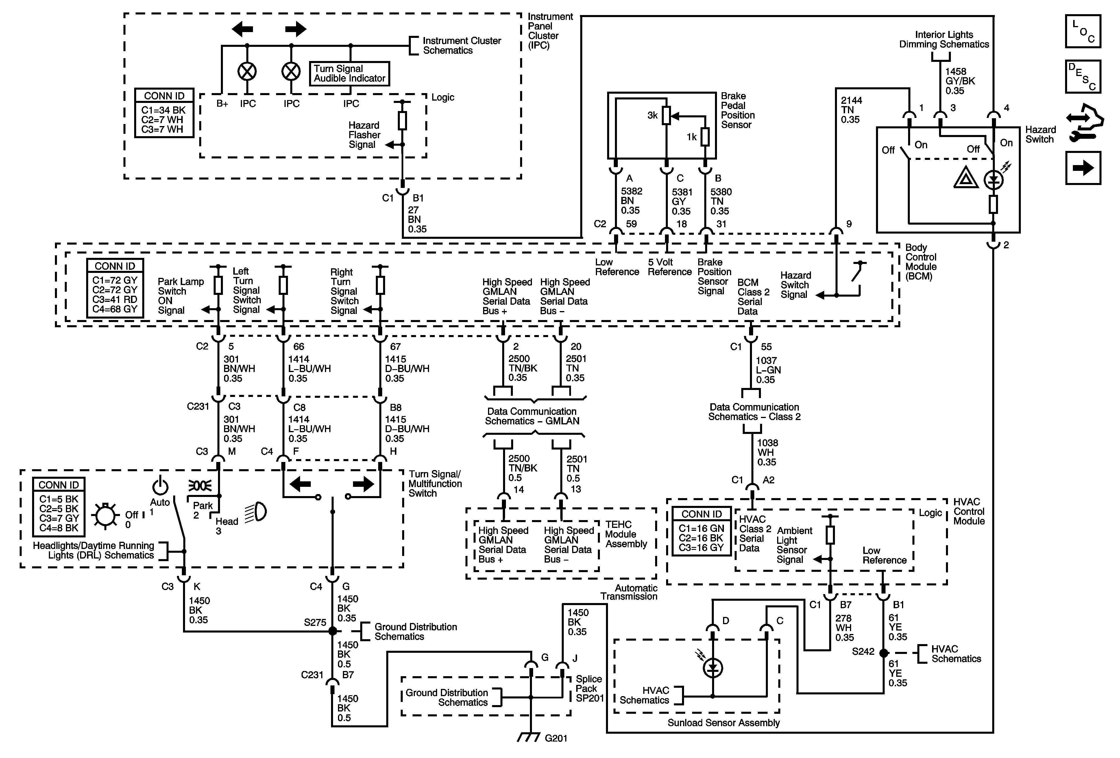
Hazards and Park Lamp Control


Object Number: 1756375  Size: FS
Master Electrical Component List
Exterior Lighting Systems Description and Operation
Control Module References
Park Lamps
Power, Ground, and Indicators
DLC, HVAC Control Module, Radio, and Switches
GMLAN
Class 2
Headlamp/DRL Controls
G201
G201
G201
Temperature Sensors
Temperature Sensors
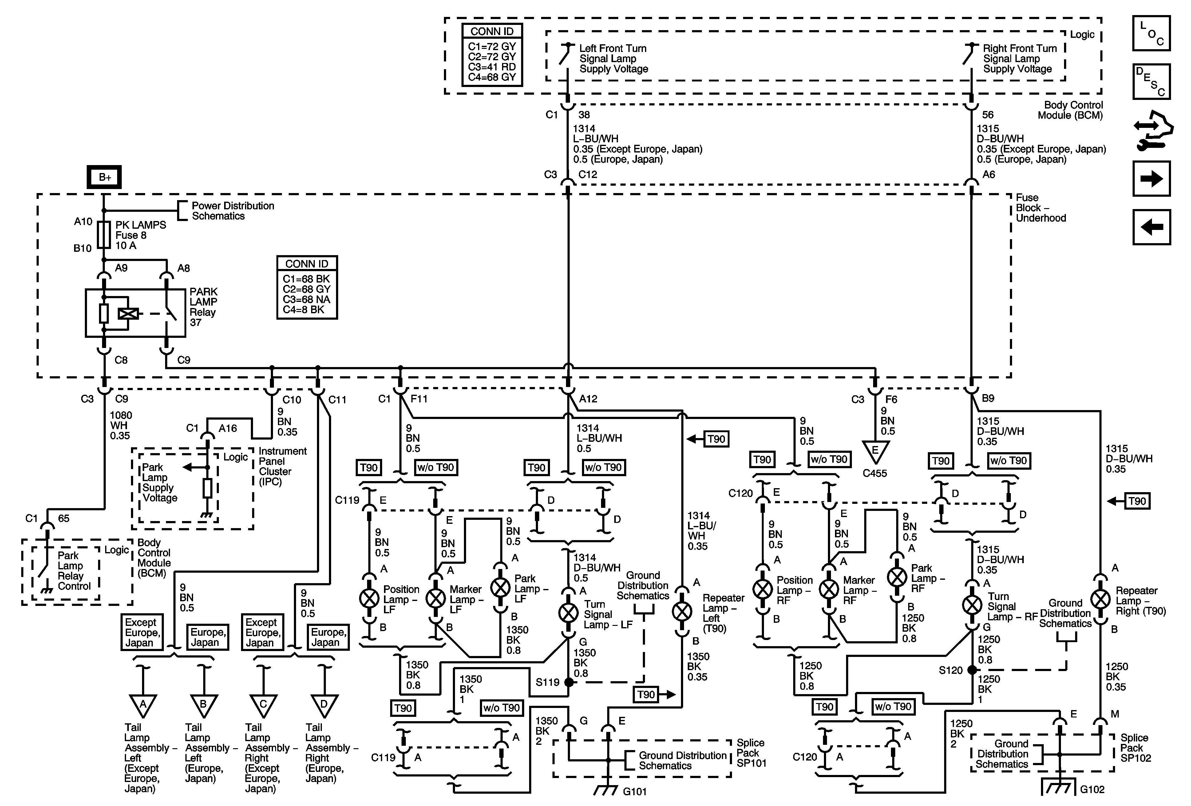
Figure 2:

Park Lamps


Object Number: 1756376  Size: FS
Master Electrical Component List
Exterior Lighting Systems Description and Operation
Control Module References
Stop and License Lamps
Hazards and Park Lamp Control
Fuse Block - Underhood Bussing
Fuse Block - Underhood Bussing
Power, Ground, and Indicators
Tail Lamps
Tail Lamps
Stop and License Lamps
G101
G101
G101
G102
G102
G102
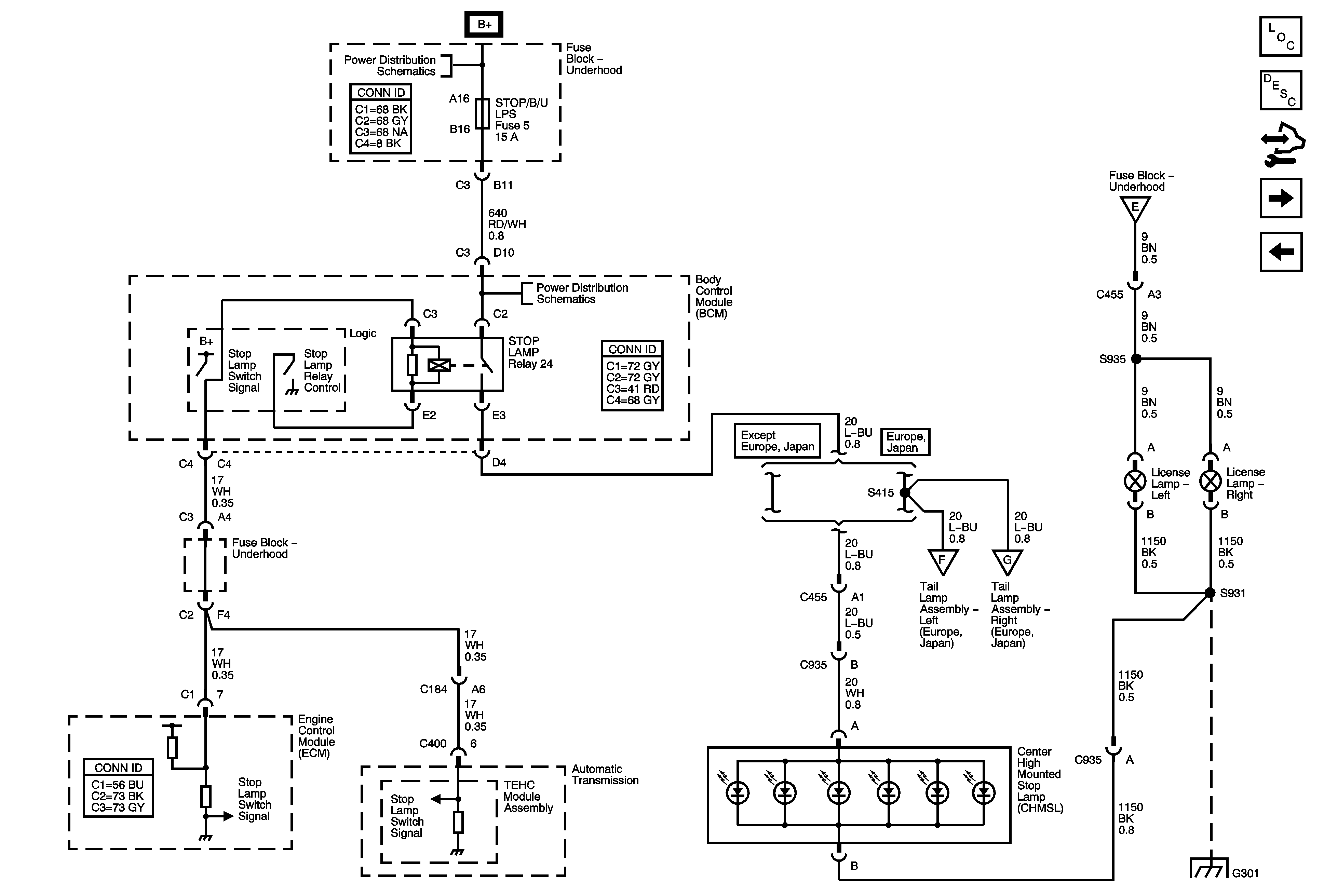
Figure 3:

Stop and License Lamps


Object Number: 1756378  Size: FS
Master Electrical Component List
Exterior Lighting Systems Description and Operation
Control Module References
Tail Lamps
Park Lamps
Fuse Block - Underhood Bussing
BATT 3, STOP/B/U/LPS, BTSI SOL/COL LOCK, RADIO/ANT/VICS, PWR FLDG MIR - EXT/RET, REAR FOG/ALDL TOP SW, REVERSE LAMPS Fuses, AND STOP LAMP, REVERSE LAMP Relays
BATT 3, STOP/B/U/LPS, BTSI SOL/COL LOCK, RADIO/ANT/VICS, PWR FLDG MIR - EXT/RET, REAR FOG/ALDL TOP SW, REVERSE LAMPS Fuses, AND STOP LAMP, REVERSE LAMP Relays
Park Lamps
Tail Lamps
G301
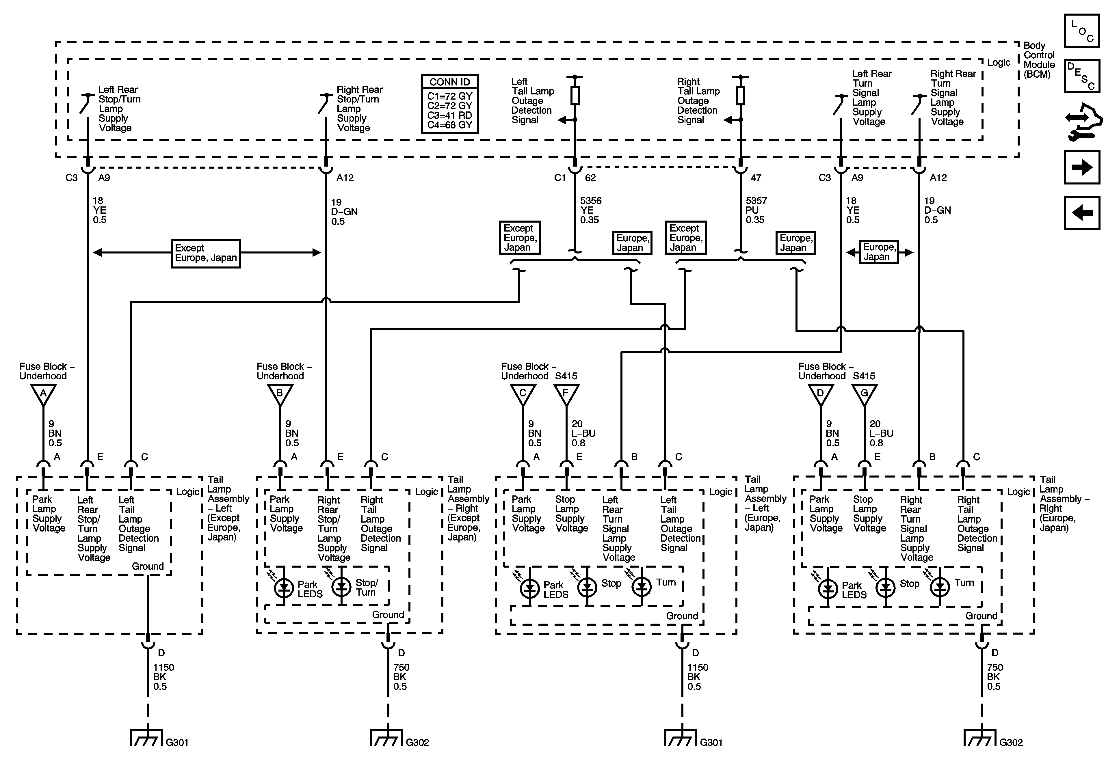
Figure 4:

Tail Lamps


Object Number: 1756379  Size: FS
Master Electrical Component List
Exterior Lighting Systems Description and Operation
Control Module References
Backup Lamps
Stop and License Lamps
Park Lamps
Park Lamps
Park Lamps
Stop and License Lamps
Park Lamps
Stop and License Lamps
G301
G302, G401, and G402
G301
G302, G401, and G402
Figure 5:

Backup Lamps


Object Number: 1756380  Size: FS
Master Electrical Component List
Exterior Lighting Systems Description and Operation
Control Module References
Tail Lamps
Fuse Block - Underhood Bussing
Fuse Block - Underhood Bussing
BATT 3, STOP/B/U/LPS, BTSI SOL/COL LOCK, RADIO/ANT/VICS, PWR FLDG MIR - EXT/RET, REAR FOG/ALDL TOP SW, REVERSE LAMPS Fuses, AND STOP LAMP, REVERSE LAMP Relays
Class 2
Power, Ground, DLC, and Non-Sensor Signals
G301
G301