GM Service Manual Online
For 1990-2009 cars only
Makes
🢒
Cadillac
🢒
2008
🢒
XLR
🢒
Diagnostic Navigation
🢒
Vehicle Diagnostic Information
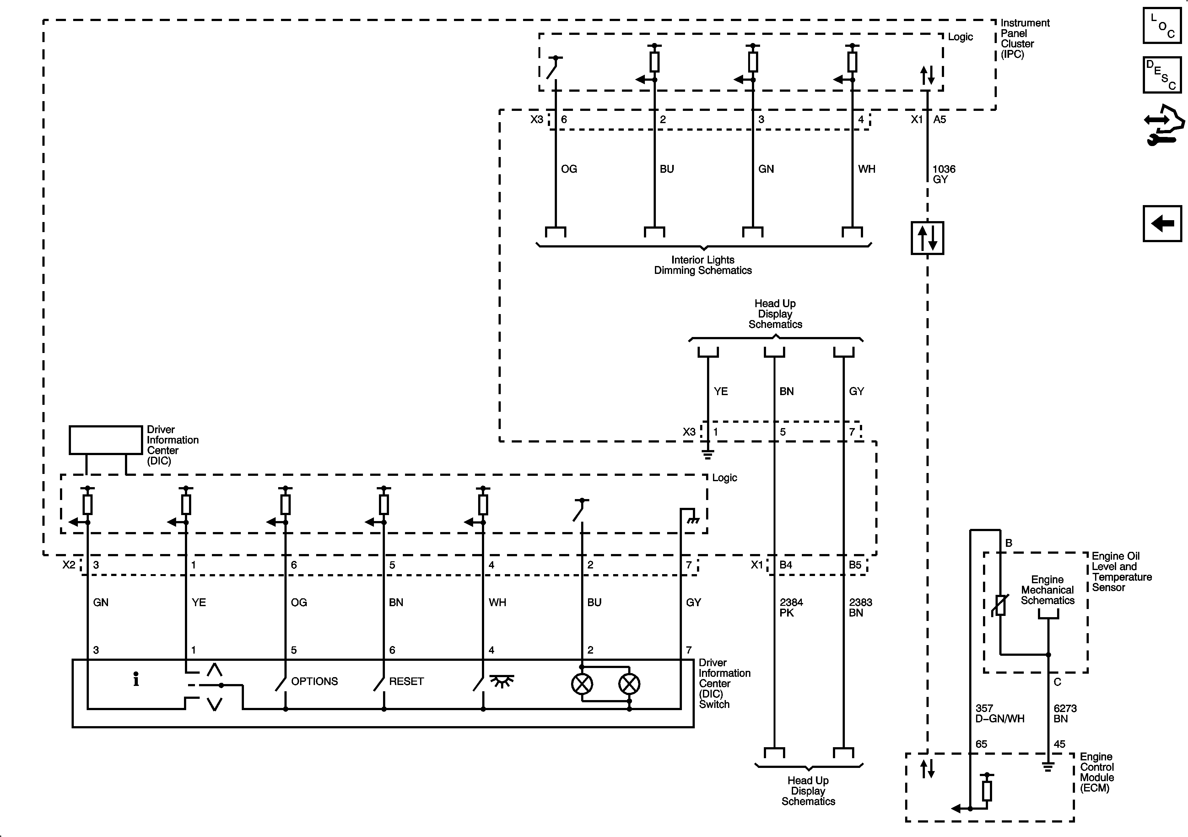
🢒 Instrument Cluster Schematics
Figure
1:
Power, Ground, and Indicators
Master Electrical Component List
Instrument Cluster Description and Operation
Control Module References
Gages
CLSTR/HUD, DECK LID CLOSE/PARK/BRK B, DR LOCKS, INTERIOR LIGHTS, HVAC/PWR SND, ISRVM/HVAC, TUTD SW STRG COL SW Fuses, and RUN/CRANK Relay
Park Brake System Schematics
Hydraulic Brake Schematics
Wiper Switch, Washers, and Outside Moisture Sensor
Switches
Power, Ground, and Class 2
ECM Power, Ground, MIL, and Serial Data
G201
Figure
2:
Gages
Master Electrical Component List
Indicator/Warning Message Description and Operation
Control Module References
Messages
Power, Ground, and Indicators
Power, Ground, and Class 2
EVAP Solenoids and FTP Sensor
G302, G401, and G402
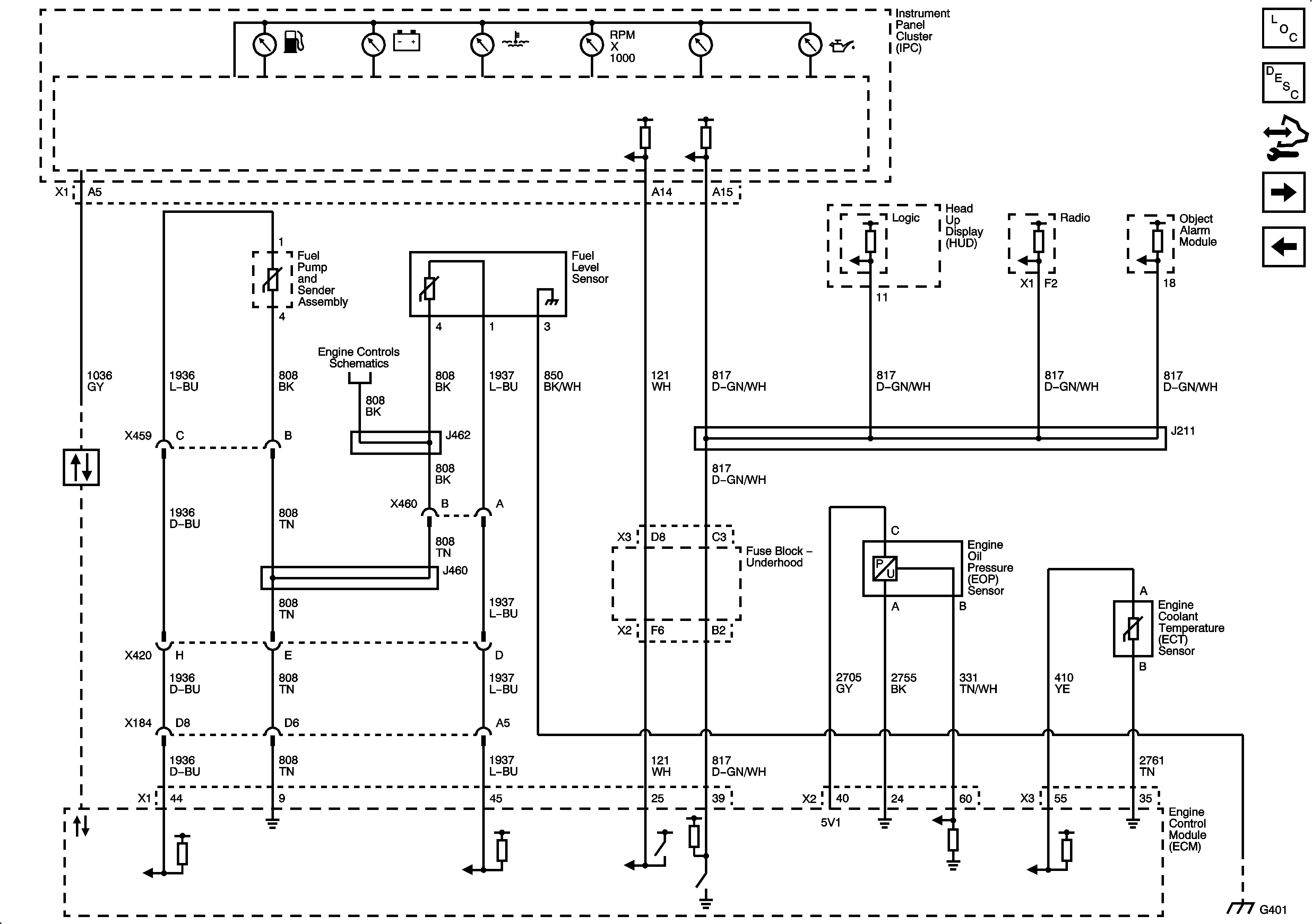
Figure
3:
Messages
Master Electrical Component List
Indicator/Warning Message Description and Operation
Control Module References
Gages
Dimmer Controls, IPC, Switches, and DLC
Head Up Display Schematics
Head Up Display Schematics
Power, Ground, and Class 2
4.4L Engine Mechanical Schematics