GM Service Manual Online
For 1990-2009 cars only
Makes
🢒
Chevrolet
🢒
2001
🢒
Astro - 2WD
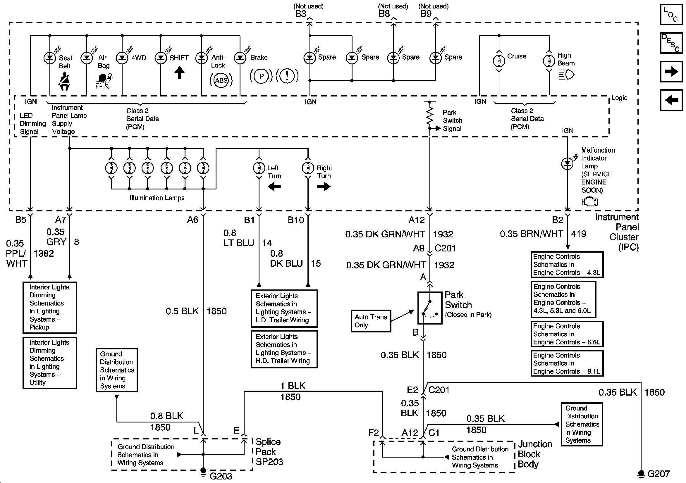
🢒 Indicators and Serial Data
Indicators and Serial Data
Indicators and Serial Data
Master Electrical Component List
Instrument Cluster Description and Operation
Gauges, VSS, and Engine Oil Signals
Power and Ground
Transfer Case Shift Control, Roof Beacon, and Inflatable Restraint IP Module Disable Switches, HVAC Control Module, IPC, and Radio
Transfer Case Shift Control and Traction Control Switches and IPC
G203 - 1 of 4
G203 - 1 of 4
Park/Turn Signal Lamps, RT TURN Fuse and LT TURN Fuse
LT TURN Fuse, RT TURN Fuse, and Turn Signal Lamps
G203 - 3 of 4 - Base Pickup
G203 - 3 of 4 - Base Pickup
Power, Ground, and MIL Control
Module Power, Ground, Serial Data, and MIL
Fuel Controls - Fuel Pump Controls
Power, Ground, and IPC