GM Service Manual Online
For 1990-2009 cars only
Makes
🢒
Chevrolet
🢒
2001
🢒
Astro - 2WD
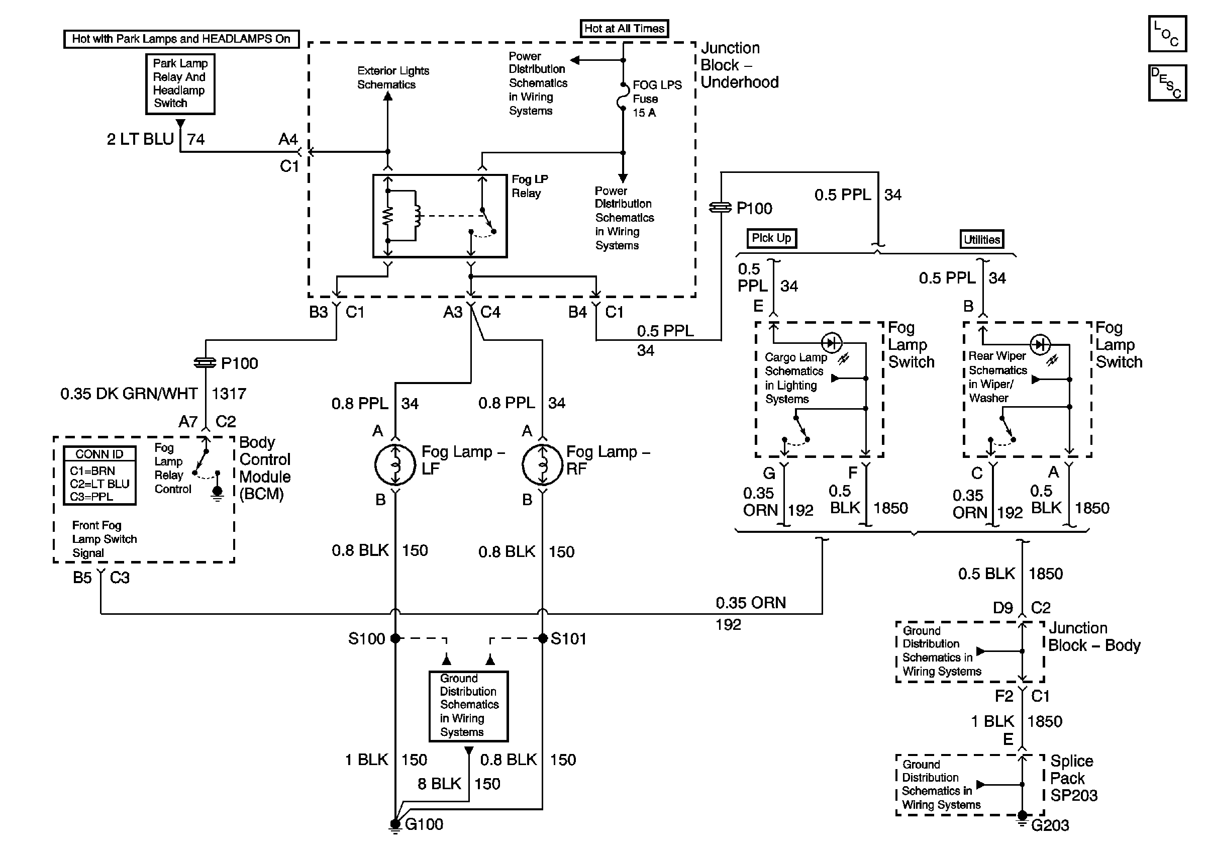
🢒 Fog Lamps Schematics
Fog Lamps Schematics
Master Electrical Component List
Exterior Lighting Systems Description and Operation
ABS, HAZ LP, STUD 1, STUD 2, CTSY LP, and PARK LP Fuses
Park Lamp Relay, FR PRK, TRL PRK, LR PRK, and RR PRK Fuses
B+ Bus Bar
HDLP Relay, TBC, FOG LP, LT HDLP, and RT HDLP Fuses
I/P Compartment Lamp, Underhood Lamp, Reading Lamps and Cargo Lamps
Rear Wiper/Washer Controls
G100 and G110
G203 - 3 of 4 - Base Pickup
G203 - 1 of 4