GM Service Manual Online
For 1990-2009 cars only
Makes
🢒
Chevrolet
🢒
2001
🢒
Astro - 2WD
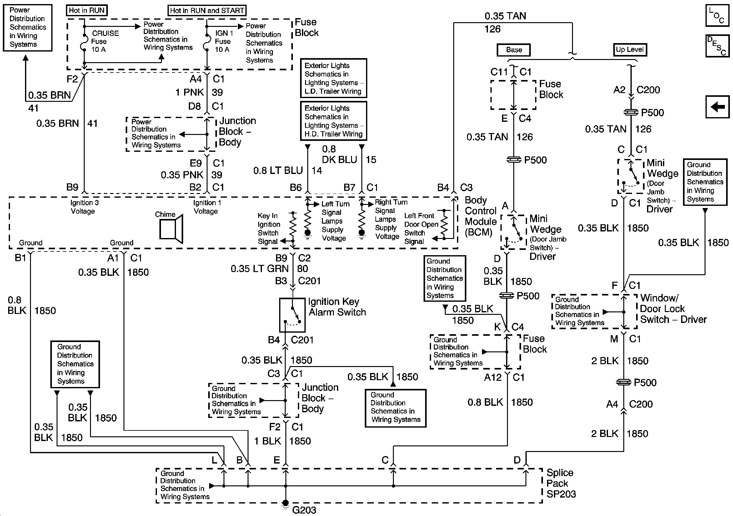
🢒 Key In Ignition and Turn Signal Shime
Key In Ignition and Turn Signal Shime
Key In Ignition and Turn Signal Chime
Master Electrical Component List
Audible Warnings Description and Operation
Headlamps, Seatbelt, and Park Brake Chime
BRAKE, CRUISE, HTR A/C, RR WPR, WS WPR, and SEO ACCY Fuses
BRAKE, CRUISE, HTR A/C, RR WPR, WS WPR, and SEO ACCY Fuses
IGNITION, RUN, and START Bus Bar
IGN 1, AIR BAG, and SEO IGN Fuses
Park/Turn Signal Lamps, RT TURN Fuse and LT TURN Fuse
LT TURN Fuse, RT TURN Fuse, and Turn Signal Lamps
G203 - 2 of 4
G203 - 2 of 4
G203 - 2 of 4
G203 - 2 of 4
G203 - 1 of 4
G203 - 3 of 4 - Base Pickup
G203 - 3 of 4 - Base Pickup
G203 - 1 of 4