GM Service Manual Online
For 1990-2009 cars only
Makes
🢒
Chevrolet
🢒
2002
🢒
Astro - 2WD
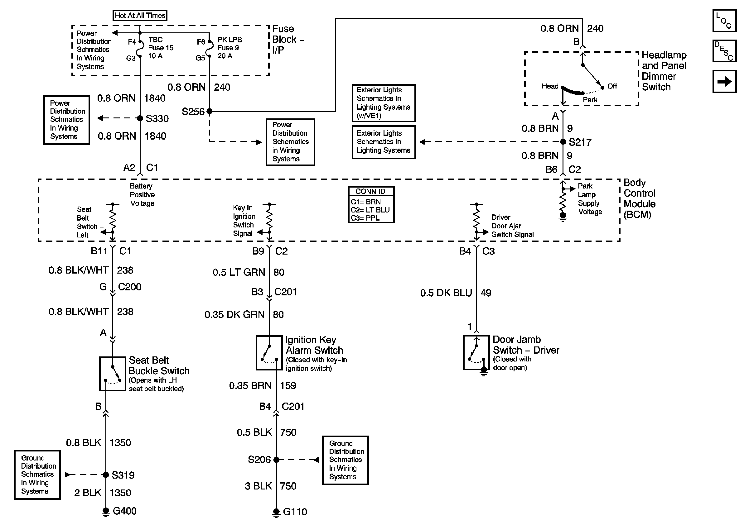
🢒 Power, Seat Belt/Ignition Key Alarm/Door Jamb Switches
Power, Seat Belt/Ignition Key Alarm/Door Jamb Switches
Power, Seat Belt/Ignition Key Alarm/Door Jamb Switches
Master Electrical Component List
Audible Warnings Description and Operation
Turn Signal Switch, Vehicle Speed Signal
Battery and Lighting Fuse
Courtesy, Park Lamps, TBC, and Power Mirror Fuses
Courtesy, Park Lamps, TBC, and Power Mirror Fuses
Turn Indicators, Front Park/Turn Signal Lamps, Repeater Lamps (VE1)
Turn Indicators, Front Marker Lamps, Front Park/Turn SignalLamps
G301, G303, G400, and G404
G110 (1 of 2)