GM Service Manual Online
For 1990-2009 cars only
Makes
🢒
Chevrolet
🢒
2002
🢒
Astro - 2WD
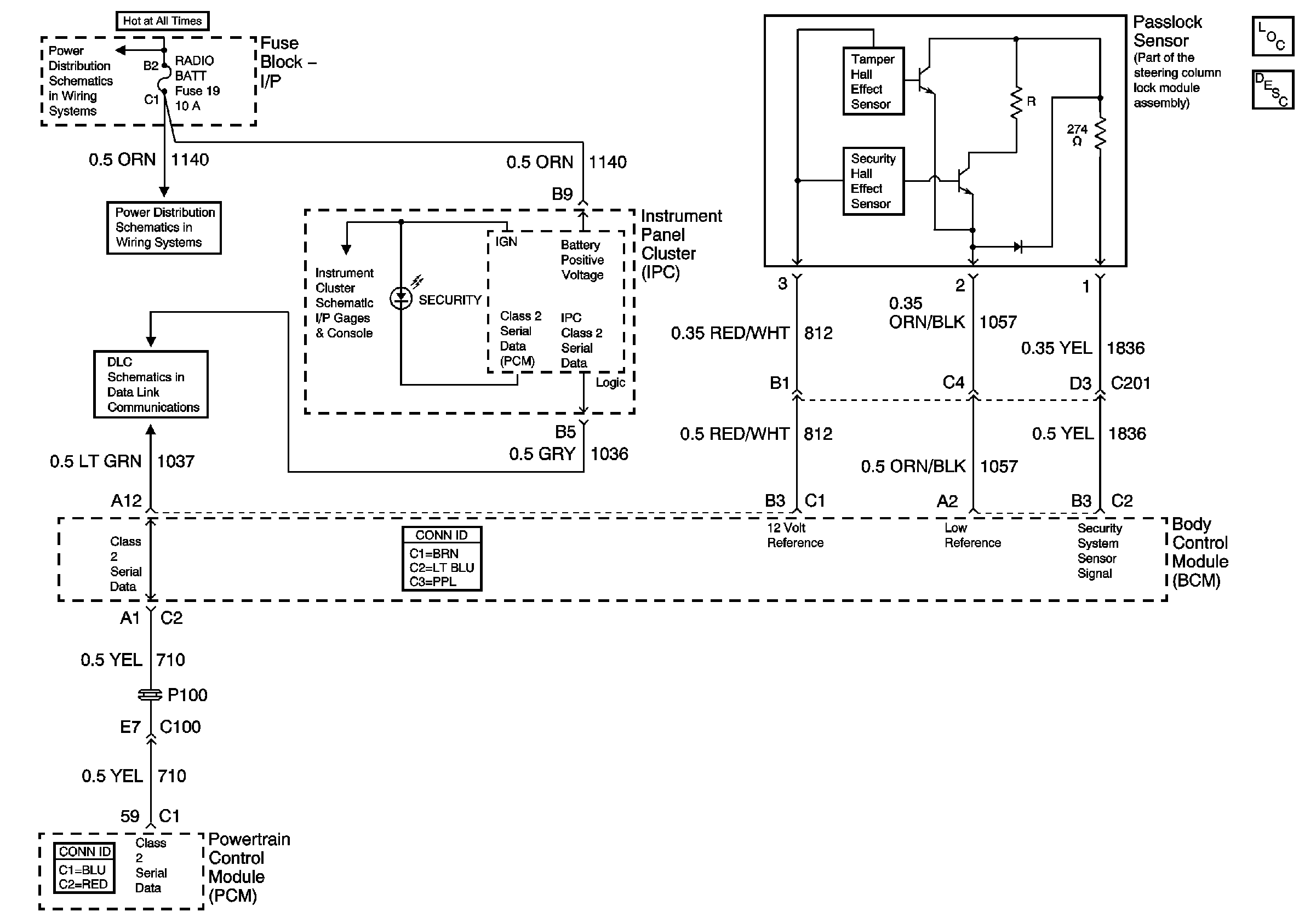
🢒 Theft Deterrent
Theft Deterrent
Master Electrical Component List
Theft Systems Description and Operation
Battery and Lighting Fuse
Cig Lighter Fuse, Radio Battery Fuse and Crank Fuse
Indicators
Data Link Connector (DLC)