GM Service Manual Online
For 1990-2009 cars only
Makes
🢒
Chevrolet
🢒
2001
🢒
Blazer - 2WD
🢒
Body and Accessories
🢒
Wiring Systems
🢒 Theft Deterrent System Schematics
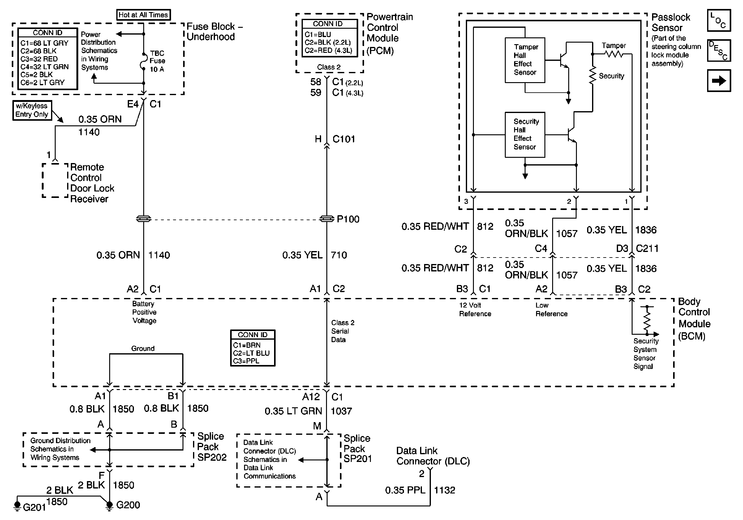
Figure
1:
Power, Ground and Passlock⢠Sensor
Master Electrical Component List
Door Jamb Switch Inputs
STUD 2, ABS, TBC and RR W/W Fuses
G200, G201 and G207 (Pickup and Crew Cab)
SP201 (2.2L)
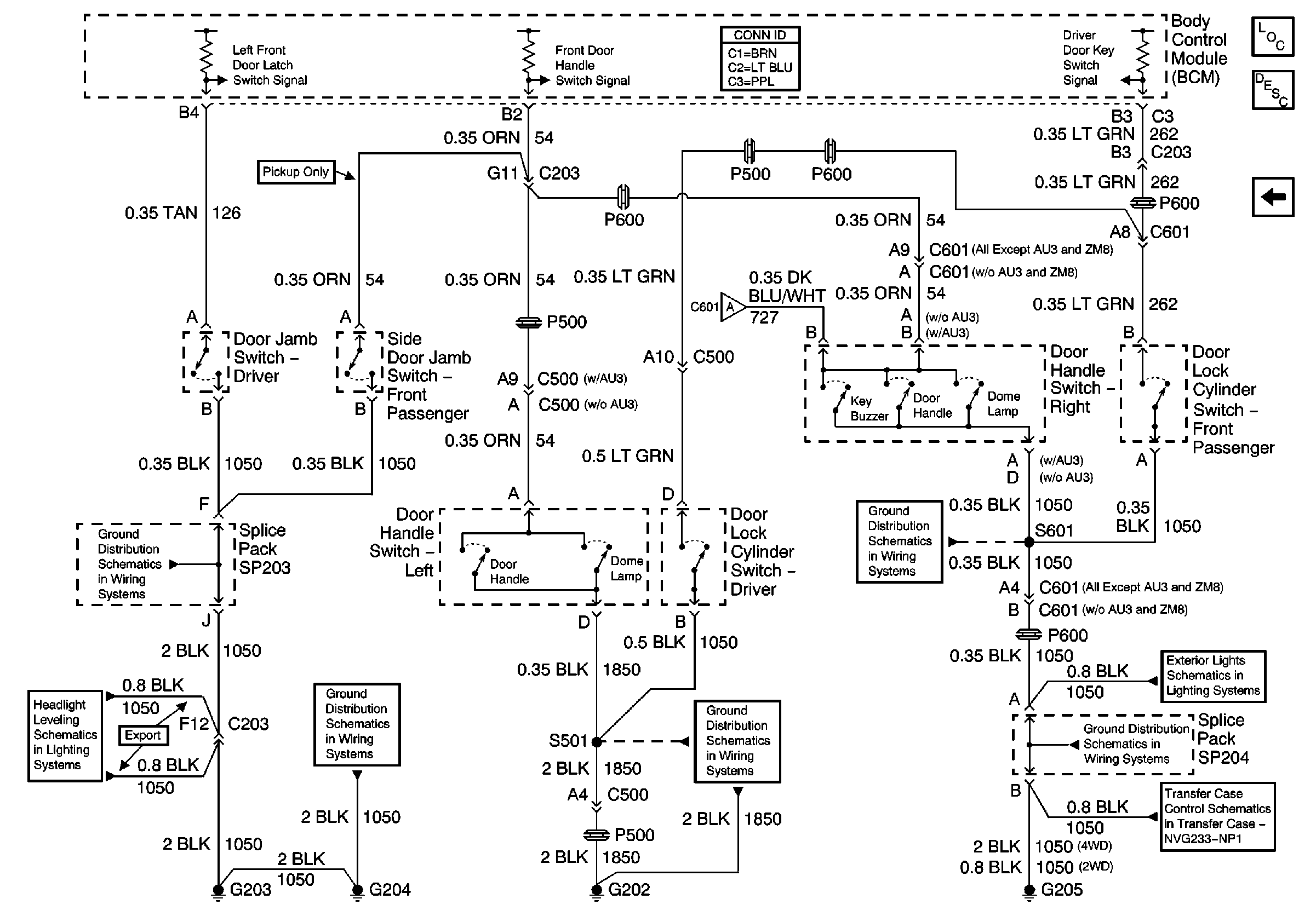
Figure
2:
Door Jamb Switch Inputs
Master Electrical Component List
Door Handle Switch Inputs
Power, Ground and Passlock ™ Sensor
Door Handle Switch Inputs
G420,G450 and S427 (Utility w/ Endgate and Crew Cab)
G200, G201 and G207 (Envoy)
G200, G201 and G207 (Pickup and Crew Cab)
Figure
3:
Door Handle Switch Inputs
Master Electrical Component List
Door Jamb Switch Inputs
Door Jamb Switch Inputs
Headlight Leveling Schematics (Export)
G203 and G204 (Pickup)
G203 and G204 (Pickup)
G202 (Pickup Except Crew Cab)
G205 (Utility and Crew Cab)
Multifunction Switch (Turn Signal Switch) And Turn Signal/Hazard Flasher Module
G205 (Utility and Crew Cab)
Power and Ground