GM Service Manual Online
For 1990-2009 cars only
Makes
🢒
Chevrolet
🢒
2001
🢒
Blazer - 2WD
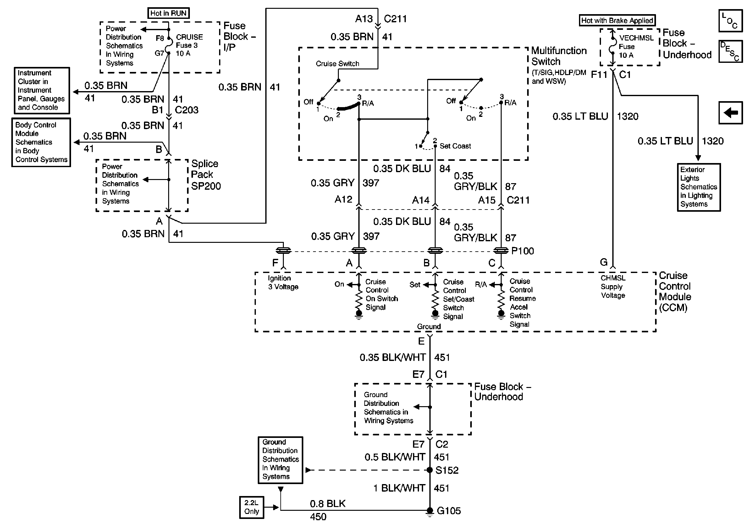
🢒 CRUISE Fuse, Multifunction Switch and Cruise Control Module
CRUISE Fuse, Multifunction Switch and Cruise Control Module
CRUISE Fuse, Multifunction Switch and Cruise Control Module
Master Electrical Component List
Cruise Control Description and Operation
Clutch Pedal Position Switch, Stoplamp Switch, PCM and Cruise Control Module
Power and Ground
Power and Ground
Ign ACC, RUN and RAP Bus Bar
HVAC and CRUISE Fuses
Multifunction Switch (Turn Signal Switch) And Turn Signal/Hazard Flasher Module
G103 and G105 (2.2 L)
G103 and G105 (2.2 L)