GM Service Manual Online
For 1990-2009 cars only
Makes
🢒
Chevrolet
🢒
2001
🢒
Blazer - 2WD
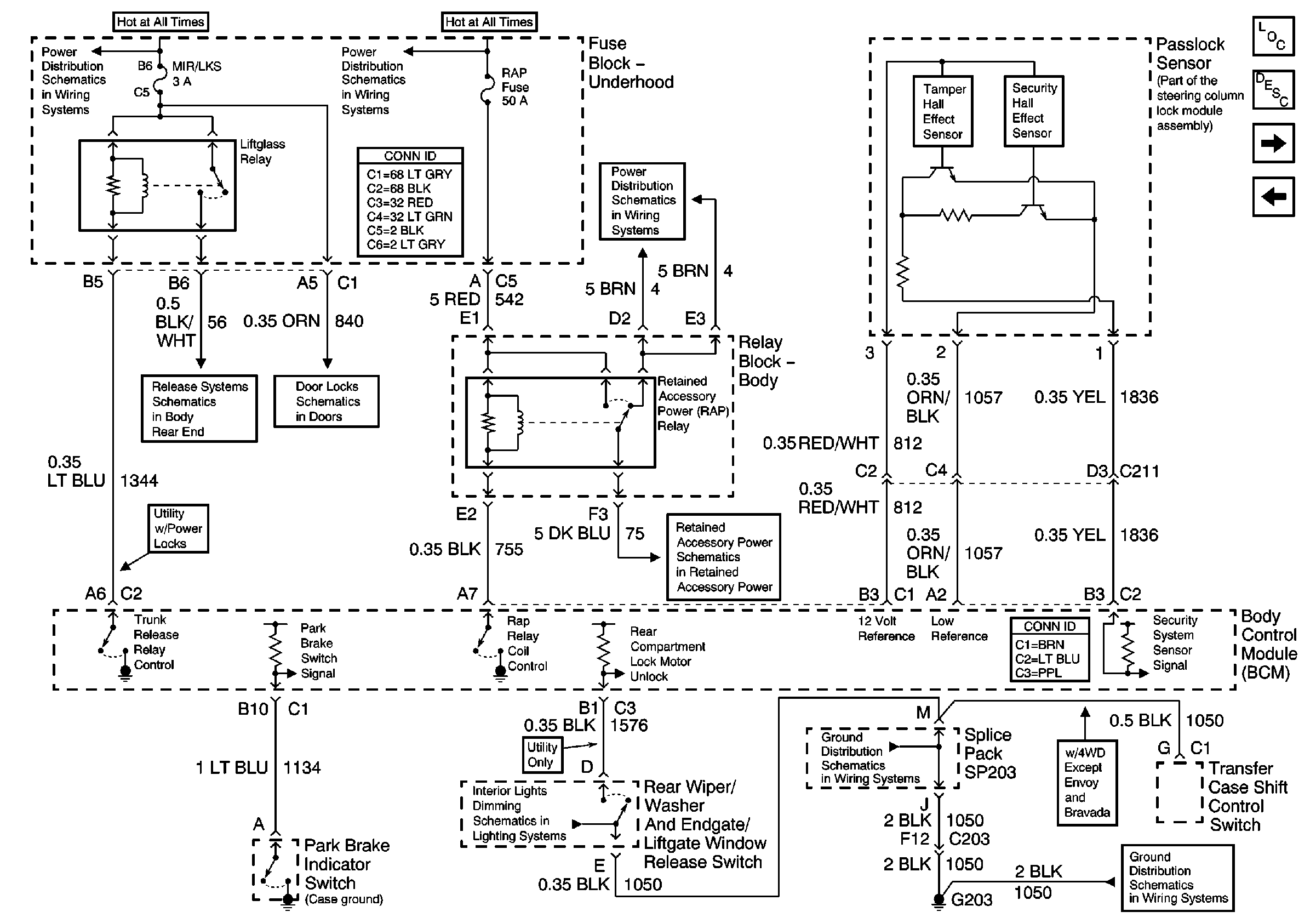
🢒 Passlock ™ Sensor, Liftglass Relay and RAP Relay
Passlock ™ Sensor, Liftglass Relay and RAP Relay
Passlock⢠Sensor, Liftglass Relay and RAP Relay
Master Electrical Component List
Body Control System Description and Operation
Seat Belt Switch, Headlamp Ambient Light Sensor and PCM
Horns
B+ Bus Bar
B+ Bus Bar
Ign ACC, RUN and RAP Bus Bar
Output
Door Lock Switch Inputs
RDO IGN and STR WHL RDO IGN Fuses
ILLUM Fuse 12
G203 and G204 (Envoy)
G203 and G204 (Utility w/ Manual A/C)