GM Service Manual Online
For 1990-2009 cars only
Makes
🢒
Chevrolet
🢒
2001
🢒
Blazer - 2WD
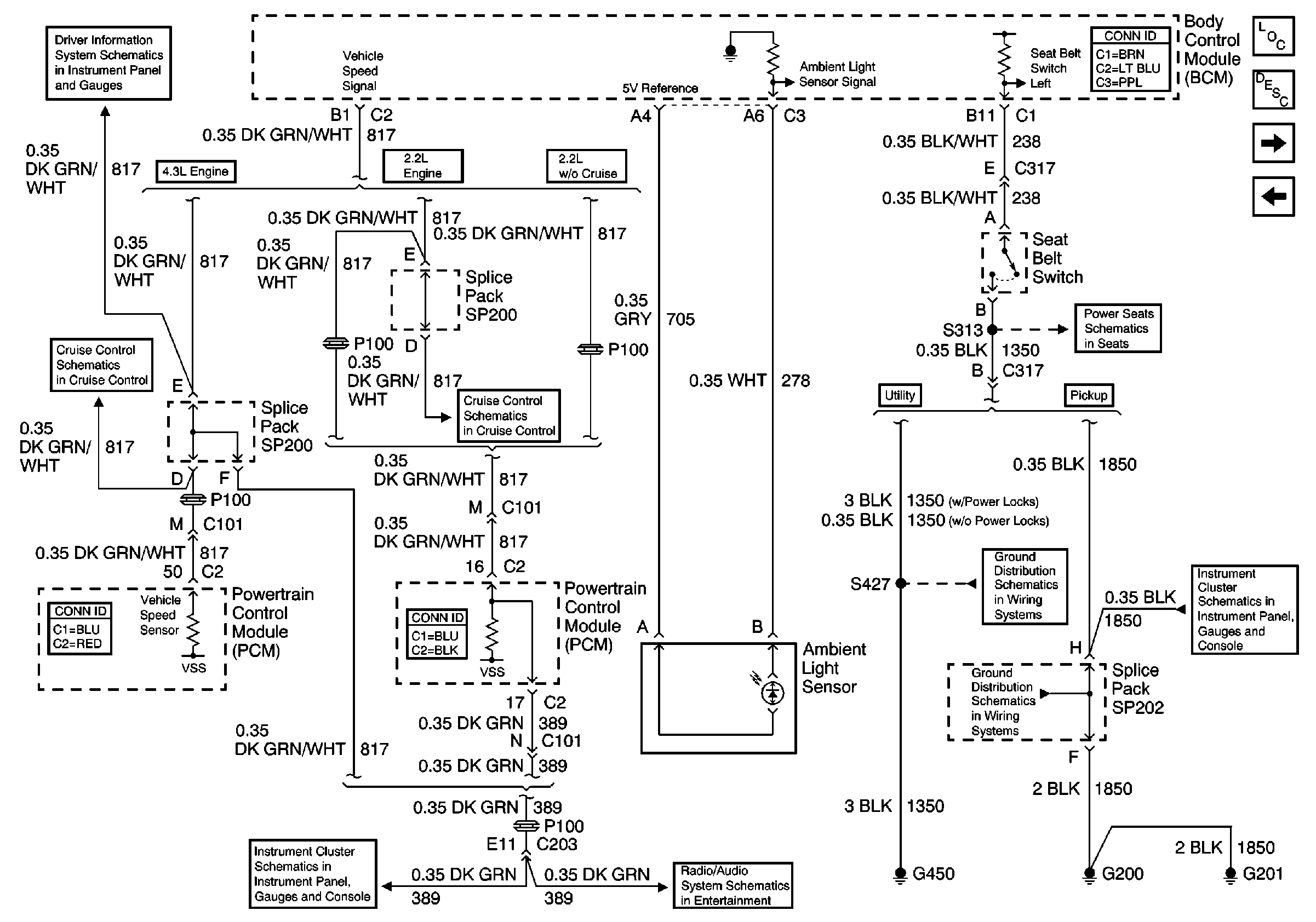
🢒 Seat Belt Switch, Headlamp Ambient Light Sensor and PCM
Seat Belt Switch, Headlamp Ambient Light Sensor and PCM
Seat Belt Switch, Headlamp Ambient Light Sensor and PCM
Master Electrical Component List
Body Control System Description and Operation
Power Door Lock Relays, Remote Control Door Lock Receiver
Passlock ™ Sensor, Liftglass Relay and RAP Relay
w/o Trip Computer
Clutch Pedal Position Switch, Stoplamp Switch, PCM and Cruise Control Module
Clutch Pedal Position Switch, Stoplamp Switch, PCM and Cruise Control Module
Gauges
6-Way LH Power Seat
Ground (Chevy/GMC)
G420,G450 and S427 (Utility w/ Endgate and Crew Cab)
Indicators
G200, G201 and G207 (Pickup and Crew Cab)