GM Service Manual Online
For 1990-2009 cars only
Makes
🢒
Chevrolet
🢒
2005
🢒
Blazer - 2WD
🢒
Body
🢒
Wiring Systems
🢒 Fog Lights Schematics
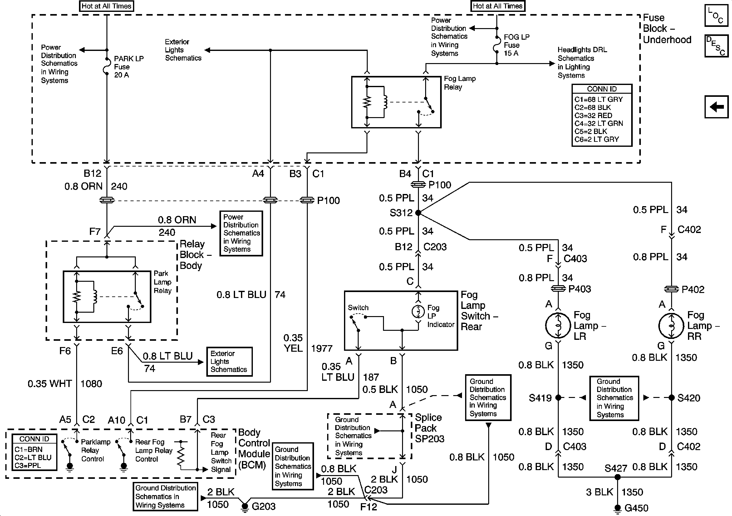
Figure
1:
Front
Master Electrical Component List
Exterior Lighting Systems Description and Operation
Rear - Export
B+ Bus Bar
Park/Turn Signal Lamps, Marker Lamps and Turn Signal Fuses, Front
B+ Bus Bar
DRL and Headlamp Power Relays
ILLUM, STG WHL ILLUM, and PARK LP Fuses
Park/Turn Signal Lamps, Marker Lamps and Turn Signal Fuses, Front
ILLUM Fuse 12
G203 and G204 - Utility w/Manual A/C
G203 and G204 - Utility w/Manual A/C
G111 and G112 - Except Export
G111 and G112 - Except Export
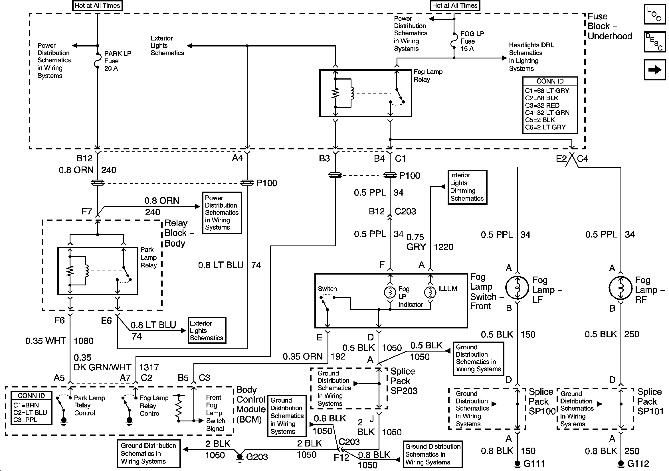
Figure
2:
Rear (Export)
Master Electrical Component List
Exterior Lighting Systems Description and Operation
Front
B+ Bus Bar
Park/Turn Signal Lamps, Marker Lamps and Turn Signal Fuses, Front
B+ Bus Bar
DRL and Headlamp Power Relays
ILLUM, STG WHL ILLUM, and PARK LP Fuses
Park/Turn Signal Lamps, Marker Lamps and Turn Signal Fuses, Front
G203 and G204 - Utility w/Manual A/C
G203 and G204 - Utility w/Manual A/C
G203 and G204 - Utility w/Manual A/C
G203 and G204 - Utility w/Manual A/C
S313 and S419