GM Service Manual Online
For 1990-2009 cars only
Makes
🢒
Chevrolet
🢒
2001
🢒
Blazer - 4WD - RHD
🢒
Body and Accessories
🢒
Instrument Panel, Gauges, and Console
🢒 Audible Warnings Schematics
Figure
1:
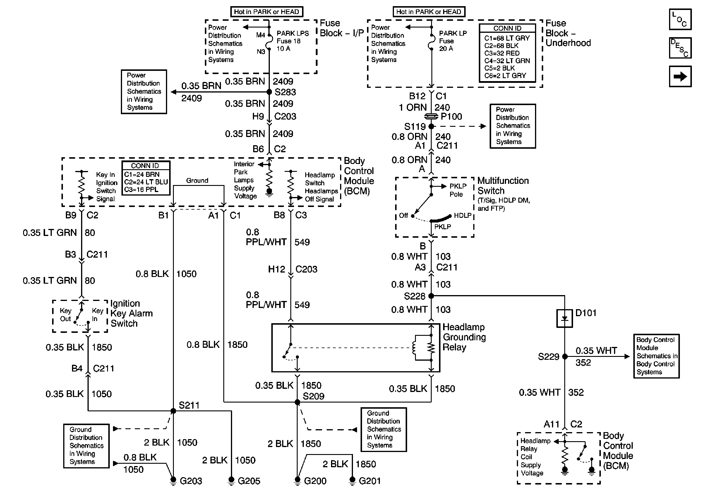
Power, Ground and BCM
Master Electrical Component List
Audible Warnings Description and Operation
CRUISE, GAUGES and TBC Fuses
ILLUM and PARK LP Fuses
ILLUM and PARK LP Fuses
B+ Bus Bar
PARK LP, FR PRK, LR PRK, RR PRK, and TRL PRK Fuses
G203 and G205
G200 and G201
Headlights
Figure
2:
CRUISE, GAUGES and TBC Fuses
Master Electrical Component List
Audible Warnings Description and Operation
Turn Signals
Power, Ground and BCM
B+ Bus Bar
Ign START, RUN and ACC Bus Bar
Power
RDO IGN, FRT WPR, RR WIPER, ABS and CRUISE Fuses
G450
SP203
Cigar Lighter/Auxiliary Outlets Schematics
G200 and G201
Ign START, RUN and ACC Bus Bar
Figure
3:
Turn Signals
Master Electrical Component List
Audible Warnings Description and Operation
CRUISE, GAUGES and TBC Fuses
Hazard Switch, TURN, and HAZ LP Fuses
Turn Signal Switch, RH TURN, RH REAR TURN, and TRL TURN Fuses
Headlamp Washers
G111 and G112
G111 and G112
Headlamp Washers