GM Service Manual Online
For 1990-2009 cars only
Makes
🢒
Chevrolet
🢒
2001
🢒
Blazer - 4WD - RHD
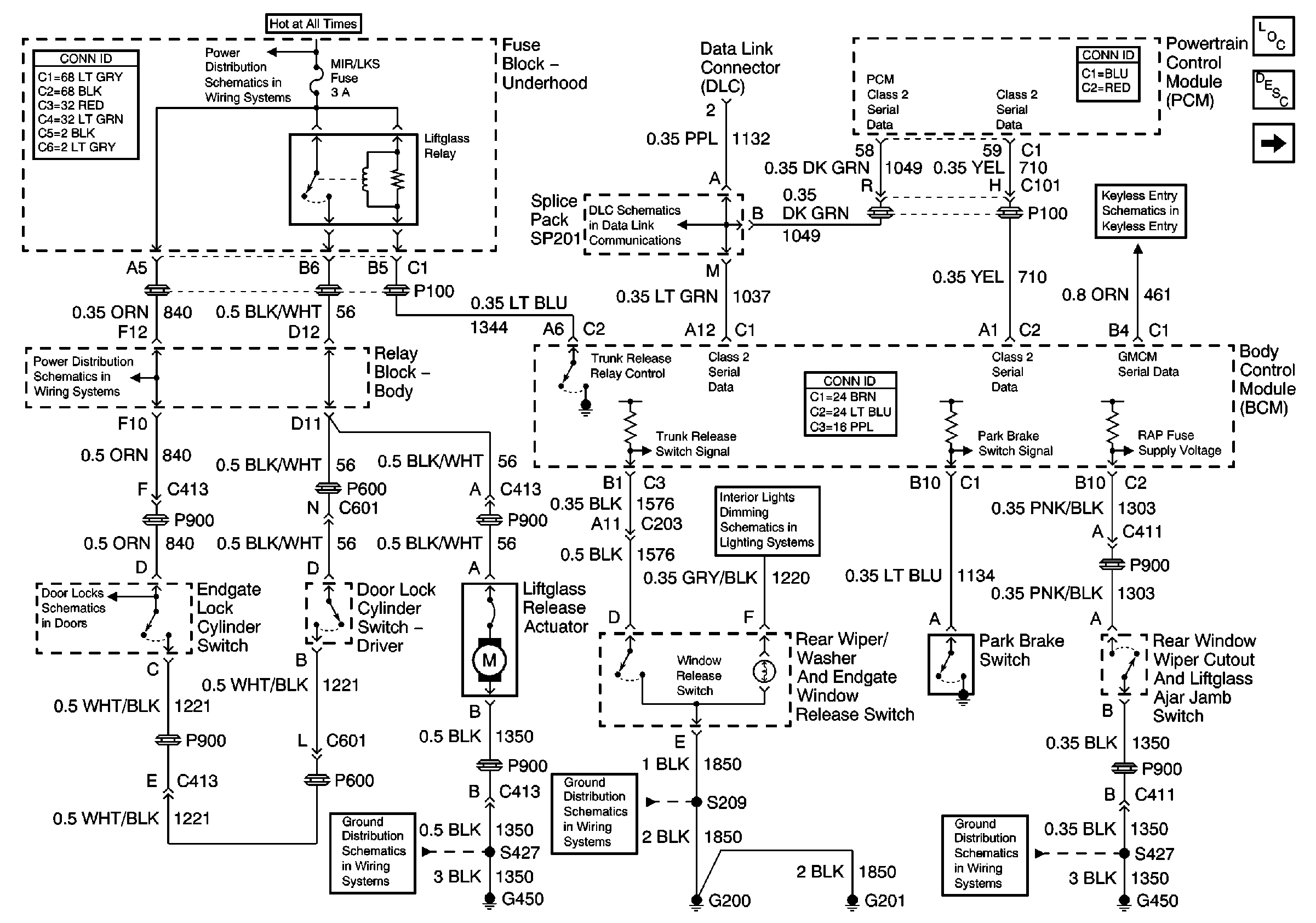
🢒 Liftglass Release Actuator and Switch
Liftglass Release Actuator and Switch
Liftglass Release Actuator and Switch
Master Electrical Component List
Rear Hatch/Gate Description and Operation General
Gate Ajar Indicator
B+ Bus Bar
MIR/LKS, LH HDLP and RH HDLP Fuses
Underhood Fuse Block and Endgate Lock Cylinder Switch
G450
Splice Pack SP201 and Modules
G200 and G201
Hazard Switch, Radio, Instrument Panel Cluster (IPC) And Ground
Keyless Entry Schematics
G450