GM Service Manual Online
For 1990-2009 cars only
Makes
🢒
Chevrolet
🢒
2007
🢒
Caprice WM
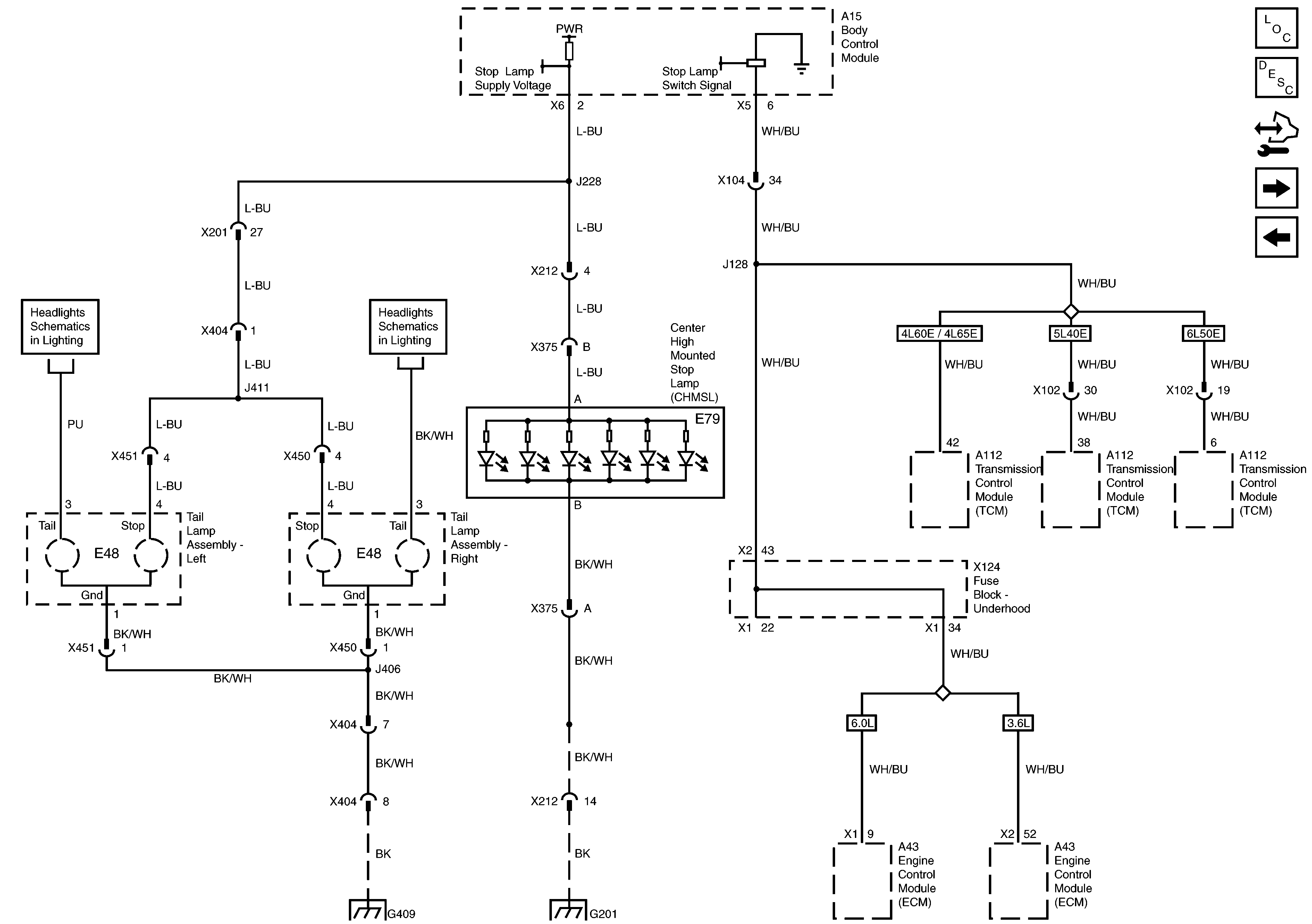
🢒 Stop Lamps Power and Ground
Stop Lamps Power and Ground
Stop Lamps Power and Ground
Master Electrical Component List
Exterior Lighting Systems Description and Operation CSV SWBHSV
Control Module References
Turn Signal Multifunction Switch, Front, Side and Rear Repeater Lamps Power and Ground
Backup Lamps Power and Ground
G401 and G409
G201 - 1 of 2
Headlamp and Turn Signal Multifunction Switches and Ambient Light Sensors
Headlamp and Turn Signal Multifunction Switches and Ambient Light Sensors