GM Service Manual Online
For 1990-2009 cars only
Makes
🢒
Chevrolet
🢒
2000
🢒
Chevy C Pickup - 2WD
🢒
Body and Accessories
🢒
Seats
🢒 Lumbar Support Schematics
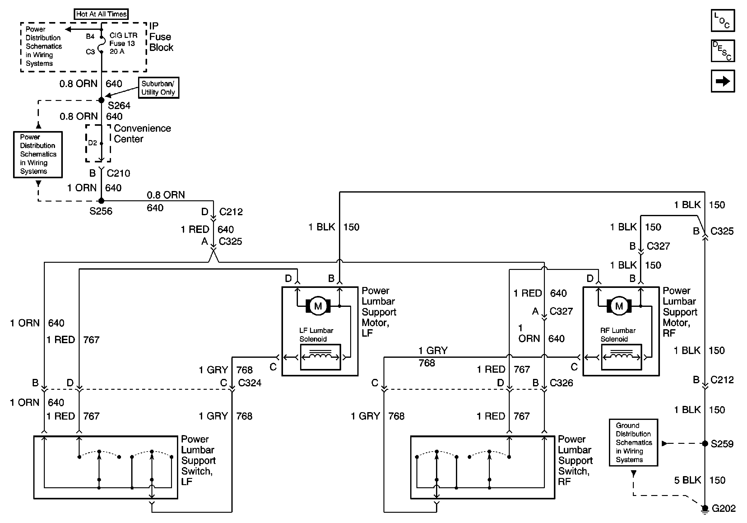
Figure
1:
Bench Seat
Power Seat Systems Components
Power Lumbar Circuit Description
Split Bench Seat
CIG LTR Fuse
CIG LTR Fuse
G202 (1 of 4)
Figure
2:
Split Bench Seat
Power Seat Systems Components
Power Lumbar Circuit Description
Bucket Seats
Bench Seat
CIG LTR Fuse
CIG LTR Fuse
G202 (1 of 4)
G202 (1 of 4)
ell 141: PWR-ACCY Circ Brkr, Power Lumbar Seat Sws, Motors, G202 (00C/K)
ell 141: PWR-ACCY Circ Brkr, Power Lumbar Seat Sws, Motors, G202 (00C/K)
Figure
3:
Bucket Seats
Power Seat Systems Components
Power Lumbar Circuit Description
Split Bench Seat
AUX Fuse and PWR-ACCY Circuit Breaker
AUX Fuse and PWR-ACCY Circuit Breaker
AUX Fuse and PWR-ACCY Circuit Breaker
G202 (1 of 4)
G202 (1 of 4)
ell 141: PWR-ACCY Circ Brkr, Power Lumbar Seat Sws, Motors, G202 (00C/K)
ell 141: PWR-ACCY Circ Brkr, Power Lumbar Seat Sws, Motors, G202 (00C/K)
ell 141: PWR-ACCY Circ Brkr, Power Lumbar Seat Sws, Motors, G202 (00C/K)
ell 141: PWR-ACCY Circ Brkr, Power Lumbar Seat Sws, Motors, G202 (00C/K)