GM Service Manual Online
For 1990-2009 cars only
Makes
🢒
Chevrolet
🢒
2000
🢒
Chevy C Pickup - 2WD
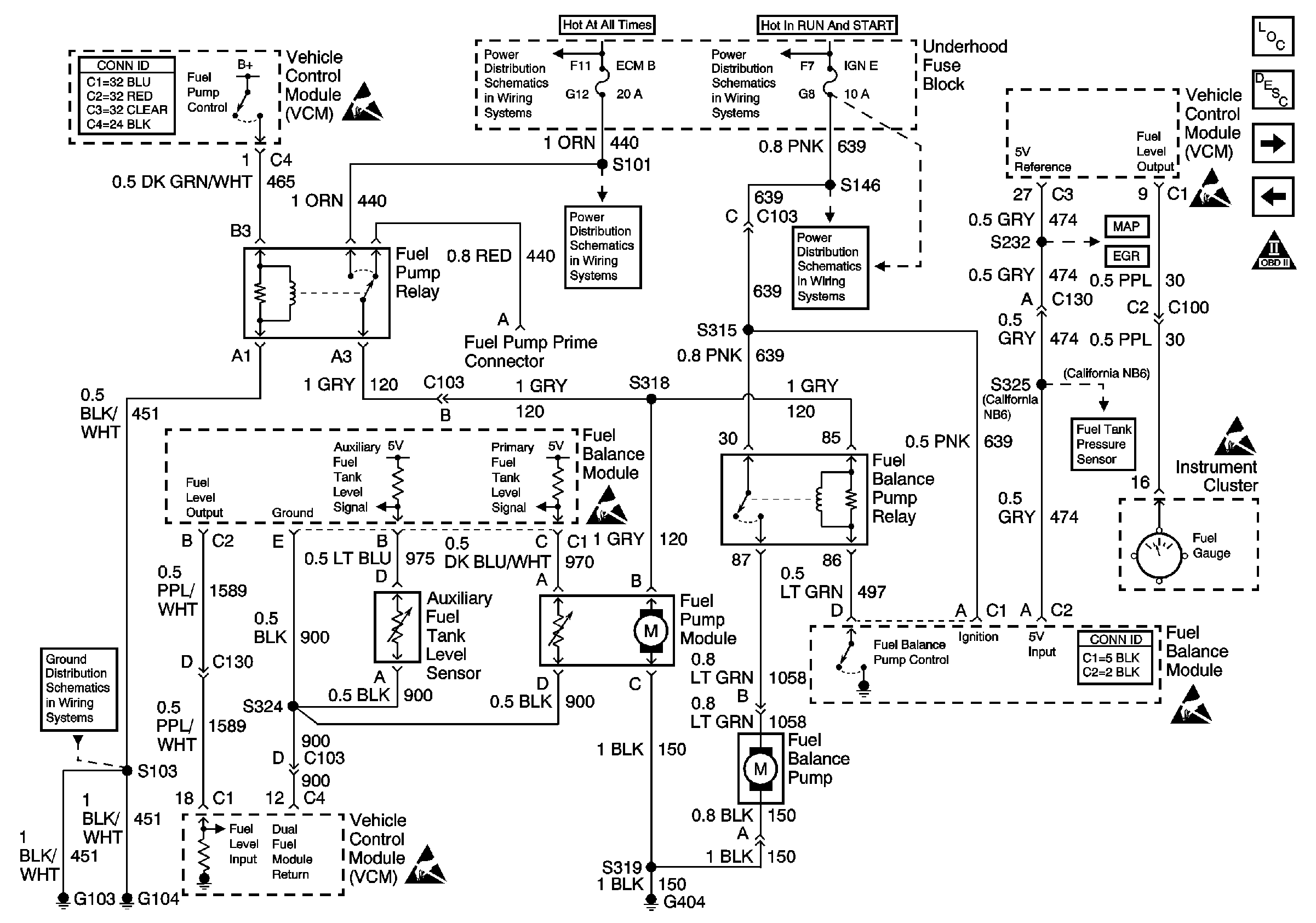
🢒 Fuel Pump Control - Dual Tanks
Fuel Pump Control - Dual Tanks
Fuel Pump Control -- Dual Tanks
Engine Controls Components
Fuel Supply Component Description
EXPORT-Fuel Pump Control, Single Tank
Fuel Pump Control-Single Tank
OBD II Symbol Description Notice
Handling ESD Sensitive Parts Notice
Handling ESD Sensitive Parts Notice
Handling ESD Sensitive Parts Notice
Handling ESD Sensitive Parts Notice
Handling ESD Sensitive Parts Notice
Handling ESD Sensitive Parts Notice
G103 and G104
Battery, and Underhood Fuse Block
ECM-B, HORN and A/C COMP Fuses
IGN A Fuse and Ignition Switch
IGN E Fuse
Engine Data Sensors
EVAP and EGR Controls, Fuel Tank Pressure Sensor
EVAP and EGR Controls, Fuel Tank Pressure Sensor
Gauges