GM Service Manual Online
For 1990-2009 cars only
Makes
🢒
Chevrolet
🢒
2000
🢒
Chevy C Pickup - 2WD
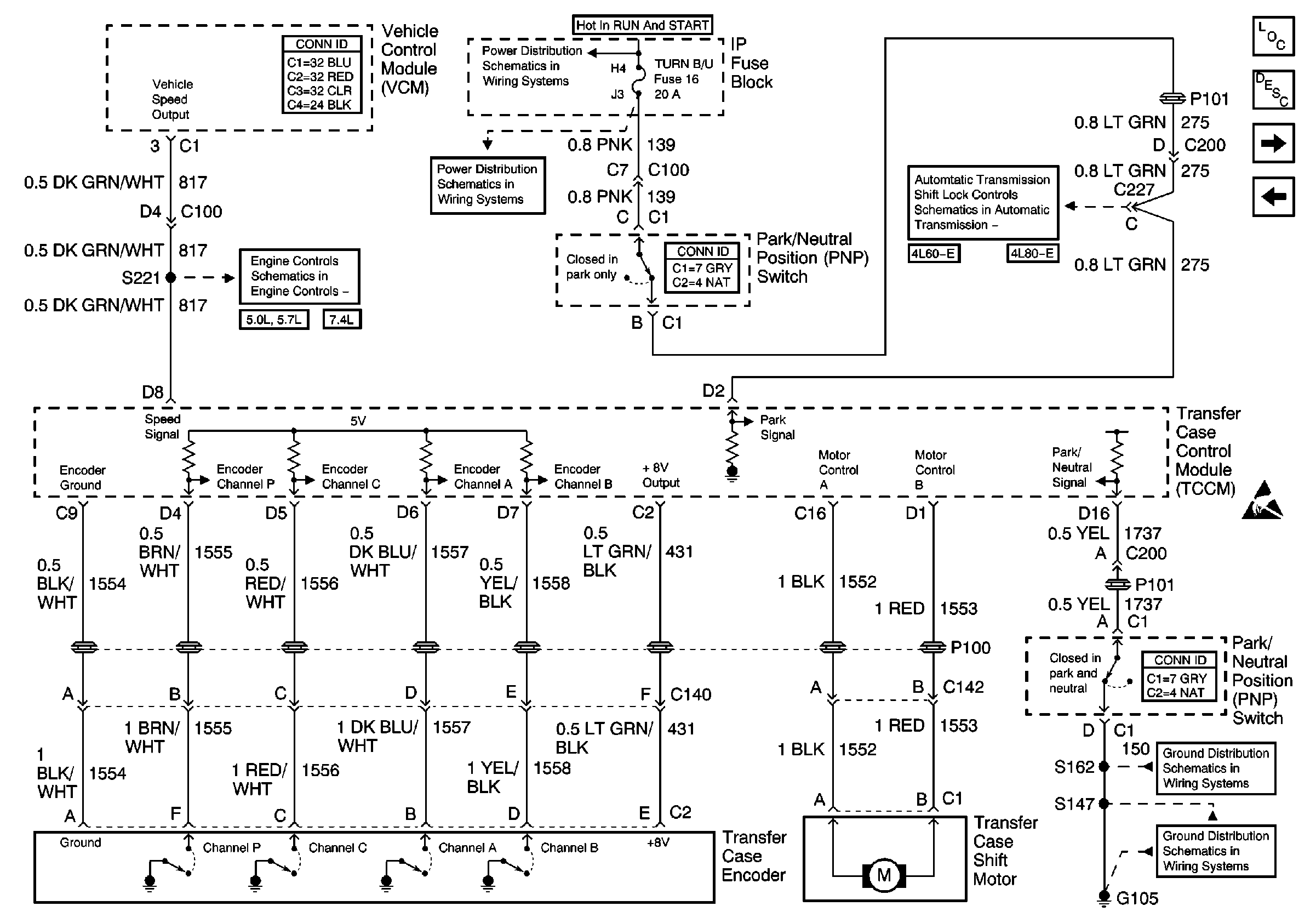
🢒 Control Module and Shift Motor/Encoder - Gasoline Engines
Control Module and Shift Motor/Encoder - Gasoline Engines
Control Module and Shift Motor/Encoder -- Gasoline Engines
Transfer Case Control Components
Transfer Case Description
Control Module and Shift Motor/Encoder - Diesel Engines
Control Module Power, Grounding, DLC, and Select Switch
Handling ESD Sensitive Parts Notice
IGN A Fuse and Ignition Switch
AIR BAG, TURN B/U, CRANK, and TRANS Fuses
VSS and Cruise Controls
VSS Circuit and Cruise Control
G105 (2 of 2)
G105 (1 of 2)
Automatic Transmission Shift Lock Control Circuit
Automatic Transmission Shift Lock Control Circuit