GM Service Manual Online
For 1990-2009 cars only

Step

Action

Yes

No

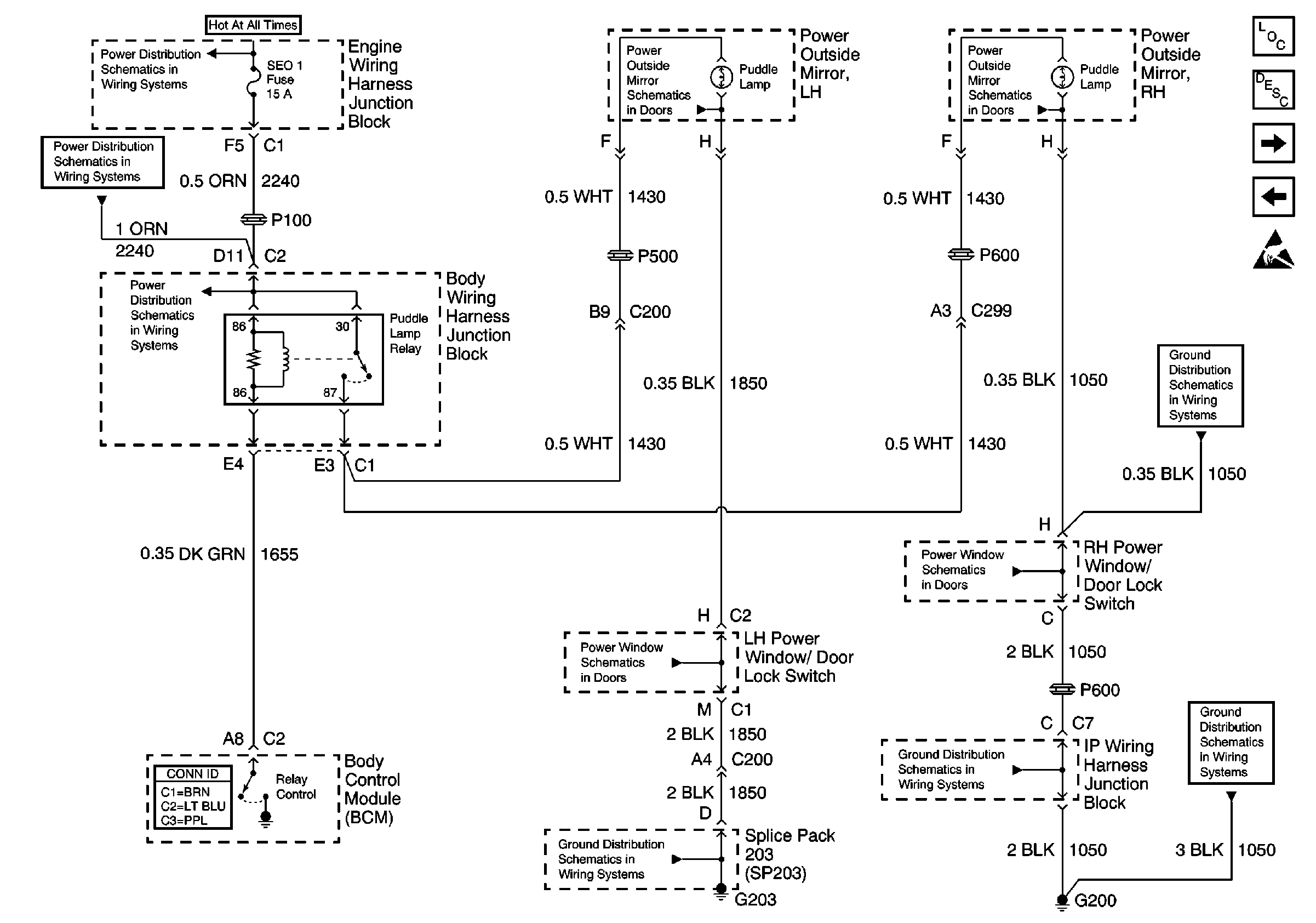
Schematic Reference:

Puddle Lamp Relay, BCM, G200, LH and RH Puddle Lamps and G203


Object Number: 492520  Size: FS
Lighting Systems Components
Exterior Lights Circuit Description
BCM, G203, Cargo Lamp, CTSY LP Fuse, Inadvertent Power Relay
Rear Stop, Tail, Turn and License Lamps, G401- Utilities
Handling ESD Sensitive Parts Notice
Power Distribution Schematics
Power Distribution Schematics
Power Distribution Schematics
Ground Distribution Schematics
Ground Distribution Schematics
Ground Distribution Schematics
Ground Distribution Schematics
Outside Rearview Mirror Schematics
Outside Rearview Mirror Schematics
Power Window Schematics Pickup
Power Window Schematics Pickup

1

Did you perform the Lighting Diagnostic System Check?

Go to Step 2

Go to Diagnostic System Check - Lighting Systems

2

Verify the fault is present.

Does the system operate normally?

Go to Testing for Intermittent Conditions and Poor Connections in Wiring Systems

Go to Step 3

3

Open the driver's door.

Does the courtesy lamps operate normally?

Go to Step  4

Go to Courtesy Lamps Inoperative

4

Are both exterior courtesy (puddle) lamps inoperative?

Go to Step   5

5

  1. Turn ON the ignition, with engine OFF.
  2. With the scan tool, command the puddle lamp relay ON and OFF.

Does the puddle lamps come on and off with each command?

Go to Step   12

Go to Step   6

6

  1. Disconnect the puddle lamp relay.
  2. Using a J 35616-A , connect a 3 amp jumper wire between the battery positive voltage circuit and the exterior courtesy lamp supply circuit.

Does the puddle lamps illuminate?

Go to Step   13

Go to Step   7

7

Inspect for poor connections at connector C1 terminal E3

Did you find and correct the condition?

Go to Step   15

Go to Step   8

8

Inspect the bulb(s).

Is the filament(s) open?

Go to Step   14

Go to Step   9

9

Test the exterior courtesy lamp supply circuit for an open and high resistance. Refer to Circuit Testing in Wiring Systems.

Did you find the condition?

Go to Step   10

Go to Step   11

10

Repair the open in the exterior courtesy lamp supply circuit. Refer to Wiring Repairs in Wiring Systems.

Did you complete the repair?

Go to Step   15

--

11

Repair the open ground circuit. Refer to Wiring Repairs in Wiring Systems.

Did you complete the repair?

Go to Step   15

--

12

Replace the Body Control Module (BCM). Refer to Body Control Module Replacement in Body Control System.

Did you complete the replacement?

Go to Step   15

--

13

Replace the puddle lamp relay.

Did you complete the replacement?

Go to Step   15

--

14

Replace the lamp(s).

Did you complete the replacement?

Go to Step   15

--

15

Operate the system in order to verify the repair.

Did you correct the condition?

System OK

Go to Step 3