GM Service Manual Online
For 1990-2009 cars only
Makes
🢒
Chevrolet
🢒
2002
🢒
Chevy C Silverado - 2WD
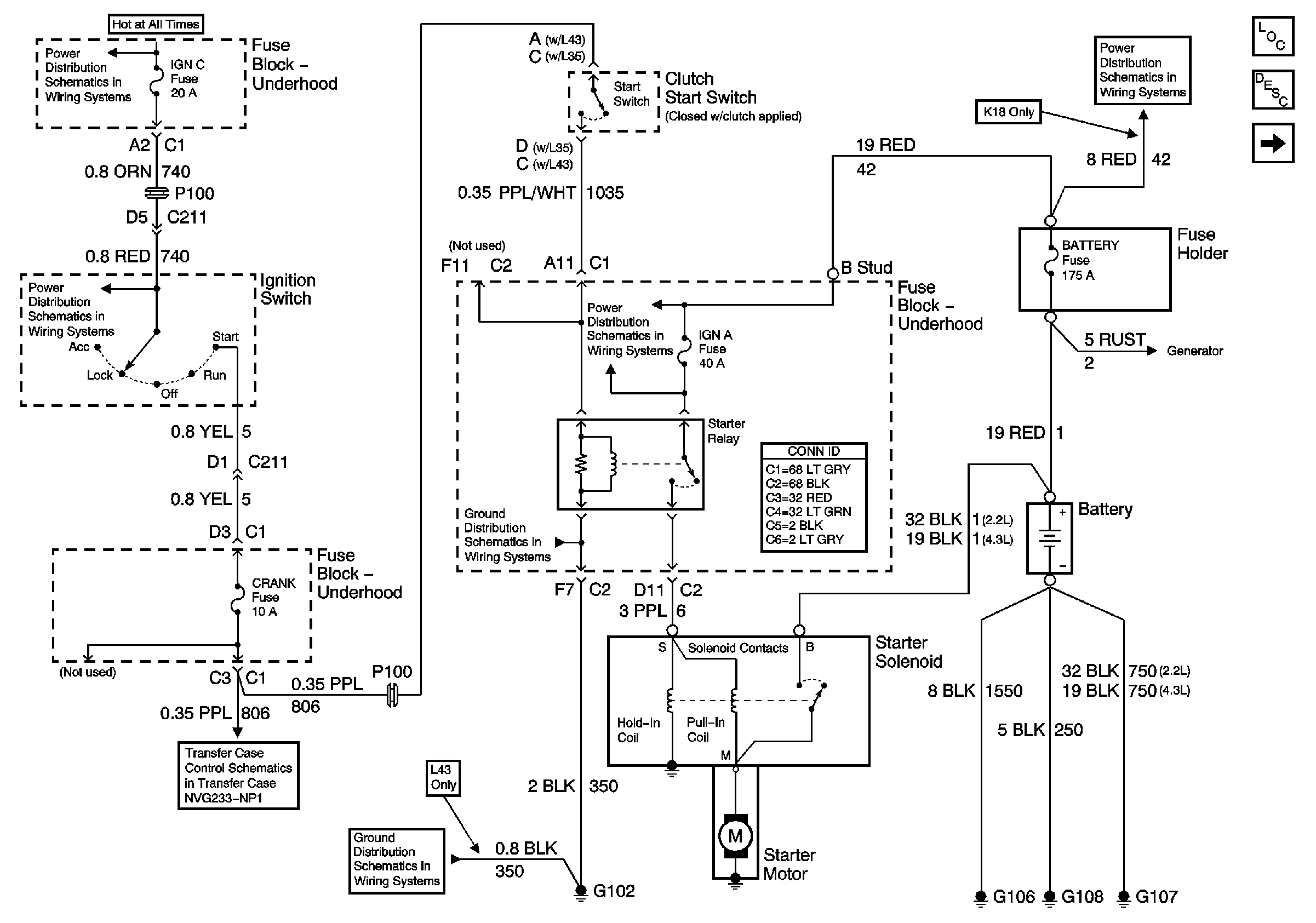
🢒 Manual Transmission Starting
Manual Transmission Starting
Manual Transmission Starting
Master Electrical Component List
Starting System Description and Operation
Automatic Transmission Starting
B+ Bus Bar
Ign RUN and START Bus Bar
Front Axle Indicator Switch and Powertrain Control Module (PCM)
CRANK Fuse, Front Axle Indicator Switch, and Front Axle Vacuum Solenoid
G102 (Except Export)
G102 (Except Export)
B+ Bus Bar
B+ Bus Bar
Engine Charging (2.2 L)