GM Service Manual Online
For 1990-2009 cars only
Makes
🢒
Chevrolet
🢒
2002
🢒
Chevy C Silverado - 2WD
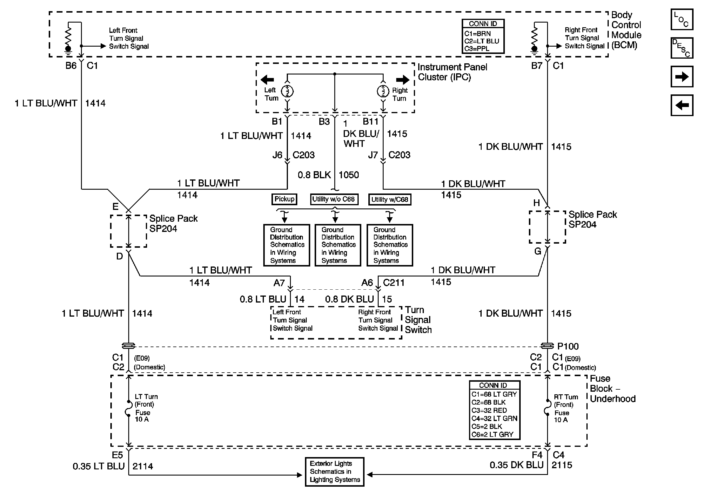
🢒 Turn Signals
Turn Signals
Turn Signals
Master Electrical Component List
Audible Warnings Description and Operation
BCM, PCM and Headlamp Switch
Seat Belt Switch, Ignition Key Alarm Switch, Door Jamb Switch and Headlamp Switch
G203 and G204 (Pickup)
G203 and G204 (Utility w/ Manual A/C)
G203 and G204 (Utility w/ Automatic A/C)
Park/Turn Signal Lamps, Marker Lamps and Turn Signal Fuses, Front