GM Service Manual Online
For 1990-2009 cars only
Makes
🢒
Chevrolet
🢒
2002
🢒
Chevy C Silverado - 2WD
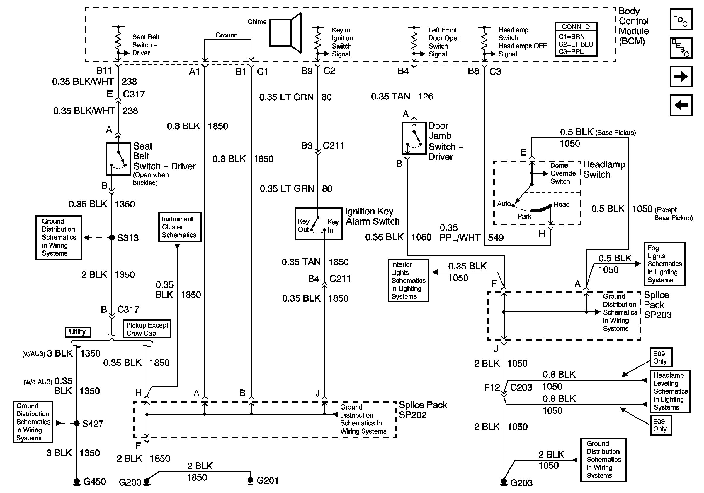
🢒 Seat Belt Switch, Ignition Key Alarm Switch, Door Jamb Switch and Headlamp Switch
Seat Belt Switch, Ignition Key Alarm Switch, Door Jamb Switch and Headlamp Switch
Seat Belt Switch, Ignition Key Alarm Switch, Door Jamb Switch and Headlamp Switch
Master Electrical Component List
Audible Warnings Description and Operation
Turn Signals
TBC, PARK LPS, GAGES and CRUISE Fuses
S313 and S419
G420,G450 and S427 (Utility and Crew Cab)
Indicators
Front Door Jamb and Door Handle Switches
G200, G201 and G207 (Pickup and Crew Cab)
Front
G203 and G204 (Pickup)
Headlight Leveling Schematics
G203 and G204 (Pickup)