GM Service Manual Online
For 1990-2009 cars only
Makes
🢒
Chevrolet
🢒
2002
🢒
Chevy C Silverado - 2WD
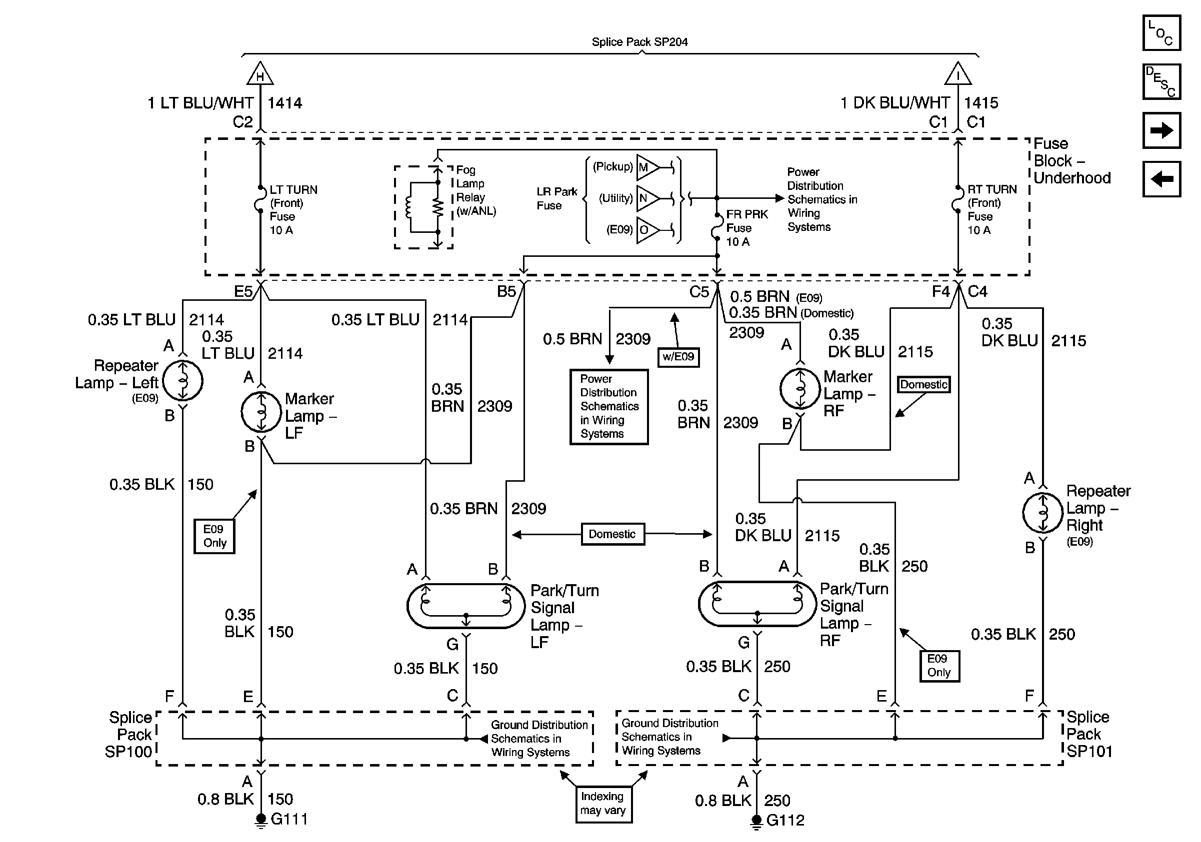
🢒 Park/Turn Signal Lamps, Marker Lamps and Turn Signal Fuses, Front
Park/Turn Signal Lamps, Marker Lamps and Turn Signal Fuses, Front
Park/Turn Signal Lamps, Marker Lamps and Turn Signal Fuses, Front
Master Electrical Component List
Exterior Lighting Systems Description and Operation
Fuse Block - Underhood
Turn Signal Fuses
Instrument Cluster Turn Signal Indicators
Park/Turn Signal Lamps, Marker and License Lamps, Rear - Pickup
Park and License Lamps, Rear - Utility
Tail, Stop and License Lamps - Export
FR PRK, LR PRK, RR PRK Fuses and Fog Lamp Relay (Pickup)
Instrument Cluster Turn Signal Indicators
G111 and G112 (Except Export)
G111 and G112 (Except Export)