GM Service Manual Online
For 1990-2009 cars only
Makes
🢒
Chevrolet
🢒
2002
🢒
Chevy C Silverado - 2WD
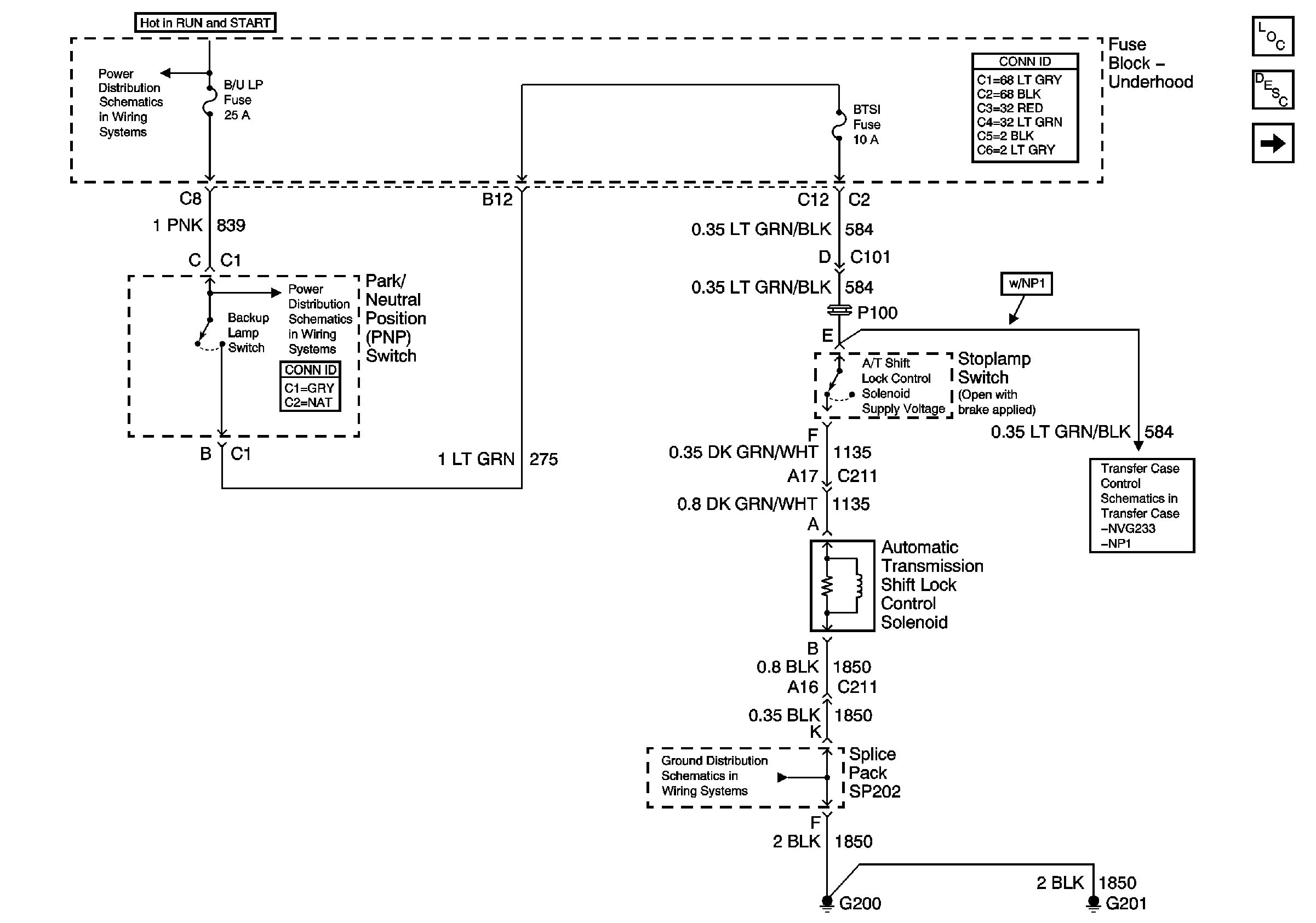
🢒 Park/Neutral Position (PNP) Switch and Automatic Transmission Shift Lock Solenoid (Pickup w/ Column Shift)
Park/Neutral Position (PNP) Switch and Automatic Transmission Shift Lock Solenoid (Pickup w/ Column Shift)
Park/Neutral Position (PNP) Switch and Automatic Transmission Shift Lock Solenoid - Pickup w/ Column Shift
Master Electrical Component List
Automatic Transmission Shift Lock Control Description and Operation
Park/Neutral Position (PNP) Switch and Automatic Transmission Shift Lock Solenoid (Crew Cab and Utility w/ Column Shift)
Ign RUN and START Bus Bar
B/U LP, TRL B/U, VEH B/U, and BTSI Fuses (Automatic Transmission)
Backup Lamps - Pickup
Front Axle Indicator Switch and Powertrain Control Module (PCM)
G200, G201 and G207 (Pickup and Crew Cab)