GM Service Manual Online
For 1990-2009 cars only

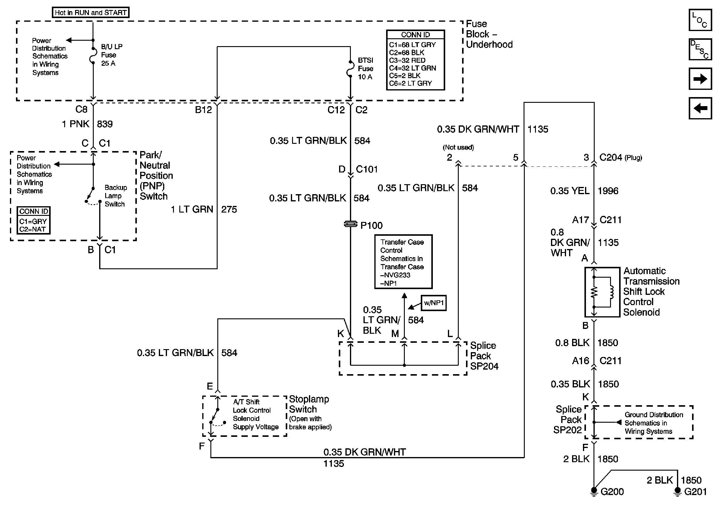
Park/Neutral Position (PNP) Switch and Automatic Transmission Shift Lock Solenoid (Crew Cab and Utility w/ Column Shift)

Park/Neutral Position (PNP) Switch and Automatic Transmission Shift Lock Solenoid - Crew Cab and Utility w/ Column Shift


Object Number: 755932  Size: FS
Master Electrical Component List
Automatic Transmission Shift Lock Control Description and Operation
Park/Neutral Position (PNP) Switch, and Automatic Transmission Controller(Utility w/ Floor Shift)
Park/Neutral Position (PNP) Switch and Automatic Transmission Shift Lock Solenoid (Pickup w/ Column Shift)
Ign RUN and START Bus Bar
B/U LP, TRL B/U, VEH B/U, and BTSI Fuses (Automatic Transmission)
Backup Lamps - Utility
Front Axle Indicator Switch and Powertrain Control Module (PCM)
G200, G201 and G207 (Utility)