GM Service Manual Online
For 1990-2009 cars only
Makes
🢒
Chevrolet
🢒
2002
🢒
Chevy C Silverado - 2WD
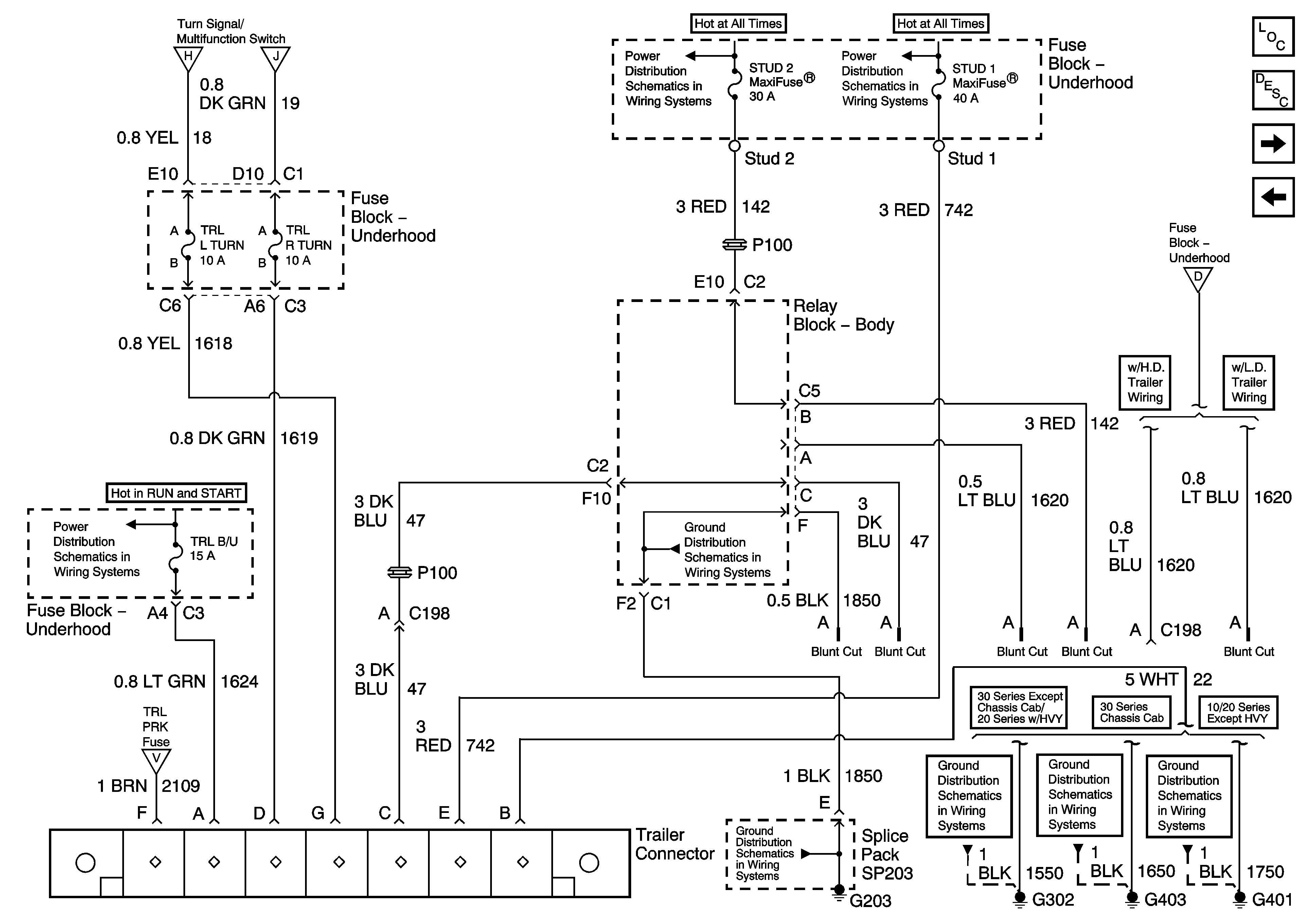
🢒 Heavy Duty Trailer Wiring
Heavy Duty Trailer Wiring
Heavy Duty Trailer Wiring
Master Electrical Component List
Exterior Lighting Systems Description and Operation
Exterior Illumination Control
CHMSL and Light Duty Trailer Wiring
Turn Signal/Multifunction Switch and Stop Lamp Switch Controls
Turn Signal/Multifunction Switch and Stop Lamp Switch Controls
ABS, HAZ LP, STUD 1, HTD MIR, RR DEFOG, STUD 2, CTSY LP, and PARK LP Fuses
ABS, HAZ LP, STUD 1, HTD MIR, RR DEFOG, STUD 2, CTSY LP, and PARK LP Fuses
B/U LAMP, BTSI, VEH B/U and TRL B/U Fuses
Park Lamp Control
G203 - 2 of 3 - Base Except Crew Cab
Turn Signal/Multifunction Switch and Stop Lamp Switch Controls
G203 - 1 of 3
G401