GM Service Manual Online
For 1990-2009 cars only
Makes
🢒
Chevrolet
🢒
2002
🢒
Chevy C Silverado - 2WD
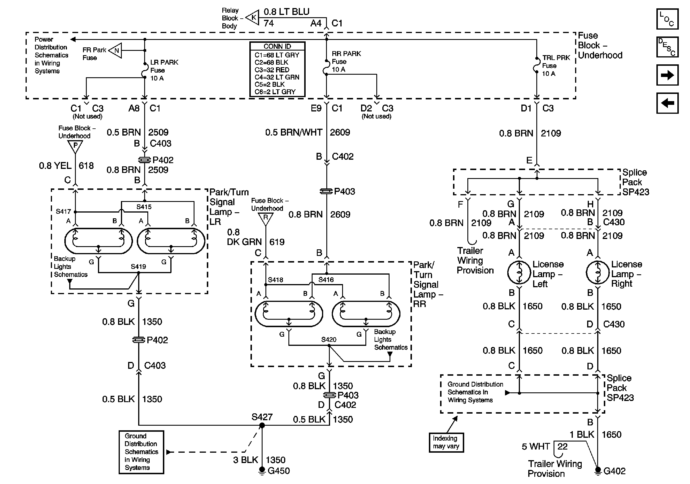
🢒 Park and License Lamps, Rear - Utility
Park and License Lamps, Rear - Utility
Park and License Lamps, Rear - Utility
Master Electrical Component List
Exterior Lighting Systems Description and Operation
Tail, Stop and License Lamps - Export
Park/Turn Signal Lamps, Marker and License Lamps, Rear - Pickup
Fuse Block - Underhood
FR PRK, LR PRK, RR PRK, TRL PRK Fuses and Fog Lamp Relay (Utility)
Park/Turn Signal Lamps, Marker Lamps and Turn Signal Fuses, Front
Turn Signal Fuses
Turn Signal Fuses
Backup Lamps - Utility
G420,G450 and S427 (Utility and Crew Cab)
Backup Lamps - Utility
G402 and G421 (Utility)