GM Service Manual Online
For 1990-2009 cars only
Makes
🢒
Chevrolet
🢒
2002
🢒
Chevy C Silverado - 2WD
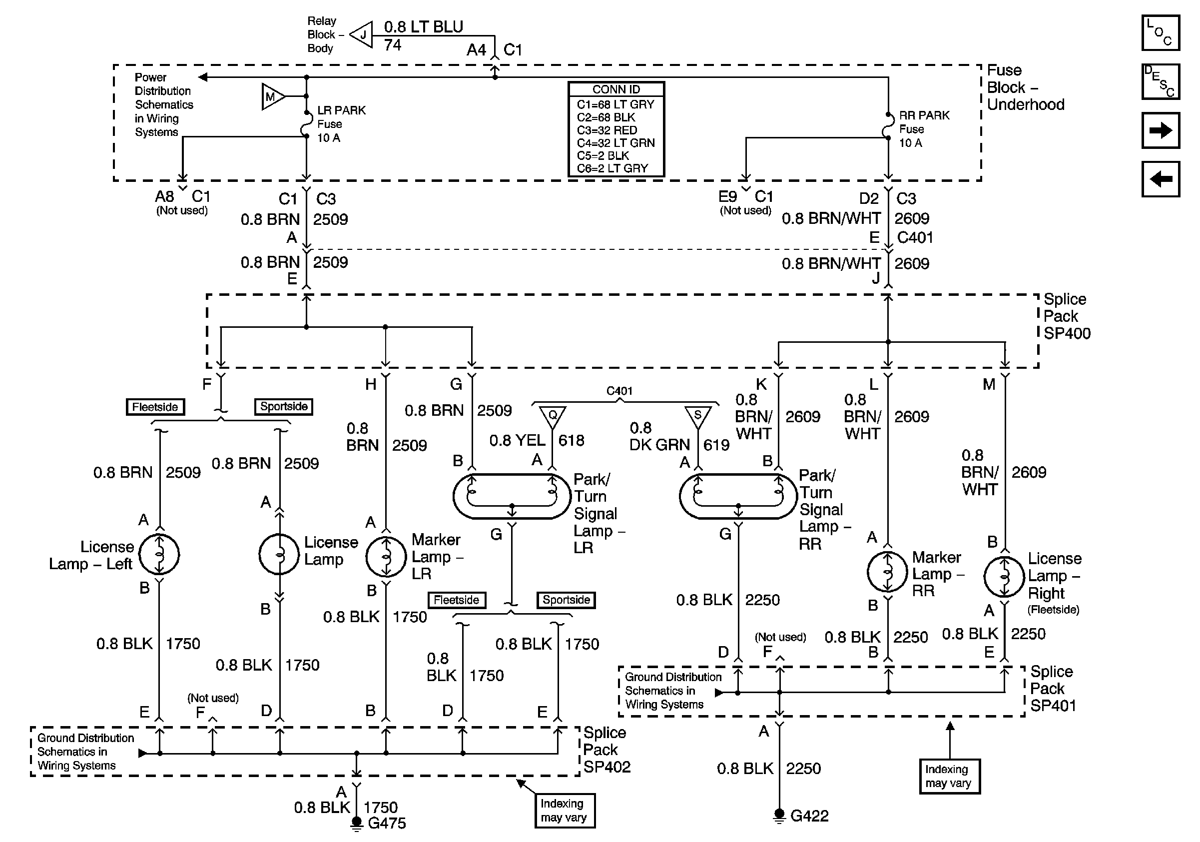
🢒 Park/Turn Signal Lamps, Marker and License Lamps, Rear - Pickup
Park/Turn Signal Lamps, Marker and License Lamps, Rear - Pickup
Park/Turn Signal Lamps, Marker and License Lamps, Rear - Pickup
Master Electrical Component List
Exterior Lighting Systems Description and Operation
Park and License Lamps, Rear - Utility
Fuse Block - Underhood
FR PRK, LR PRK, RR PRK Fuses and Fog Lamp Relay (Pickup)
Park/Turn Signal Lamps, Marker Lamps and Turn Signal Fuses, Front
Fuse Block - Underhood
Turn Signal Fuses
Turn Signal Fuses
G402, G422 and G475 (Sportside Pickup)
G402, G422 and G475 (Sportside Pickup)