GM Service Manual Online
For 1990-2009 cars only
Makes
🢒
Chevrolet
🢒
2002
🢒
Chevy C Silverado - 2WD
🢒 Fuse Block - Underhood
Fuse Block - Underhood
Fuse Block - Underhood
Master Electrical Component List
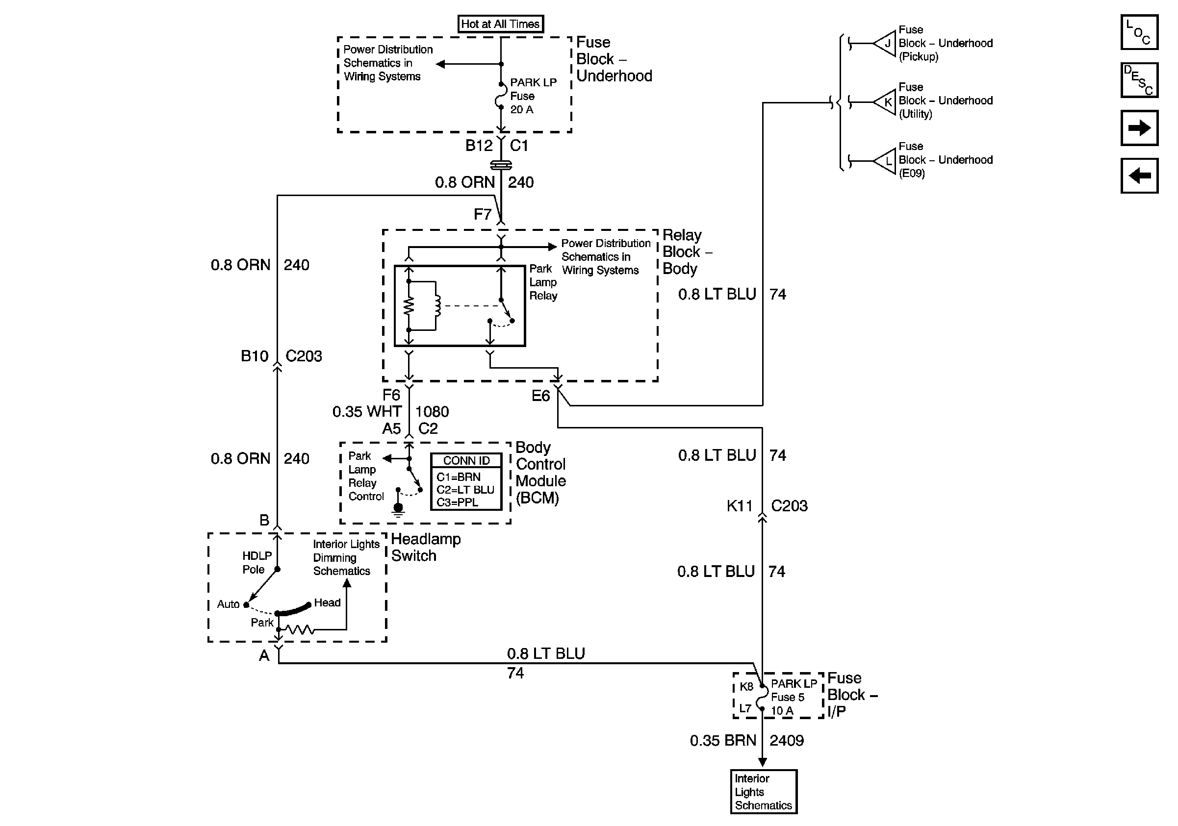
Exterior Lighting Systems Description and Operation
Park/Turn Signal Lamps, Marker and License Lamps, Rear - Pickup
Park/Turn Signal Lamps, Marker Lamps and Turn Signal Fuses, Front
B+ Bus Bar
Park/Turn Signal Lamps, Marker and License Lamps, Rear - Pickup
Park and License Lamps, Rear - Utility
Tail, Stop and License Lamps - Export
Headlamp Switch
Headlamp Switch
ILLUM and PARK LP Fuses