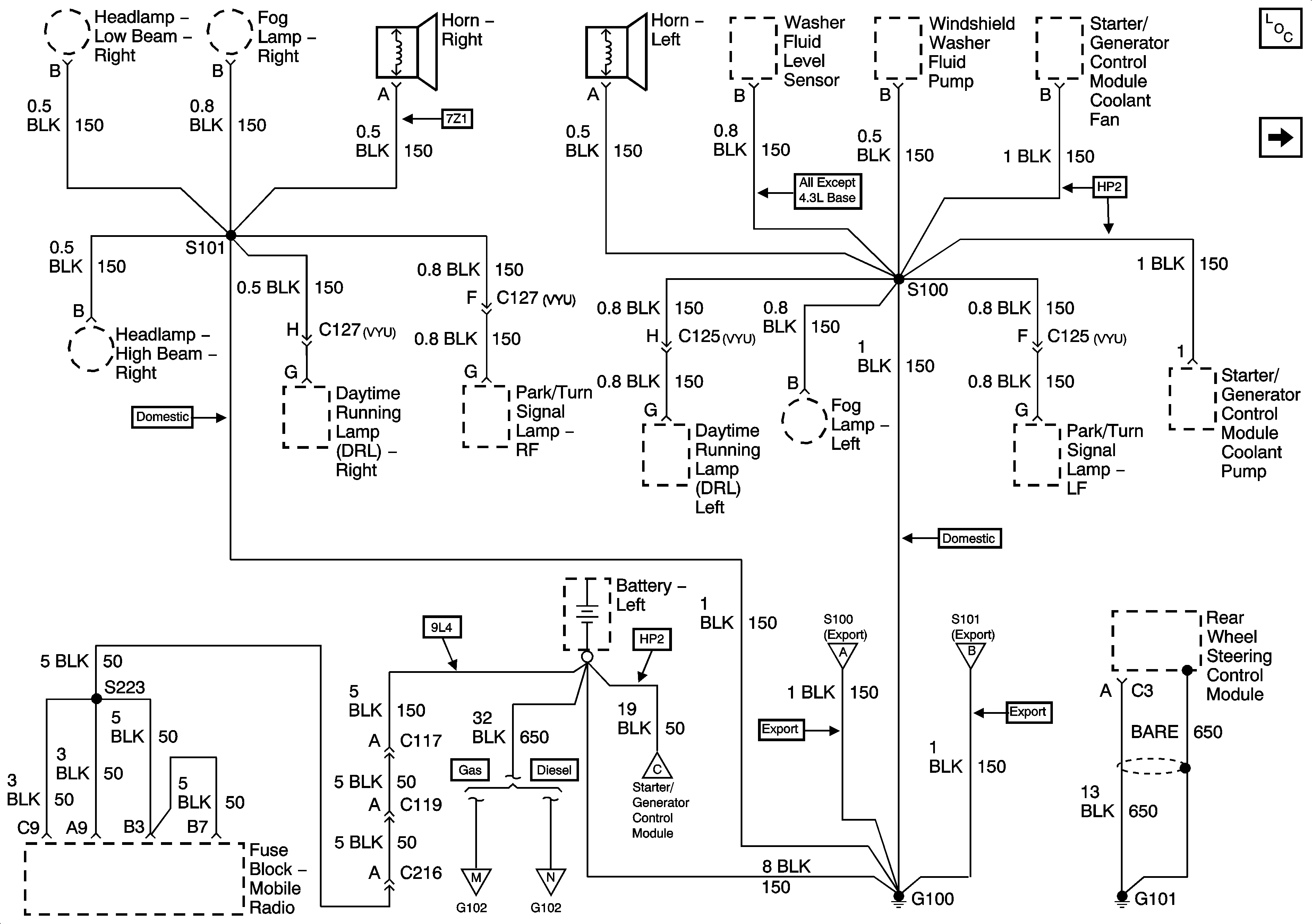
| Figure 1: |
G100 and G101
|
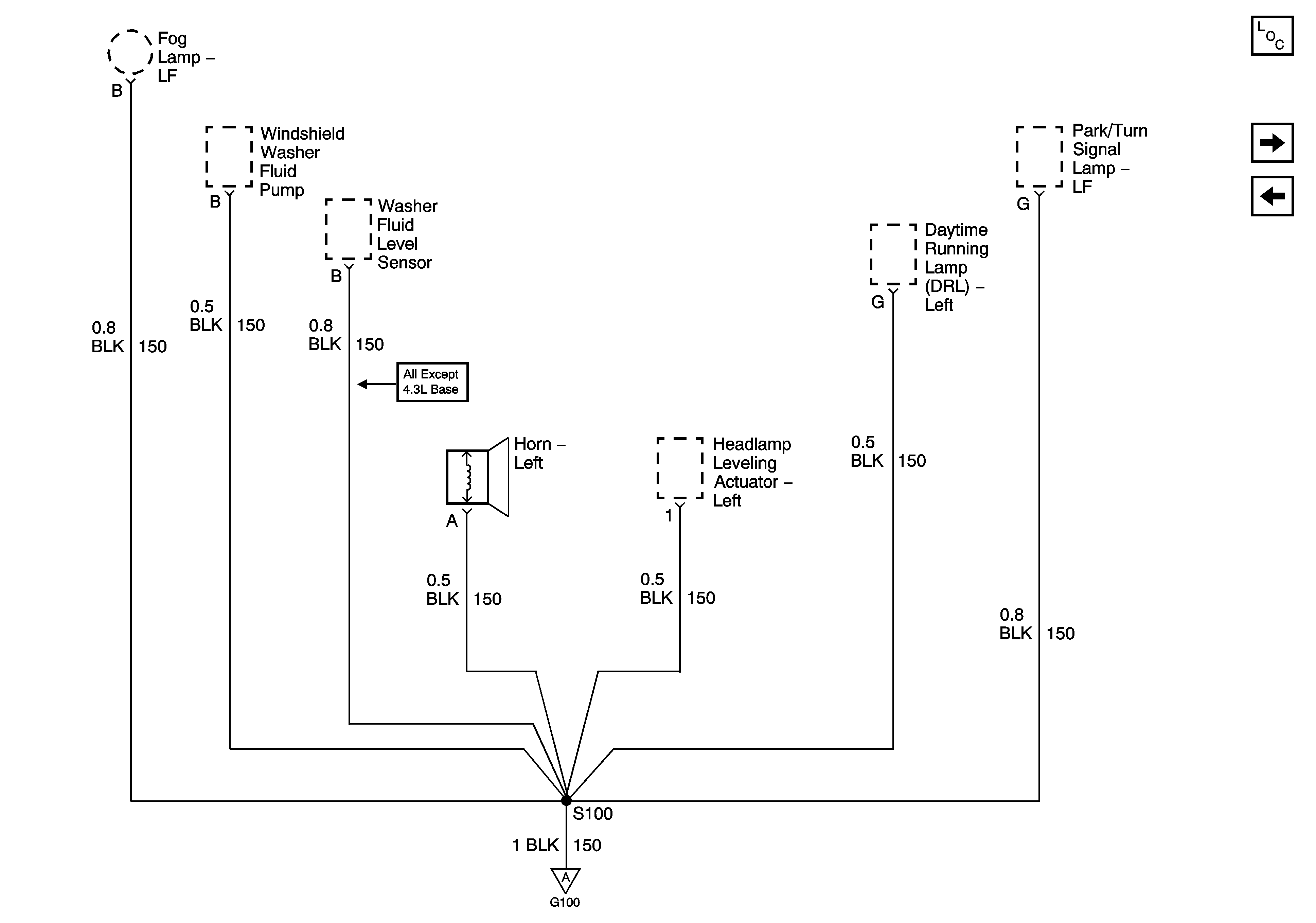
| Figure 2: |
S100 - Export
|
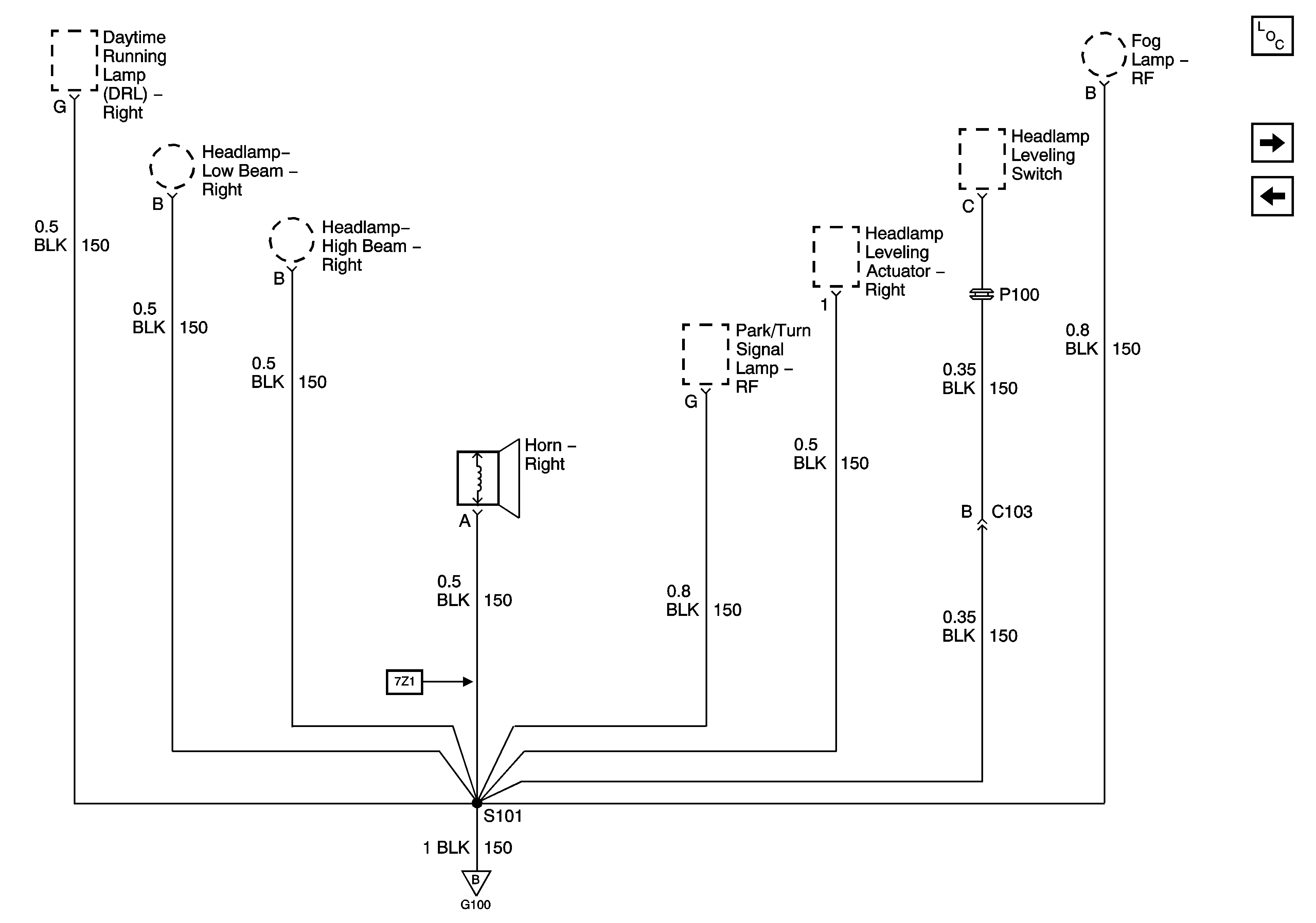
| Figure 3: |
S101 - Export
|
| Figure 4: |
G102 - Gas
|
| Figure 5: |
G103 - Gas
|
| Figure 6: |
G102, G103, G108 and G109 - Diesel
|
| Figure 7: |
G104, G106, and G107
|
| Figure 8: |
G110
|
| Figure 9: |
G200 - 1 of 3
|
| Figure 10: |
G200 - 2 of 3
|
| Figure 11: |
G200 - 3 of 3
|
| Figure 12: |
G203 - 1 of 3
|
| Figure 13: |
G203 - 2 of 3
|
| Figure 14: |
G203 - 3 of 3
|
| Figure 15: |
G302
|
| Figure 16: |
G304 and G305
|
| Figure 17: |
G306, G310, and G390
|
| Figure 18: |
G401 and G402
|
| Figure 19: |
G403
|
| Figure 20: |
Hybrid Ground - 1 of 2
|
| Figure 21: |
Hybrid Ground - 2 of 2
|