GM Service Manual Online
For 1990-2009 cars only
Makes
🢒
Chevrolet
🢒
2004
🢒
Chevy C Silverado - 2WD
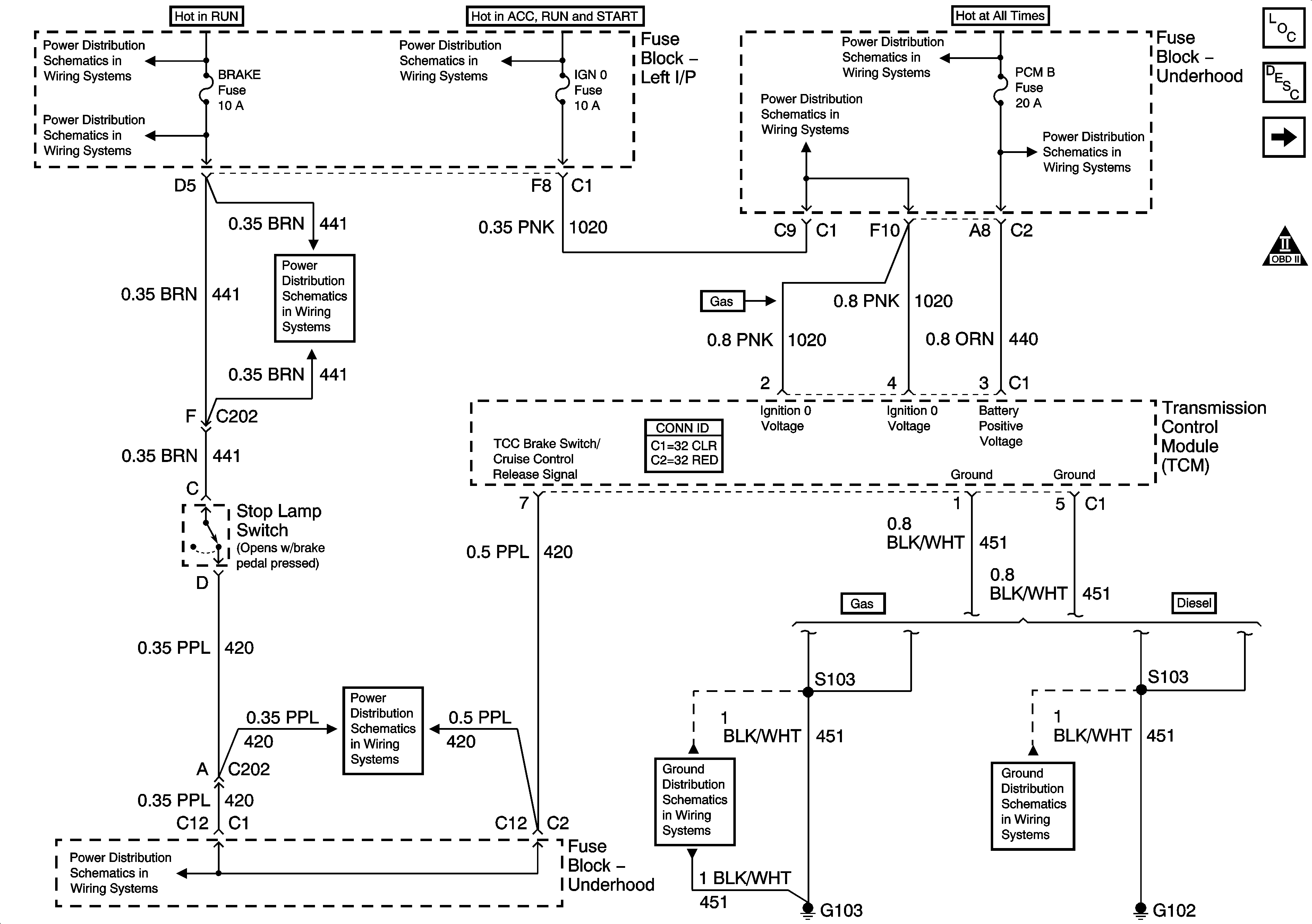
🢒 Power, Ground and Brake Switch
Power, Ground and Brake Switch
Power, Ground and Brake Switch
Master Electrical Component List
Electronic Component Description
MIL Control, Serial Data and Torque Signals
OBD II Symbol Description Notice
Ignition Switch - START, RUN, and ACC/RUN/START Bus Bars
BRAKE, HTR/AC, and HVAC 1 Fuses
Ignition Switch - START, RUN, and ACC/RUN/START Bus Bars
B+ Bus Bar - 2 of 2
IGN 0, TBC IGN 0,TBC ACCY, SEO ACCY, RR WPR, and WS WPR Fuses
LH HID, RH HID, PCM B, CRANK, HORN, and SIR Fuses
BRAKE, HTR/AC, and HVAC 1 Fuses
BRAKE, HTR/AC, and HVAC 1 Fuses
BRAKE, HTR/AC, and HVAC 1 Fuses
G103 - Gas
G103 - Gas