GM Service Manual Online
For 1990-2009 cars only
Makes
🢒
Chevrolet
🢒
2004
🢒
Chevy C Silverado - 2WD
🢒 Fuel Controls - Fuel Temperature Sensor, Fuel Pressure Sensor and Fuel Heater
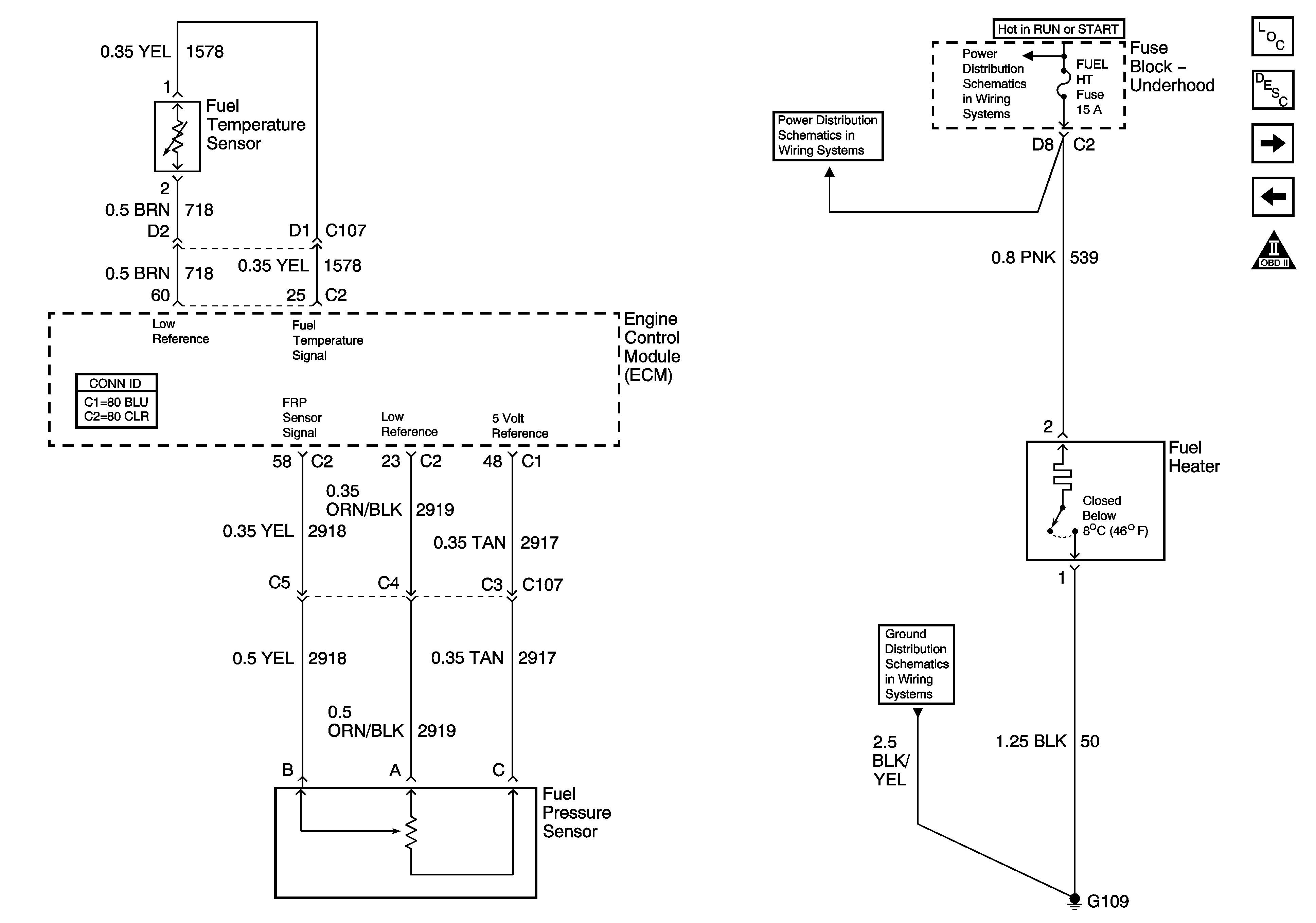
Fuel Controls - Fuel Temperature Sensor, Fuel Pressure Sensor and Fuel Heater
Fuel Controls - Fuel Temperature Sensor, Fuel Pressure Sensor, and Fuel Heater
Master Electrical Component List
Powertrain Control Module Description
Fuel Controls - Injector and Pressure Controls
Fuel Controls - Fuel Pump Controls
Engine Controls Schematic Icons
Ignition Switch - ACC/RUN and RUN/START Bus Bars
FUEL HT and PCM I Fuses - Diesel
G102, G103, G108 and G109 - Diesel