GM Service Manual Online
For 1990-2009 cars only

Radio/Audio System Schematics Base/Uplevel Radio - UQ3/UQ5

Figure 1:

Power, Ground, Serial Data and Digital Radio


Object Number: 1551997  Size: FS
Master Electrical Component List
Radio/Audio System Description and Operation
Control Module References
Speakers
Entertainment Schematic Icons
Power, Ground, DLC and Splice Pack SP 205
B+ Bar Bus
Entertainment Schematic Icons
Splice Pack SP207
RADIO, RADIOAMP, and S/ROOF Fuses
G203 - 2 of 2
G203 - 1 of 2
G203 - 1 of 2
Figure 2:

Speakers


Object Number: 1551998  Size: FS
Master Electrical Component List
Radio/Audio System Description and Operation
Control Module References
Power, Ground, Serial Data, and Digital Radio
Entertainment Schematic Icons
Entertainment Schematic Icons
Entertainment Schematic Icons
Entertainment Schematic Icons
Entertainment Schematic Icons
Entertainment Schematic Icons
Entertainment Schematic Icons
Entertainment Schematic Icons

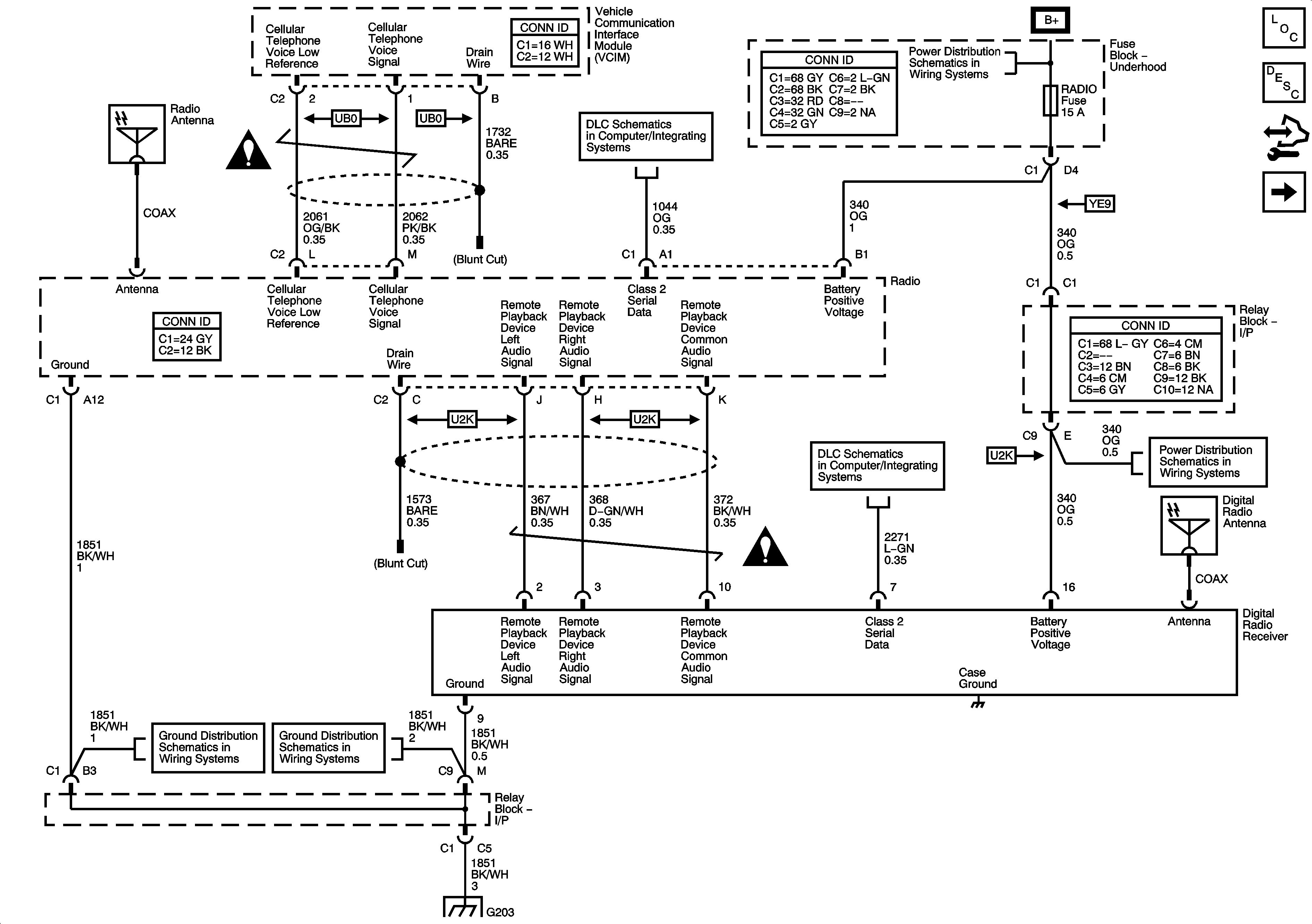
Radio/Audio System Schematics Premium Radio - UQ7 w/o Y91

Figure 1:

Power, Ground, Serial Data, and VCIM


Object Number: 1552138  Size: FS
Master Electrical Component List
Radio/Audio System Description and Operation
Control Module References
Rear Seat Entertainment (RSE) Assembly (U42)
B+ Bar Bus
RADIO, RADIOAMP, and S/ROOF Fuses
Power, Ground, DLC and Splice Pack SP 205
Entertainment Schematic Icons
G203 - 1 of 2
Figure 2:

Rear Seat Entertainment (RSE) Assembly (U42)


Object Number: 1552139  Size: FS
Master Electrical Component List
Video Entertainment System Description and Operation
Control Module References
Digital Radio Receiver (U2K)
Power, Ground, Serial Data and VCIM
B+ Bar Bus
CIG LTR, EAP, INFO, and RVC Fuses
Splice Pack SP207
G203 - 1 of 2
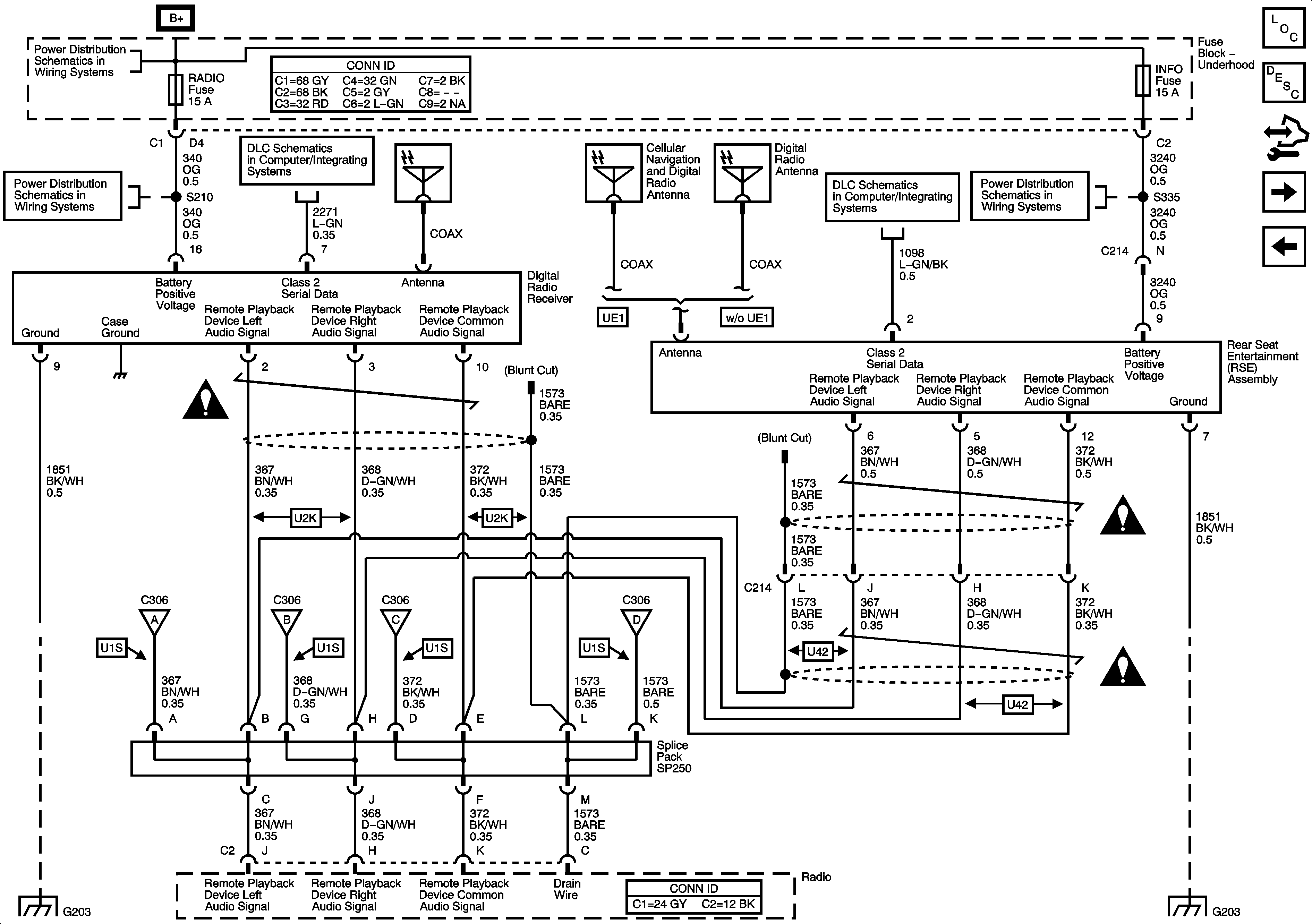
Figure 3:

Digital Radio Receiver (U2K)


Object Number: 1552141  Size: FS
Master Electrical Component List
Radio/Audio System Description and Operation
Control Module References
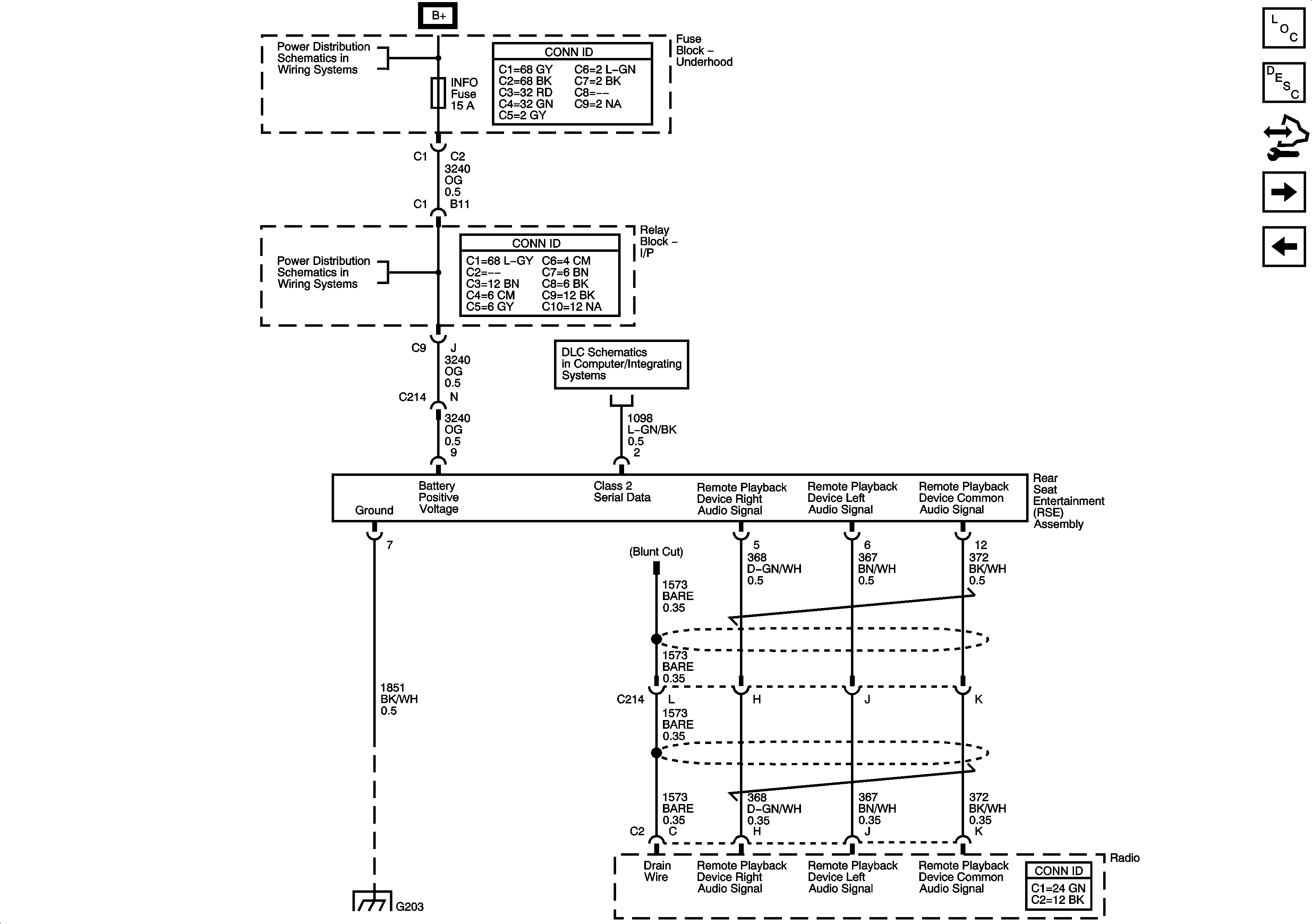
Digital Radio Receiver (U2K) and Rear Seat Entertainment (RSE) Assembly (U42)
Rear Seat Entertainment (RSE) Assembly (U42)
B+ Bar Bus
RADIO, RADIOAMP, and S/ROOF Fuses
Splice Pack SP207
Entertainment Schematic Icons
G203 - 1 of 2
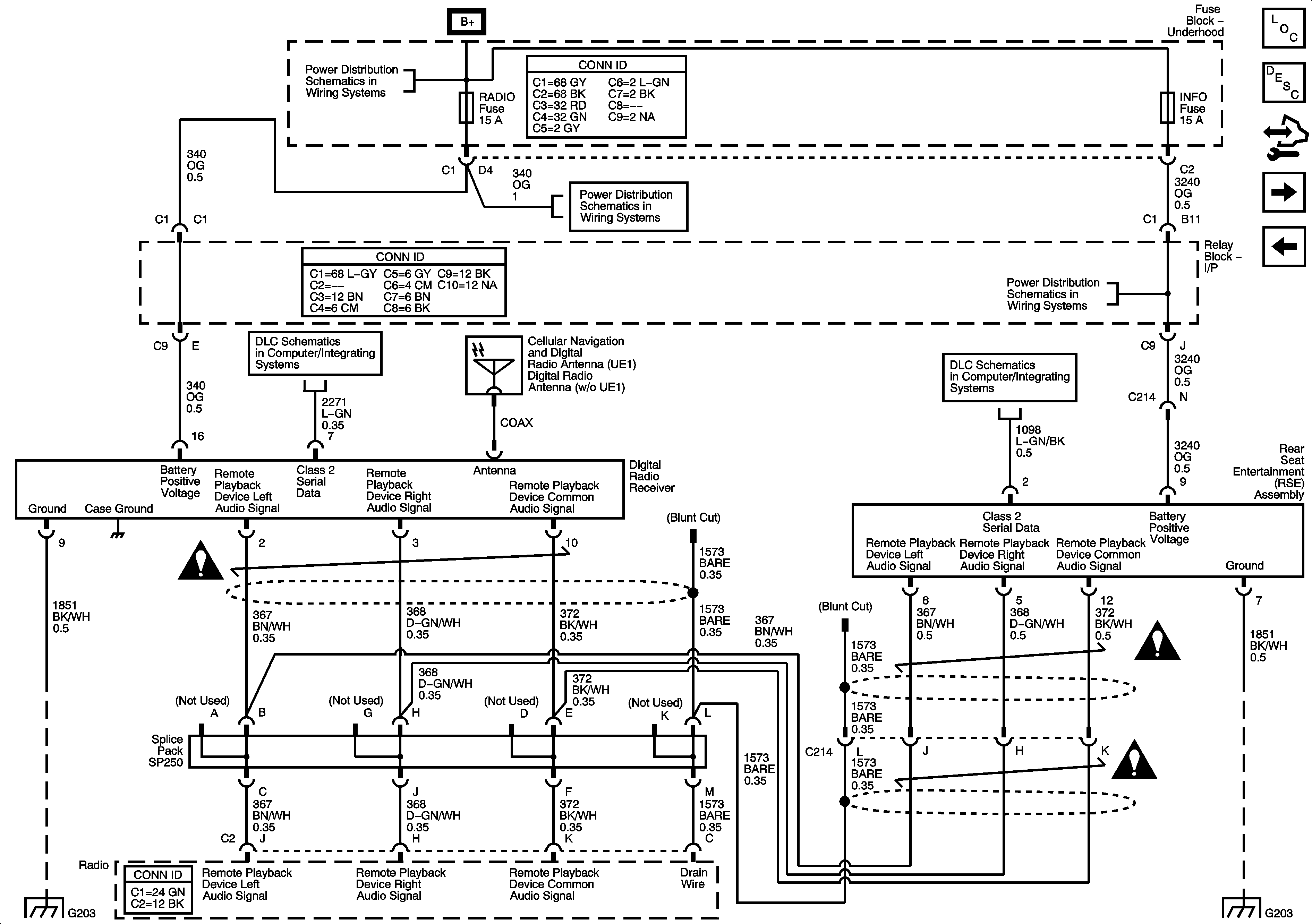
Figure 4:

Digital Radio Receiver (U2K) and Rear Seat Entertainment (RSE) Assembly (U42)


Object Number: 1552142  Size: FS
Master Electrical Component List
Video Entertainment System Description and Operation
Control Module References
Amplifier (D07 w/o UK6)
Digital Radio Receiver (U2K)
B+ Bar Bus
RADIO, RADIOAMP, and S/ROOF Fuses
CIG LTR, EAP, INFO, and RVC Fuses
Splice Pack SP207
Splice Pack SP207
Entertainment Schematic Icons
Entertainment Schematic Icons
Entertainment Schematic Icons
G203 - 1 of 2
G203 - 1 of 2
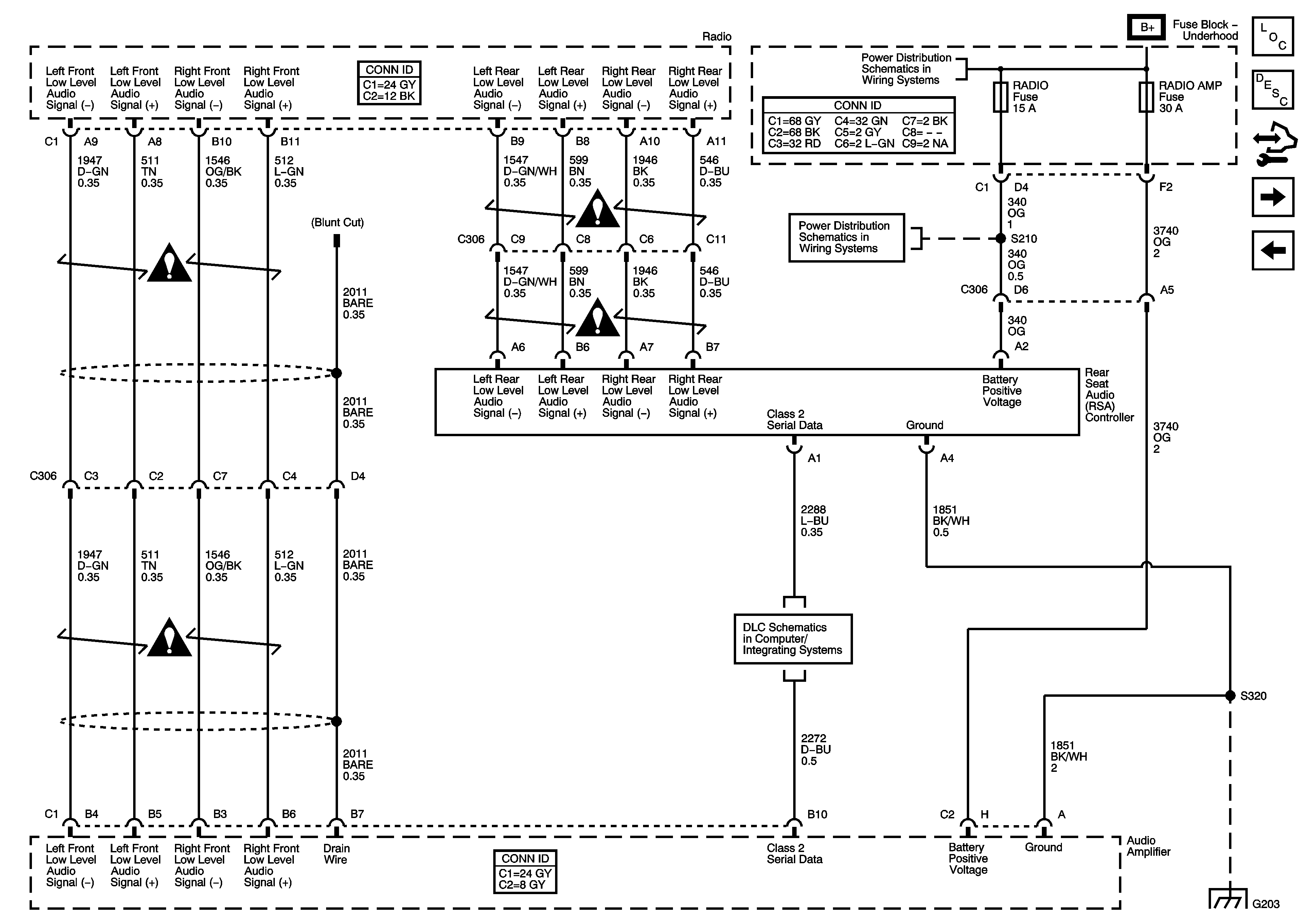
Figure 5:

Amplifier (D07 w/o UK6)


Object Number: 1552143  Size: FS
Master Electrical Component List
Radio/Audio System Description and Operation
Control Module References
Amplifier and Rear Seat Audio (RSA) Controller (D07/UK6)
Digital Radio Receiver (U2K) and Rear Seat Entertainment (RSE) Assembly (U42)
B+ Bar Bus
Entertainment Schematic Icons
Entertainment Schematic Icons
G203 - 1 of 2
Figure 6:

Amplifier Rear Seat Audio (RSA) Controller (D07/UK6)


Object Number: 1552144  Size: FS
Master Electrical Component List
Radio/Audio System Description and Operation
Control Module References
Front Speakers
Amplifier (D07 w/o UK6)
B+ Bar Bus
RADIO, RADIOAMP, and S/ROOF Fuses
Entertainment Schematic Icons
Entertainment Schematic Icons
RADIO, RADIOAMP, and S/ROOF Fuses
Entertainment Schematic Icons
Entertainment Schematic Icons
Splice Pack SP207
G203 - 1 of 2
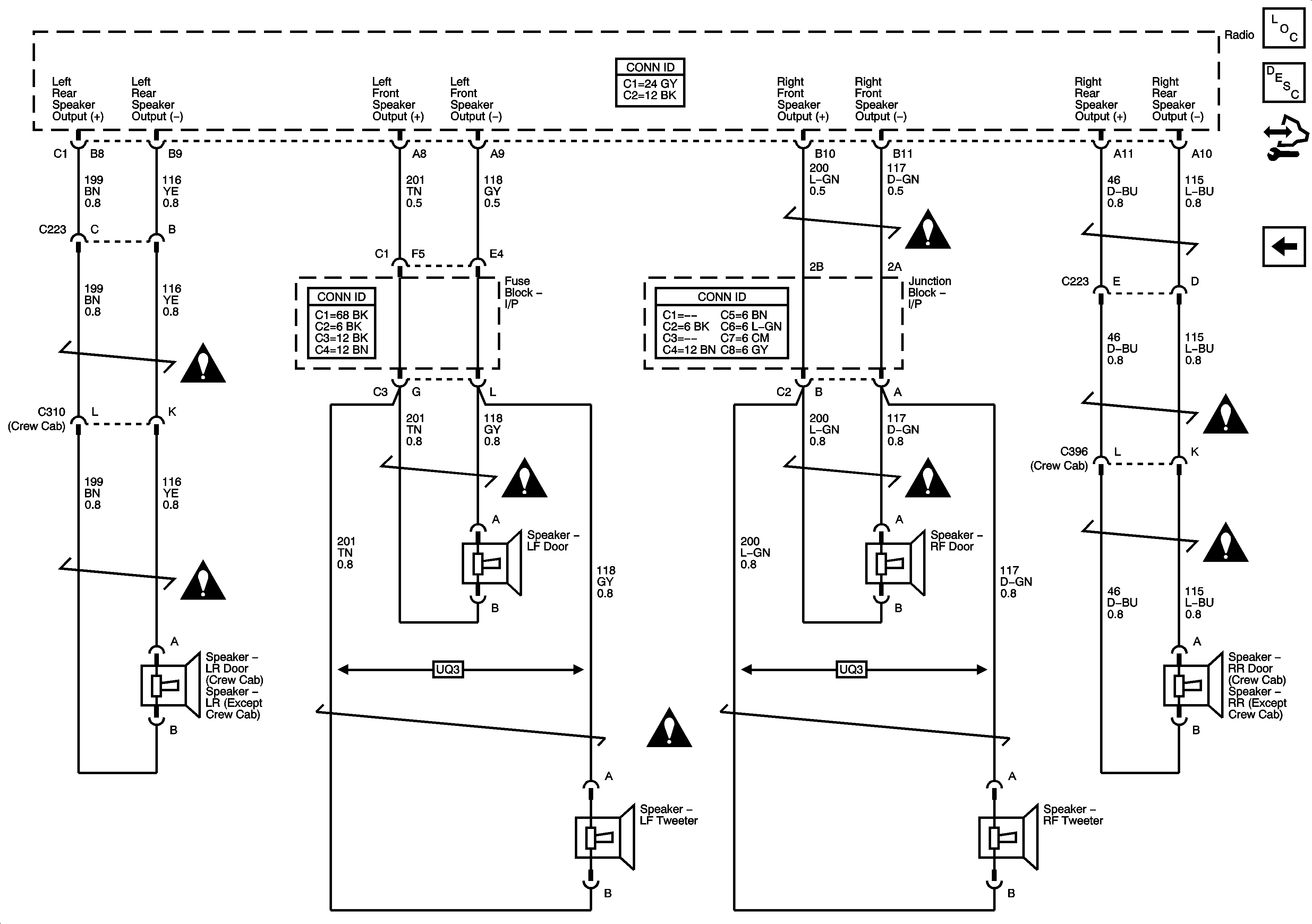
Figure 7:

Front Speakers


Object Number: 1552145  Size: FS
Master Electrical Component List
Radio/Audio System Description and Operation
Control Module References
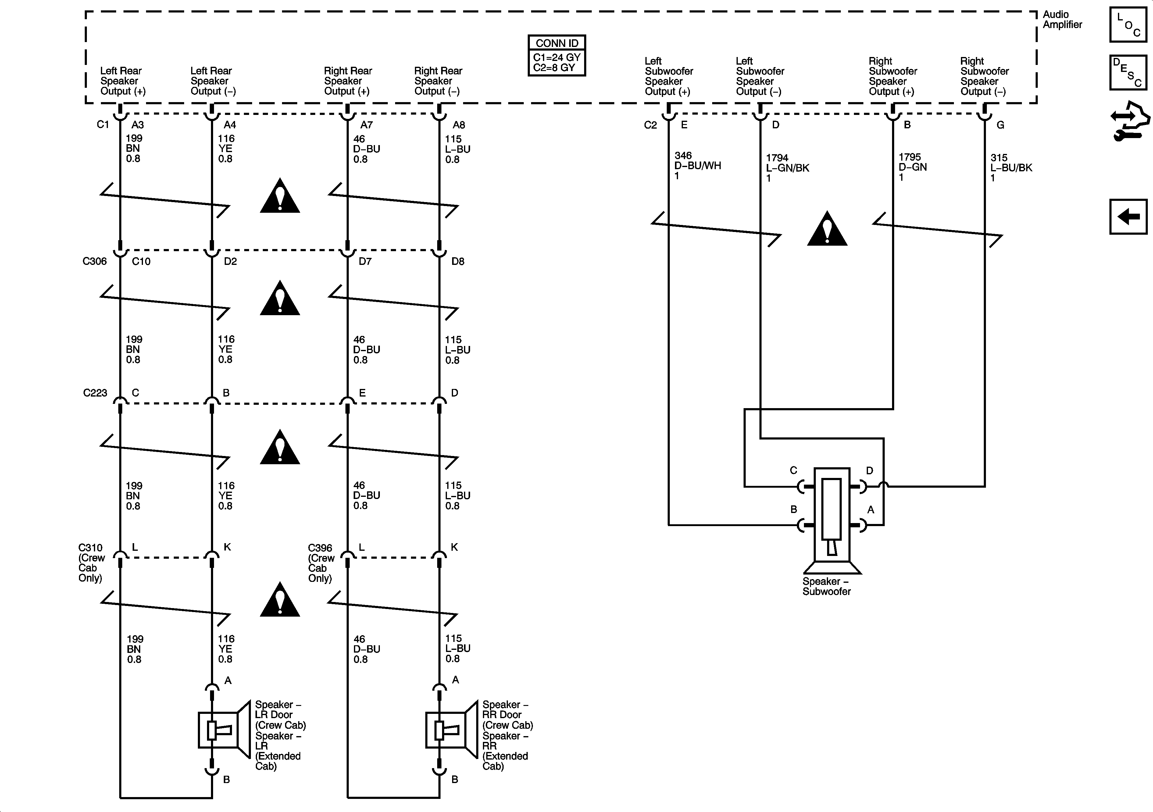
Rear Speakers and Subwoofer
Amplifier and Rear Seat Audio (RSA) Controller (D07/UK6)
Entertainment Schematic Icons
Entertainment Schematic Icons
Entertainment Schematic Icons
Entertainment Schematic Icons
Entertainment Schematic Icons
Entertainment Schematic Icons
Entertainment Schematic Icons
Entertainment Schematic Icons
Entertainment Schematic Icons
Figure 8:

Rear Speakers and Subwoofer


Object Number: 1552147  Size: FS
Master Electrical Component List
Radio/Audio System Description and Operation
Control Module References
Front Speakers
Entertainment Schematic Icons
Entertainment Schematic Icons
Entertainment Schematic Icons
Entertainment Schematic Icons
Entertainment Schematic Icons
Entertainment Schematic Icons

Radio/Audio System Schematics Luxury Radio - UQ7 w/Y91

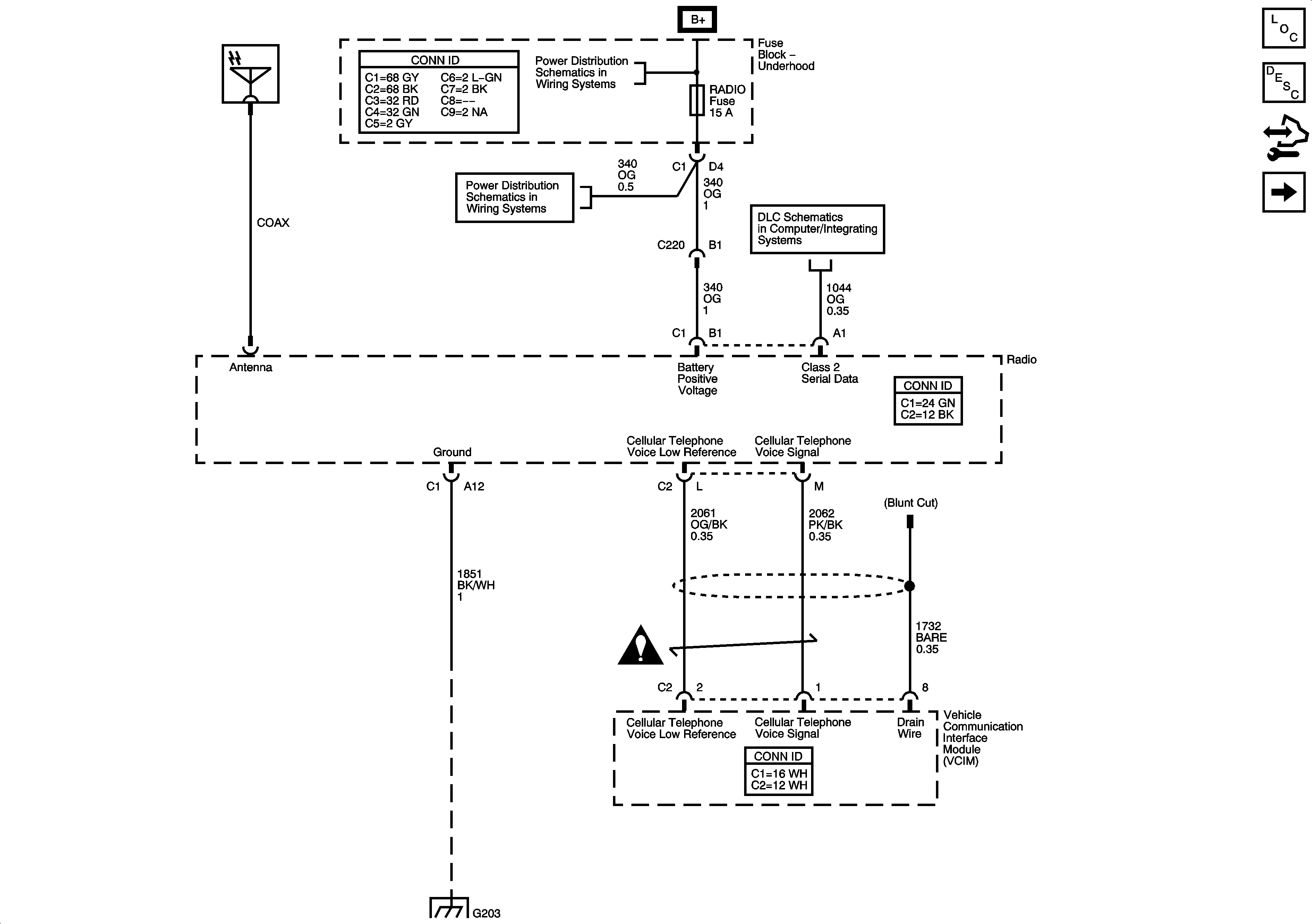
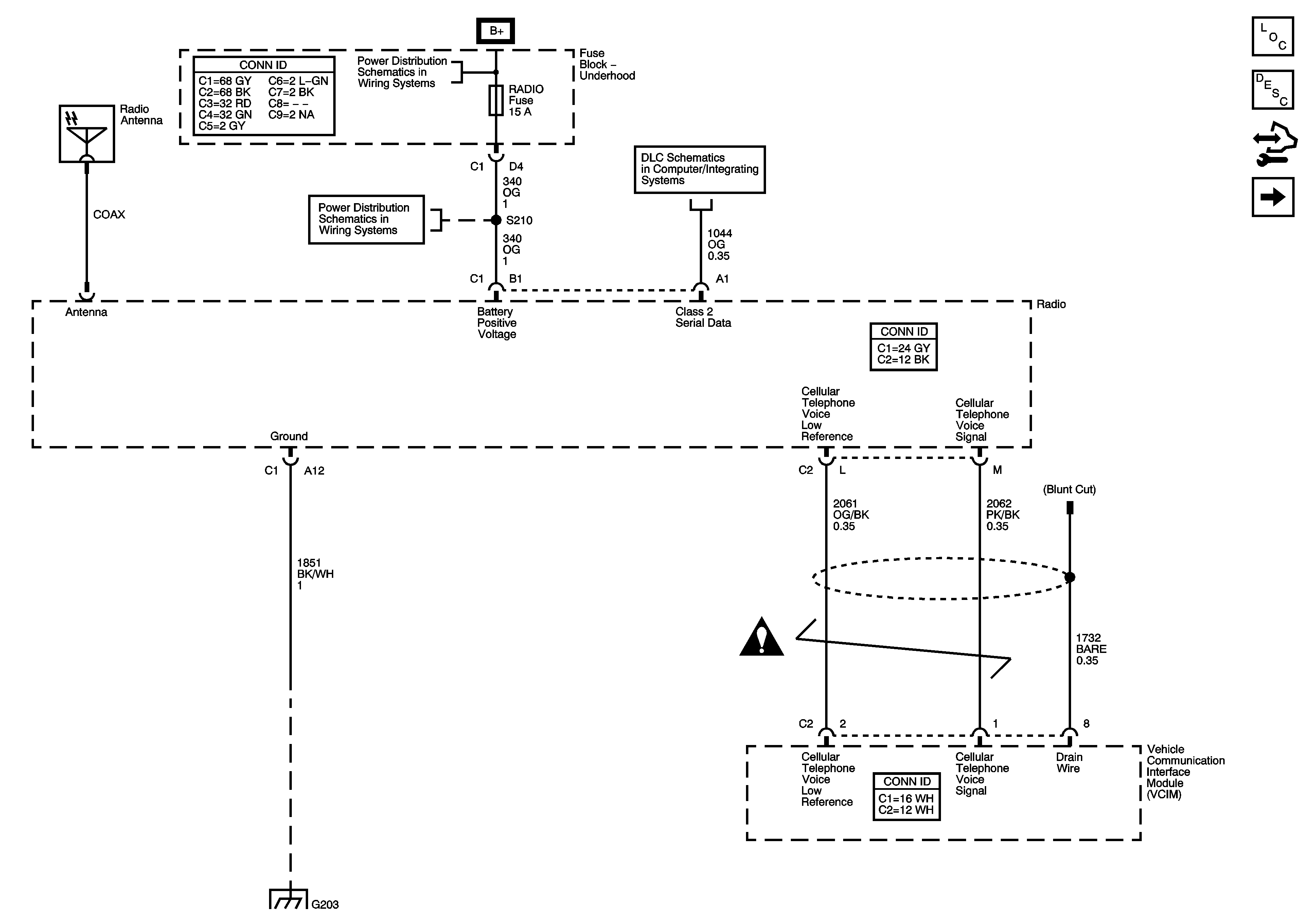
Figure 1:

Power, Ground, Serial Data, and Vehicle Communication Interface Module (VCIM)


Object Number: 1552724  Size: FS
Master Electrical Component List
Radio/Audio System Description and Operation
Control Module References
Remote Playback Device - CD Player (U1S)
B+ Bar Bus
RADIO, RADIOAMP, and S/ROOF Fuses
Power, Ground, DLC and Splice Pack SP 205
Entertainment Schematic Icons
G203 - 1 of 2
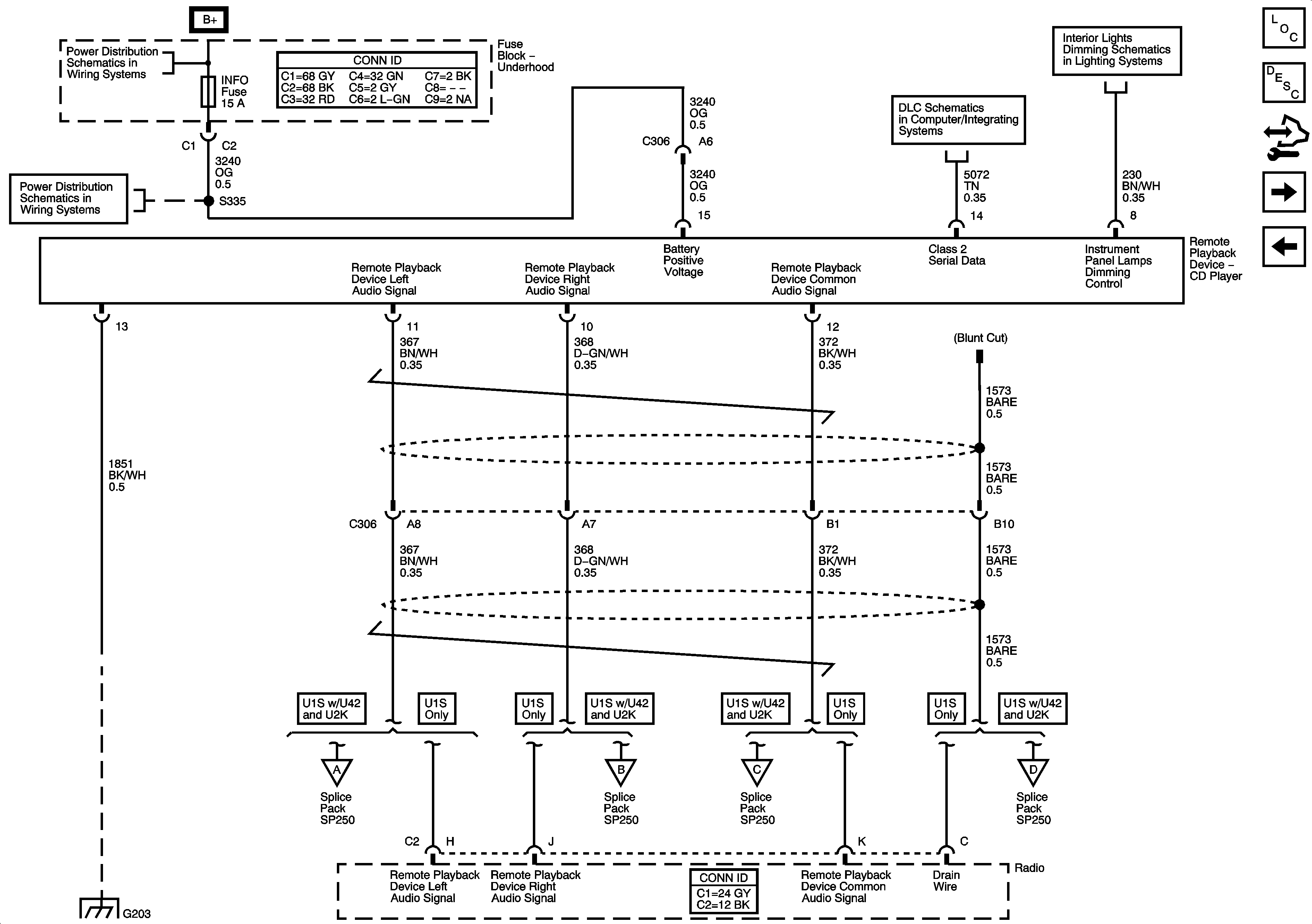
Figure 2:

Remote Playback Device - CD Player (U1S)


Object Number: 1552752  Size: FS
Master Electrical Component List
Radio/Audio System Description and Operation
Control Module References
Rear Seat Entertainment (RSE) Assembly (U42), Digital Radio Receiver (U2K), and Remote Playback Device - CD Player (U1S)
Power, Ground, Serial Data, and Vehicle Communication Interface Module (VCIM)
CIG LTR, EAP, INFO, and RVC Fuses
CIG LTR, EAP, INFO, and RVC Fuses
Splice Pack SP207
I/P Lamps Dimming Control Supply - 1 of 3
G203 - 1 of 2
Rear Seat Entertainment (RSE) Assembly (U42), Digital Radio Receiver (U2K), and Remote Playback Device - CD Player (U1S)
Rear Seat Entertainment (RSE) Assembly (U42), Digital Radio Receiver (U2K), and Remote Playback Device - CD Player (U1S)
Rear Seat Entertainment (RSE) Assembly (U42), Digital Radio Receiver (U2K), and Remote Playback Device - CD Player (U1S)
Rear Seat Entertainment (RSE) Assembly (U42), Digital Radio Receiver (U2K), and Remote Playback Device - CD Player (U1S)
Figure 3:

Rear Seat Entertainment (RSE) Assembly (U42), Digital Radio Receiver (U2K), and Remote Playback Device - CD Player (U1S)


Object Number: 1552755  Size: FS
Master Electrical Component List
Radio/Audio System Description and Operation
Control Module References
Rear Seat Audio (RSA) Controller and Amplifier
Remote Playback Device - CD Player (U1S)
CIG LTR, EAP, INFO, and RVC Fuses
RADIO, RADIOAMP, and S/ROOF Fuses
Splice Pack SP207
Splice Pack SP207
CIG LTR, EAP, INFO, and RVC Fuses
Entertainment Schematic Icons
Remote Playback Device - CD Player (U1S)
Remote Playback Device - CD Player (U1S)
Remote Playback Device - CD Player (U1S)
Remote Playback Device - CD Player (U1S)
Entertainment Schematic Icons
Entertainment Schematic Icons
G203 - 1 of 2
Figure 4:

Rear Seat Audio (RSA) Controller and Amplifier


Object Number: 1552756  Size: FS
Master Electrical Component List
Radio/Audio System Description and Operation
Control Module References
Front Speakers
Rear Seat Entertainment (RSE) Assembly (U42), Digital Radio Receiver (U2K), and Remote Playback Device - CD Player (U1S)
CIG LTR, EAP, INFO, and RVC Fuses
Entertainment Schematic Icons
Entertainment Schematic Icons
Entertainment Schematic Icons
RADIO, RADIOAMP, and S/ROOF Fuses
Entertainment Schematic Icons
Splice Pack SP207
G203 - 1 of 2
Figure 5:

Front Speakers


Object Number: 1552757  Size: FS
Master Electrical Component List
Radio/Audio System Description and Operation
Control Module References
Rear Speakers and Subwoofer
Rear Seat Audio (RSA) Controller and Amplifier
Entertainment Schematic Icons
Entertainment Schematic Icons
Entertainment Schematic Icons
Entertainment Schematic Icons
Entertainment Schematic Icons
Entertainment Schematic Icons
Entertainment Schematic Icons
Entertainment Schematic Icons
Figure 6:

Rear Speakers and Subwoofer


Object Number: 1552759  Size: FS
Master Electrical Component List
Radio/Audio System Description and Operation
Control Module References
Front Speakers
Entertainment Schematic Icons
Entertainment Schematic Icons
Entertainment Schematic Icons
Entertainment Schematic Icons
Entertainment Schematic Icons