GM Service Manual Online
For 1990-2009 cars only
Makes
🢒
Chevrolet
🢒
2005
🢒
Chevy C Silverado - 2WD
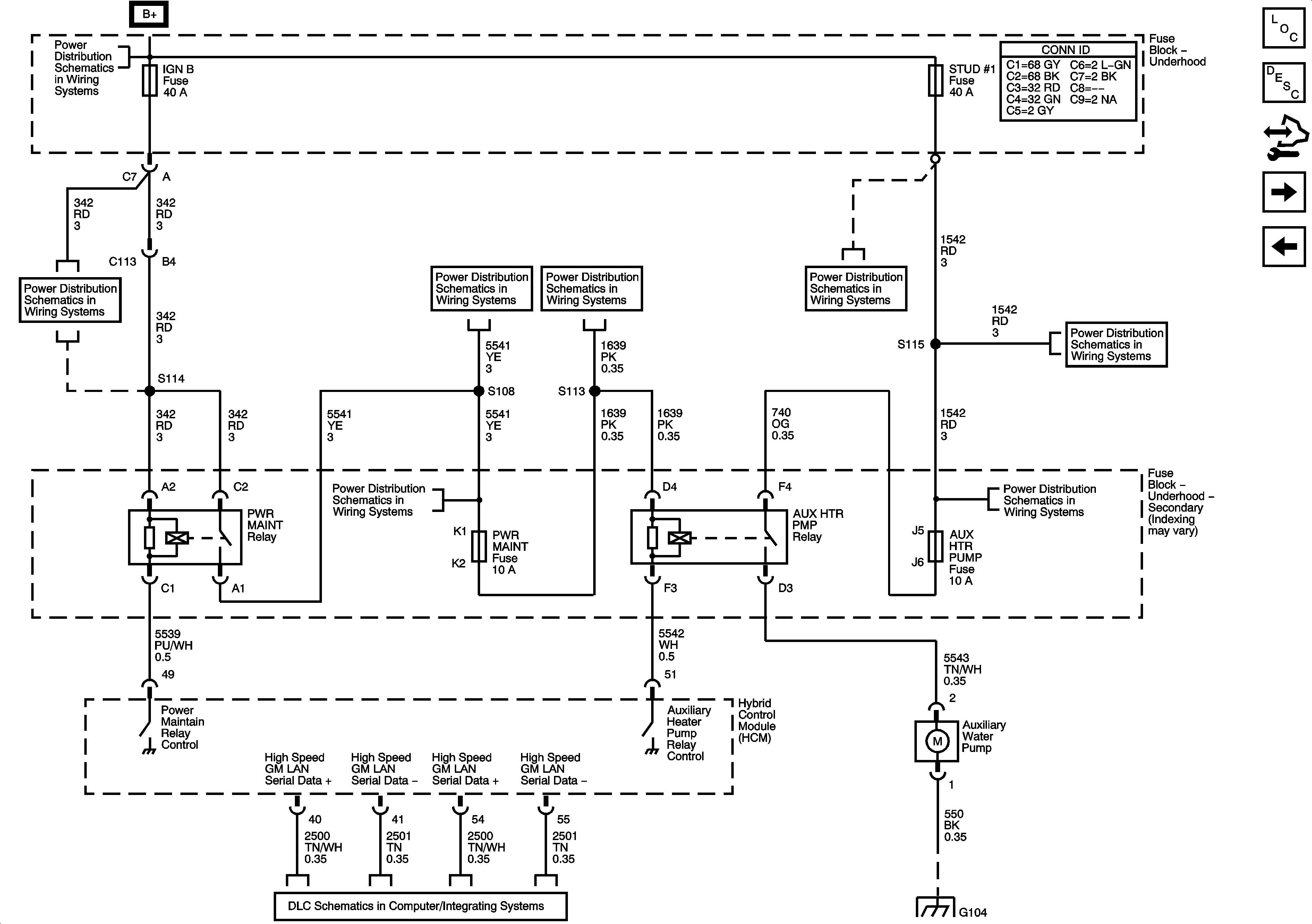
🢒 Auxiliary Heater Pump (HP2)
Auxiliary Heater Pump (HP2)
Auxiliary Heater Pump (HP2)
Master Electrical Component List
Air Temperature Description and Operation
Control Module References
A/C Compressor Controls
Air Temperature Actuators Left and Right
B+ Bar Bus
Ignition Switch - ACC/RUN and RUN/START Bus Bars and IGN B Fuse
COOL PMP, HYBRID 02A, HYBRID O2B, IGN B and PWR MAINT Fuses
COOL PMP, HYBRID 02A, HYBRID O2B, IGN B and PWR MAINT Fuses
ABS, AUX HTR PMP, ESCM, HCM-B, MBEC 1, RTD, STUD1, STUD2, TRANS PUMP, VSES/ECAS Fuses and RT DOORS and SEAT Circuit Breakers
ABS, AUX HTR PMP, ESCM, HCM-B, MBEC 1, RTD, STUD1, STUD2, TRANS PUMP, VSES/ECAS Fuses and RT DOORS and SEAT Circuit Breakers
COOL PMP, HYBRID 02A, HYBRID O2B, IGN B and PWR MAINT Fuses
ABS, AUX HTR PMP, ESCM, HCM-B, MBEC 1, RTD, STUD1, STUD2, TRANS PUMP, VSES/ECAS Fuses and RT DOORS and SEAT Circuit Breakers
High Speed GM LAN (HP2)
G104, G106, G107 and G110