GM Service Manual Online
For 1990-2009 cars only
Makes
🢒
Chevrolet
🢒
2005
🢒
Chevy C Silverado - 2WD
🢒 Charging - 20/30 Series and HP2
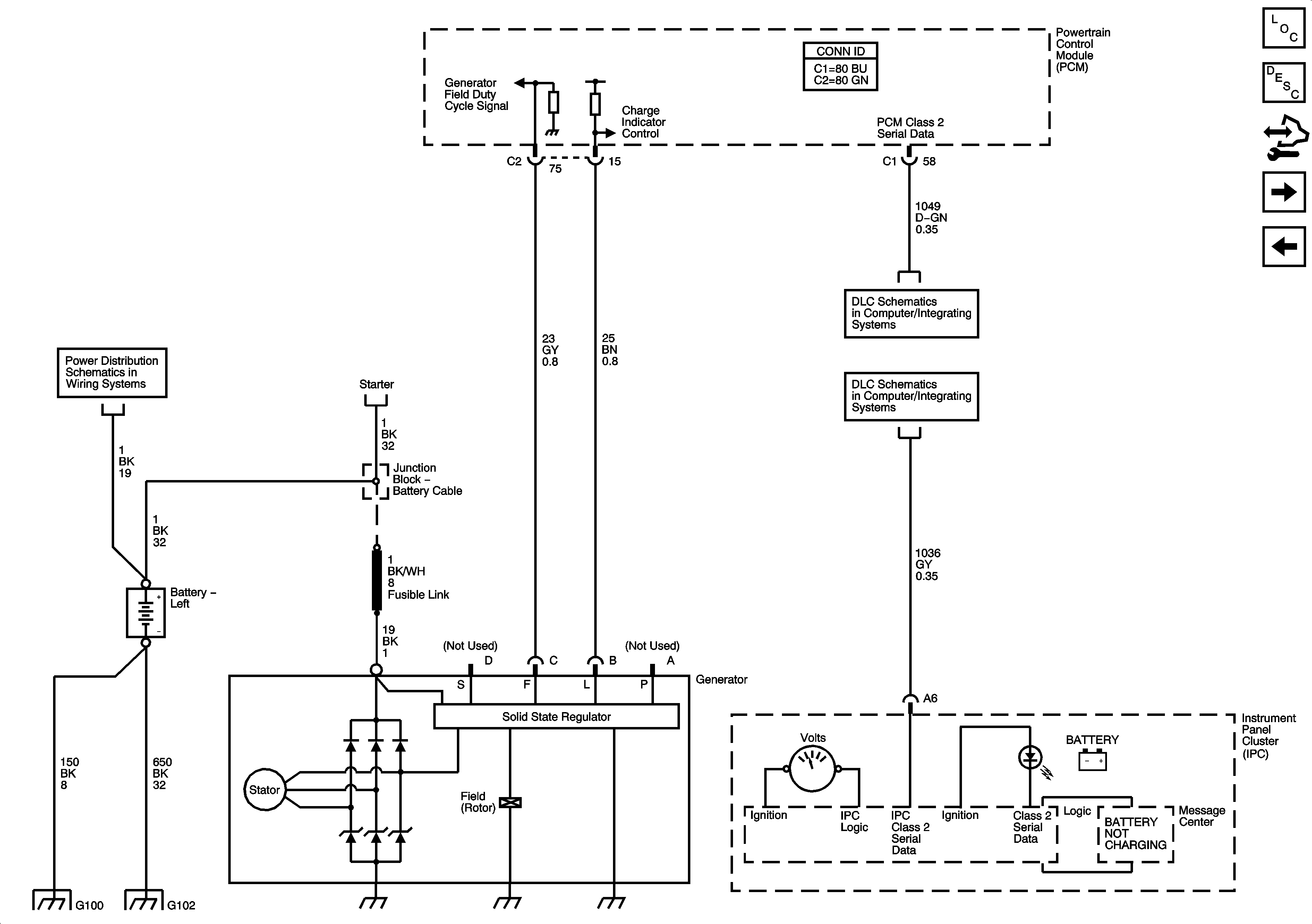
Charging - 20/30 Series and HP2
Charging - 20/30 Series and HP2
Master Electrical Component List
Charging System Description and Operation W/O Generator/Battery Control Module
Control Module References
Charging - 10 Series (Except HP2)
Starting - Diesel
Battery Supply - 1 of 2
Starting - Gas
Power, Ground, DLC and Splice Pack SP 205
Power, Ground, DLC and Splice Pack SP 205
G100, G101, and G102
G100, G101, and G102