GM Service Manual Online
For 1990-2009 cars only
Makes
🢒
Chevrolet
🢒
2005
🢒
Chevy C Silverado - 2WD
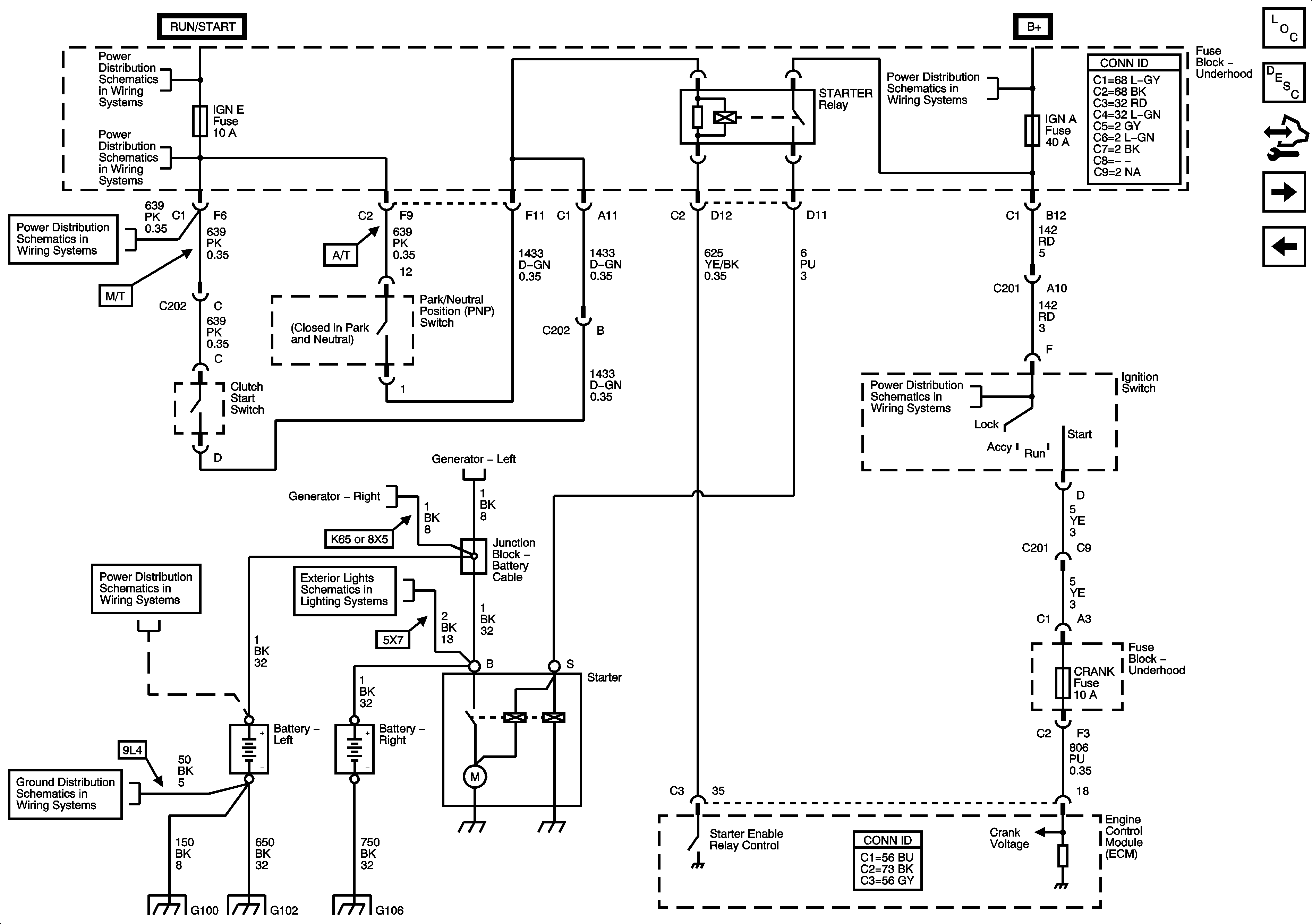
🢒 Starting - Diesel
Starting - Diesel
Starting - Diesel
Master Electrical Component List
Starting System Description and Operation
Control Module References
Charging - 20/30 Series and HP2
Starting - Gas
Ignition Switch - ACC/RUN and RUN/START Bus Bars and IGN B Fuse
IGN E and AIRBAG Fuses
IGN E and AIRBAG Fuses
B+ Bar Bus
Charging - Diesel
Charging - Diesel
Ignition Switch - START, RUN, and ACC/RUN/START Bus Bars and IGN A and CRANK Fuses
Battery Supply - 1 of 2
Wrecker Lighting - 5X7
G100, G101, and G102
G100, G101, and G102
G100, G101, and G102
G104, G106, G107 and G110