GM Service Manual Online
For 1990-2009 cars only
Makes
🢒
Chevrolet
🢒
2005
🢒
Chevy C Silverado - 2WD
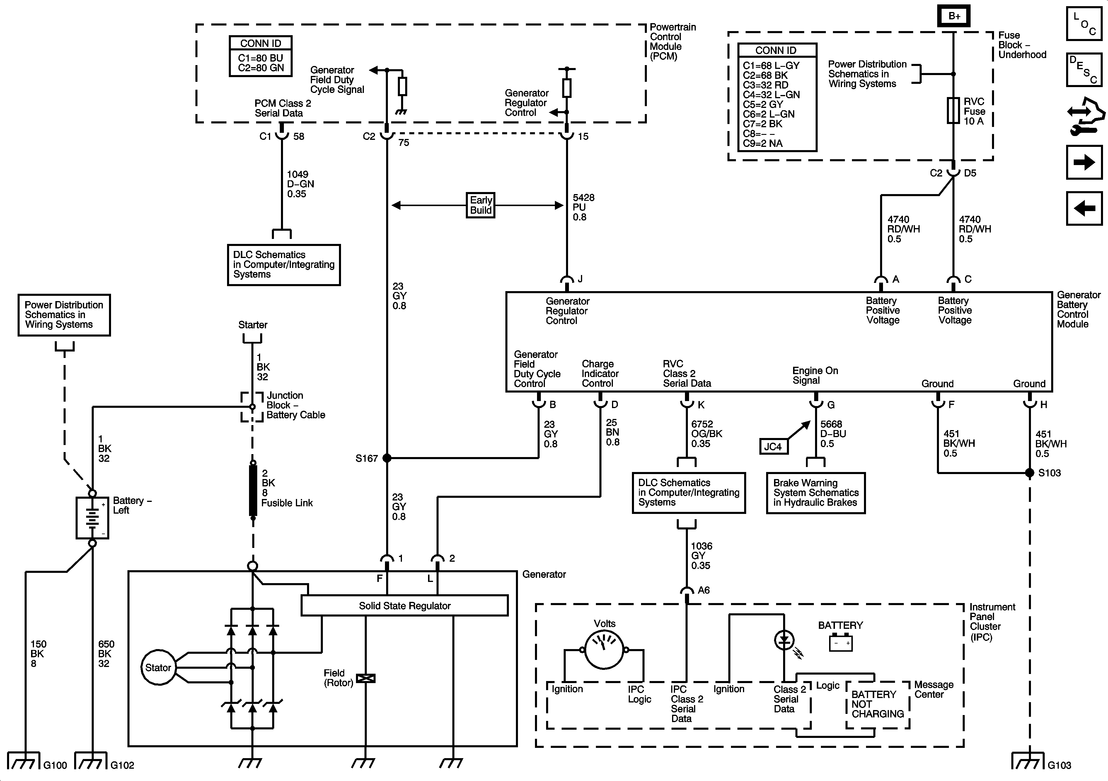
🢒 Charging - 10 Series (Except HP2)
Charging - 10 Series (Except HP2)
Charging - 10 Series (Except HP2)
Master Electrical Component List
Charging System Description and Operation Generator/Battery Control Module
Control Module References
Charging - Diesel
Charging - 20/30 Series and HP2
B+ Bar Bus
Battery Supply - 1 of 2
Power, Ground, DLC and Splice Pack SP 205
Charging - 20/30 Series and HP2
Power, Ground, DLC and Splice Pack SP 205
Supplimental Brake Assist
G100, G101, and G102
G100, G101, and G102
G103 - Gas