GM Service Manual Online
For 1990-2009 cars only
Makes
🢒
Chevrolet
🢒
2005
🢒
Chevy C Silverado - 2WD
🢒 Starting - Gas
Starting - Gas
Starting - Gas
Master Electrical Component List
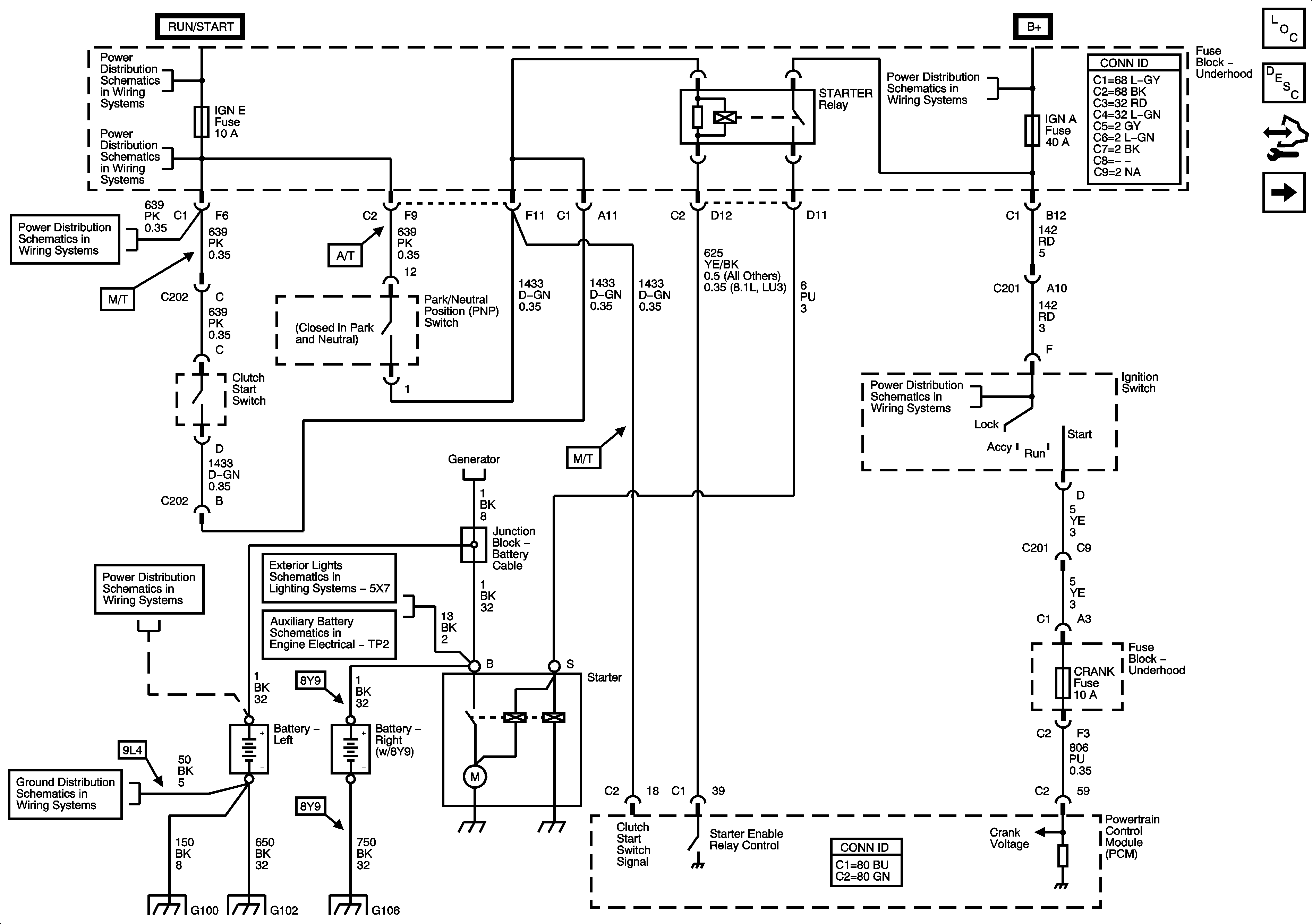
Starting System Description and Operation
Control Module References
Starting - Diesel
Ignition Switch - ACC/RUN and RUN/START Bus Bars and IGN B Fuse
IGN E and AIRBAG Fuses
IGN E and AIRBAG Fuses
B+ Bar Bus
Ignition Switch - START, RUN, and ACC/RUN/START Bus Bars and IGN A and CRANK Fuses
Charging - 10 Series (Except HP2)
Battery Supply - 1 of 2
Wrecker Lighting - 5X7
Auxiliary Battery
G100, G101, and G102
G100, G101, and G102
G100, G101, and G102
G104, G106, G107 and G110