GM Service Manual Online
For 1990-2009 cars only
Makes
🢒
Chevrolet
🢒
2005
🢒
Chevy C Silverado - 2WD
🢒 Stop Lamps - Chevrolet
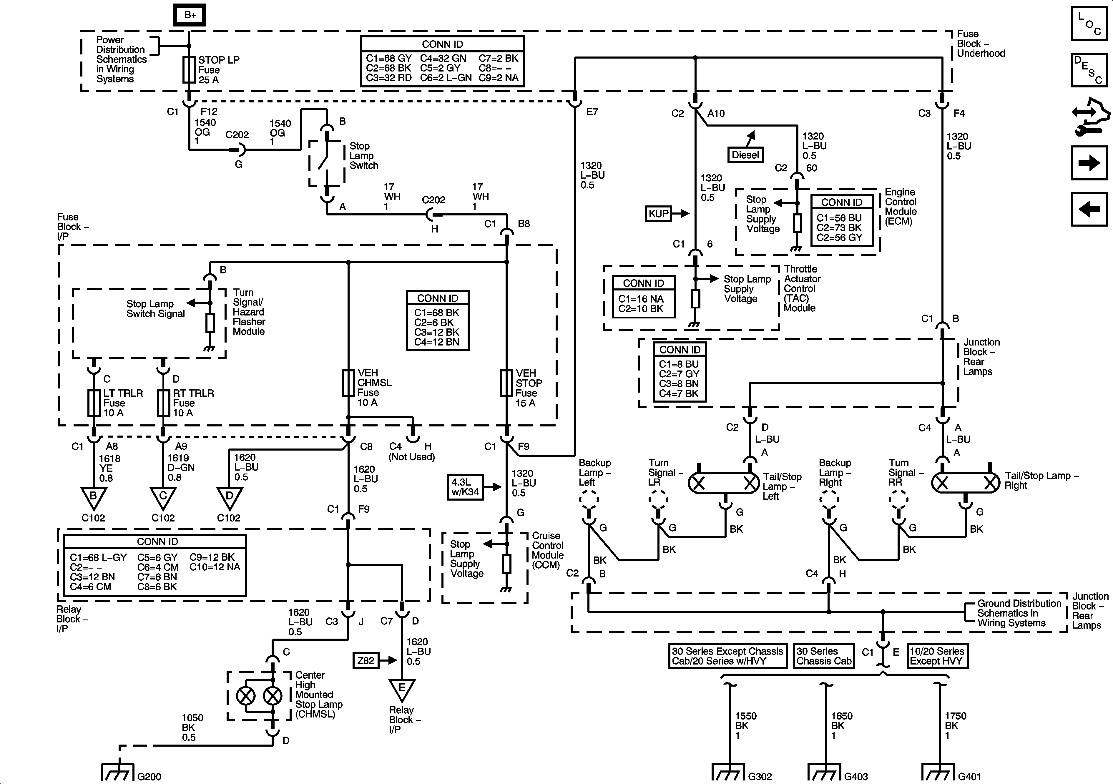
Stop Lamps - Chevrolet
Stop Lamps - Chevrolet
Master Electrical Component List
Exterior Lighting Systems Description and Operation
Control Module References
Turn Signal/Hazard Switch and Flasher Module
Stop Lamps - GMC
B+ Bar Bus
Trailer and Camper Wiring
Trailer and Camper Wiring
Trailer and Camper Wiring
G302
Trailer and Camper Wiring
G115 and G200 - 1 of 2
G302
G403
G401