GM Service Manual Online
For 1990-2009 cars only
Makes
🢒
Chevrolet
🢒
2005
🢒
Chevy C Silverado - 2WD
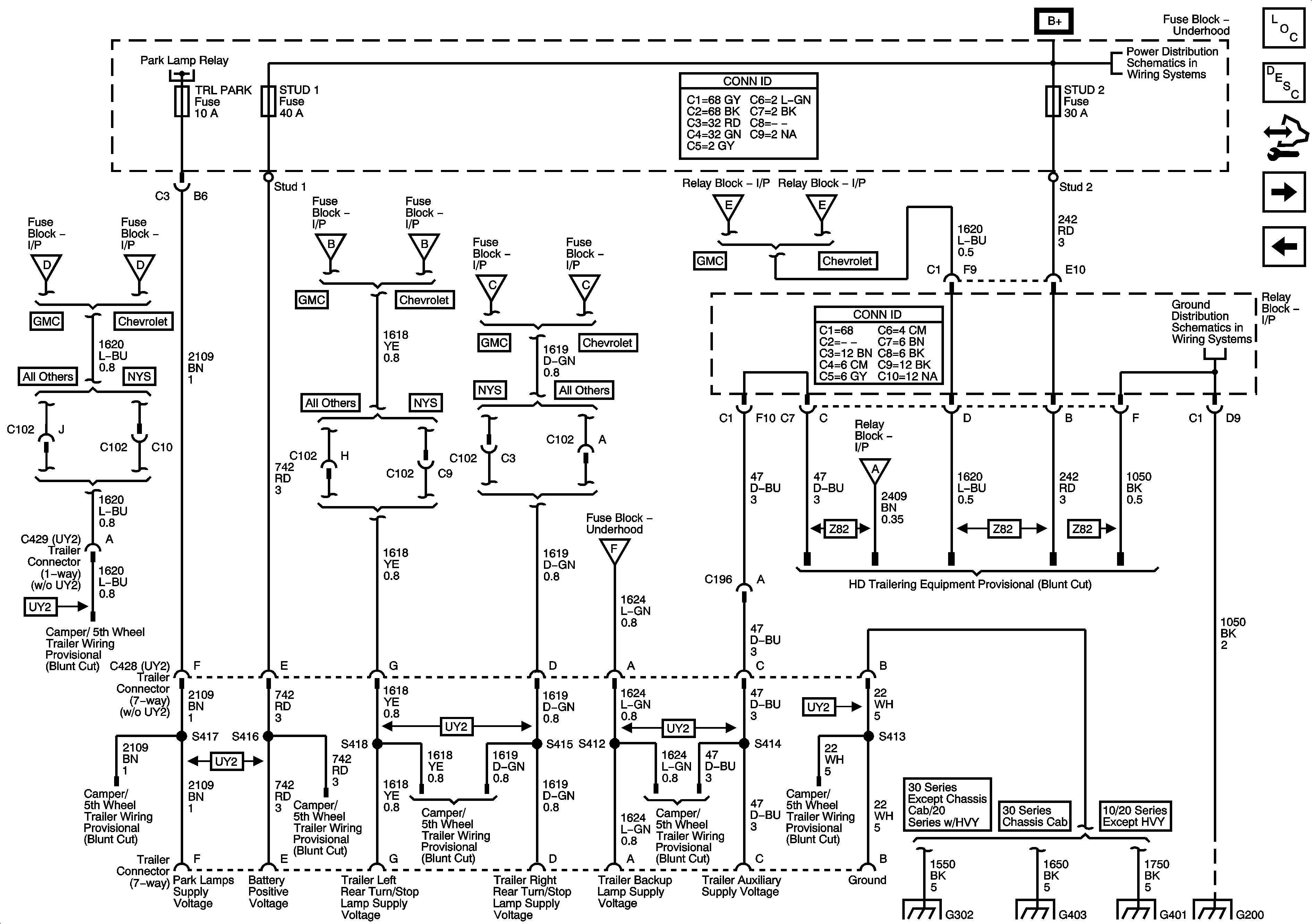
🢒 Trailer and Camper Wiring
Trailer and Camper Wiring
Trailer and Camper Wiring
Master Electrical Component List
Exterior Lighting Systems Description and Operation
Control Module References
Roof Beacon Lighting (5G4/TRW)
Backup Lamps
Park Lamp Relay Control and Front Park Lamps
ABS, AUX HTR PMP, ESCM, HCM-B, MBEC 1, RTD, STUD1, STUD2, TRANS PUMP, VSES/ECAS Fuses and RT DOORS and SEAT Circuit Breakers
Stop Lamps - GMC
Stop Lamps - Chevrolet
Stop Lamps - GMC
Stop Lamps - Chevrolet
Stop Lamps - GMC
Stop Lamps - Chevrolet
Stop Lamps - GMC
Stop Lamps - Chevrolet
G115 and G200 - 1 of 2
Backup Lamps
Interior Park
G302
G403
G401
G115 and G200 - 1 of 2