GM Service Manual Online
For 1990-2009 cars only
Makes
🢒
Chevrolet
🢒
1998
🢒
Chevy P42 Commercial Chassis
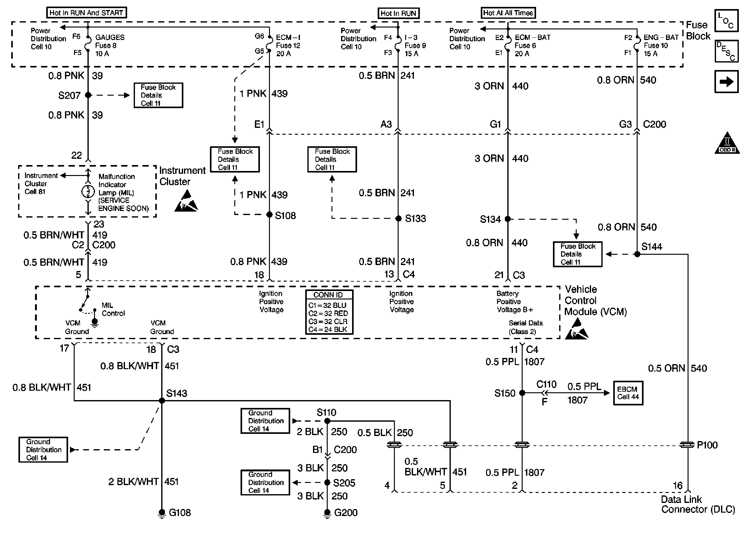
🢒 Cell 20: Power and Grounding
Cell 20: Power and Grounding
Cell 20: Power and Grounding
Engine Controls Components
Vehicle Control Module Description
Cell 20 - Ignition System
OBD II Symbol Description Notice
Cell 10: Ignition Switch and Fuse Block
Cell 11: Gauges fuse
Handling ESD Sensitive Parts Notice
Cell 11: ECM-I fuse [L57]
Cell 11: I-3, TURN-B/U, and HTR fuses, AUX CKT BRKR 13
Cell 10: Ignition Switch and Fuse Block
Cell 10: Fuse Block and Headlamp Switch
Cell 11: ECM-BAT and ENG-BAT fuses
Handling ESD Sensitive Parts Notice
Cell 44: Gas, ABS Power and Grounding, DLC Output
Cell 14: S110 [L31/L35]
Cell 14: G200
Cell 14: G108 [L31/L35]