GM Service Manual Online
For 1990-2009 cars only
Makes
🢒
Chevrolet
🢒
2005
🢒
Colorado Pickup - 2WD
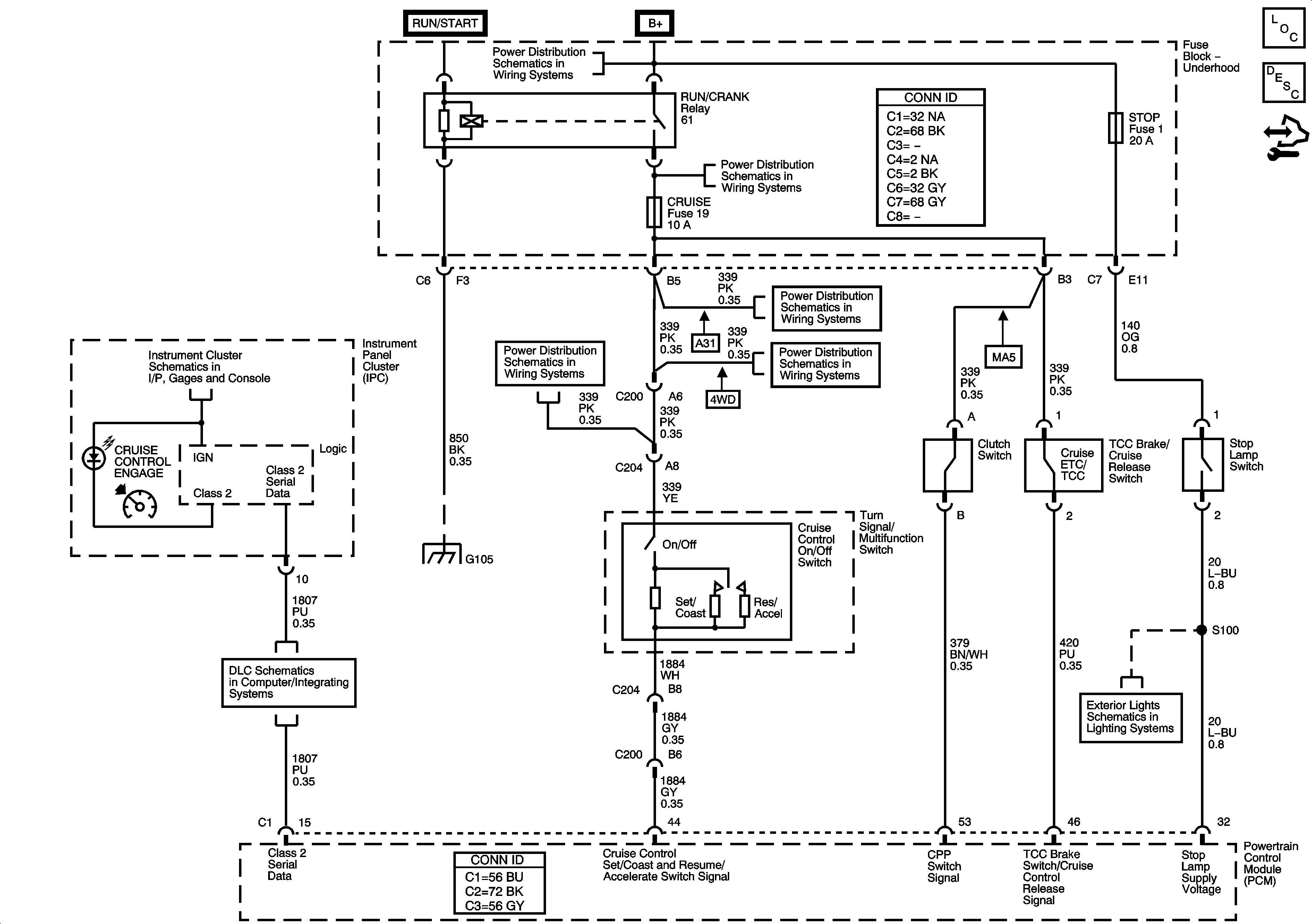
🢒 Cruise Control Schematics
Cruise Control Schematics
Master Electrical Component List
Cruise Control Description and Operation
Body Control Module (BCM) Programming/RPO Configuration
B+ Bus - Underhood Fuse Block
B+ Bus - Underhood Fuse Block
RUN/CRANK Relay Bus - 1 of 3, CRUISE, SIR, and TRANS Fuses
B+ Bus - Underhood Fuse Block
B+ Bus - Underhood Fuse Block
Indicators
Splice Pack SP105 and G105 - 1 of 2
Data Link Connector (DLC) Schematics