GM Service Manual Online
For 1990-2009 cars only
Makes
🢒
Chevrolet
🢒
2005
🢒
Corvette
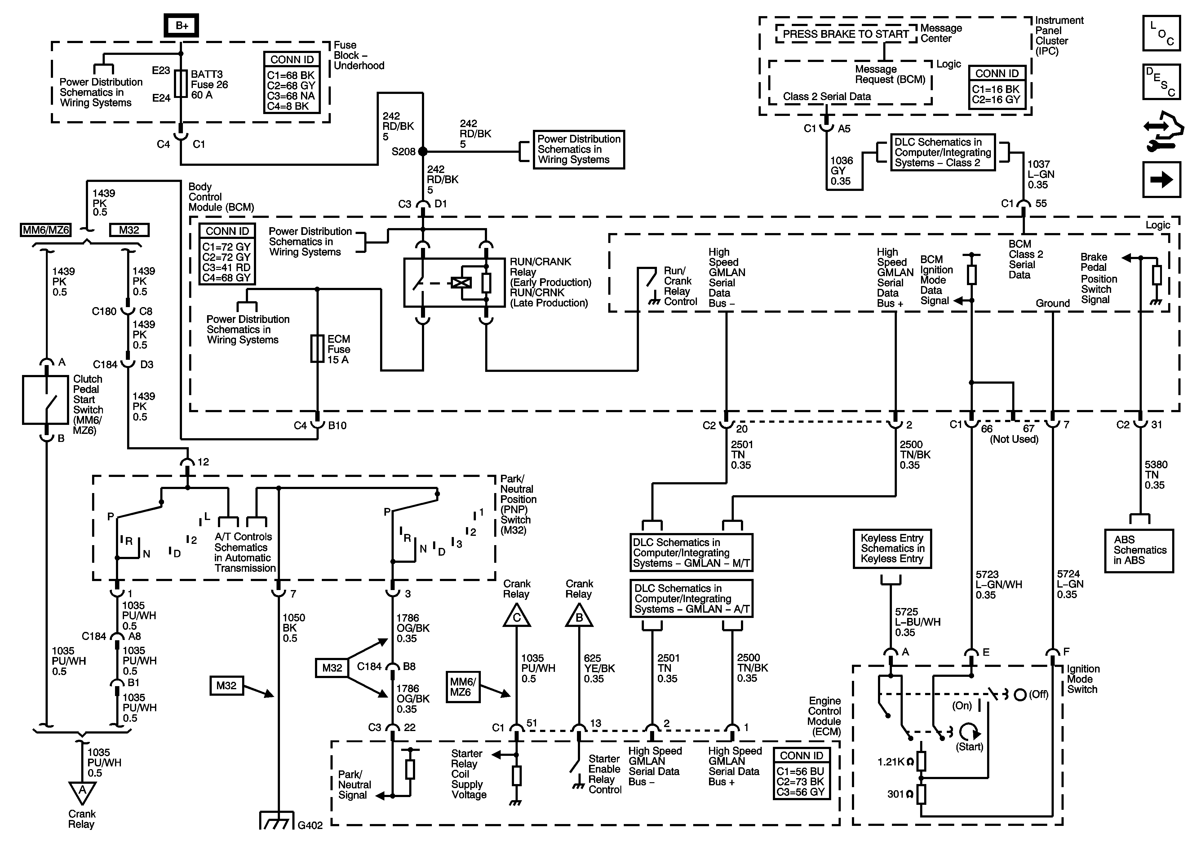
🢒 Cranking (1of2)
Cranking (1of2)
Cranking - 1 of 2
Master Electrical Component List
Charging System Description and Operation
Control Module References
Cranking (2of2)
Fuse Block-Underhood Fuses; BATT3, STOP/BU/LPS, BCM Fuses; BTSI SOL,COL LOCK, RADIO/S-BAND/VICS, TONNEAU RELEASE, REAR FOG/ALDL TOP SW, REVERSE LAMPS
Fuse Block-Underhood Fuses; BATT3, STOP/BU/LPS, BCM Fuses; BTSI SOL,COL LOCK, RADIO/S-BAND/VICS, TONNEAU RELEASE, REAR FOG/ALDL TOP SW, REVERSE LAMPS
Class 2
BCM Fuses; CLUSTER, DOOR LOCKS, INTERIOR LIGHTS, HVAC/PWR SND, ISRVM/HVAC, CRUISE SW
BCM Fuses; HTD SEAT/WIPER, GMLAN DEVICES, ECM, SDM/PSIR SW, Fuse Block-Underhood Fuses; TCM/TRANS, ABS/MRRTD
PNP, Solenoids, TFT and VSS
Cranking (2of2)
GMLAN - M/T
GMLAN - A/T
Keyless Entry Schematics
Brake Pedal Signal and Traction Control Switch
Cranking (2of2)
G302, G401 and G402